Запчасти Case 120 (215) - COUNTERWEIGHT CYLINDER, 3.50" ID X 33" STROKE, USED ON UNITS WITH SERIAL NO. 65521 THRU 6287224 (35) - HYDRAULIC SYSTEMS

Схема запчастей Case 120 - (215) - COUNTERWEIGHT CYLINDER, 3.50" ID X 33" STROKE, USED ON UNITS WITH SERIAL NO. 65521 THRU 6287224 (35) - HYDRAULIC SYSTEMS
FIT
1:1
100%

Артикул

Название

Примечание

Количество

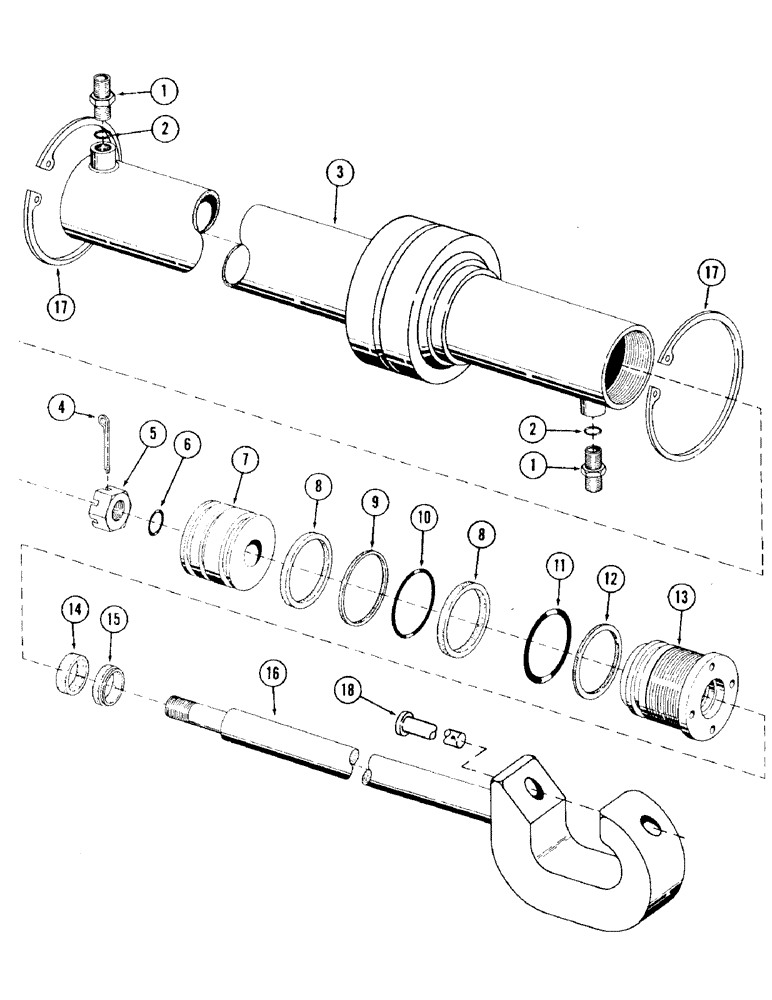
S604428

CYLINDER, counterweight

2шт.

1

S77848

ADAPTOR, No. 8 BC anchor

2шт.

2

S77846

O-RING

"O" RING

2шт.

3

S74648

CASE

cylinder

1шт.

4

S4660

SPLIT PIN

PIN, cotter - 3/16" x 2" long

1шт.

5

S9303

NUT

castle - 1" NF

1шт.

6

S77733

O-RING

"O" RING

1шт.

7

S74788

PISTON

1шт.

8

S77847

RING, piston

2шт.

9

S77734

RING

sirvon seal

1шт.

10

S77842

O-RING

"O" RING, sirvon loading

1шт.

11

S77732

O-RING

"O" RING, static head

1шт.

12

S78198

HEAD

RING, back up

1шт.

13

S74887

GLAND, head

1шт.

14

S76194

CUP

"U" CUP, rod

1шт.

15

S75662

SCRAPER RING

WIPER, rod

1шт.

16

S74676

ROD, cylinder

1шт.

17

S2035

RING, retaining -, Serial Range: (Mounts-cylinder)

2шт.

18

S10820

PIN, clevis - 1/2" x 5.766" long

1шт.

19

S77853

KIT, seal - (Includes items 2, 6, 9 thru 12, 14 and 15)

1шт.

20

S77977

KIT

seal - (Includes items 2, 6 and 9 thru 15)

1шт.

Выбрано товаров: 21