Запчасти Case 120 (009) - TRACK FRAME AND ATTACHING PARTS (48) - TRACKS & TRACK SUSPENSION

Схема запчастей Case 120 - (009) - TRACK FRAME AND ATTACHING PARTS (48) - TRACKS & TRACK SUSPENSION
FIT
1:1
100%

Артикул

Название

Примечание

Количество

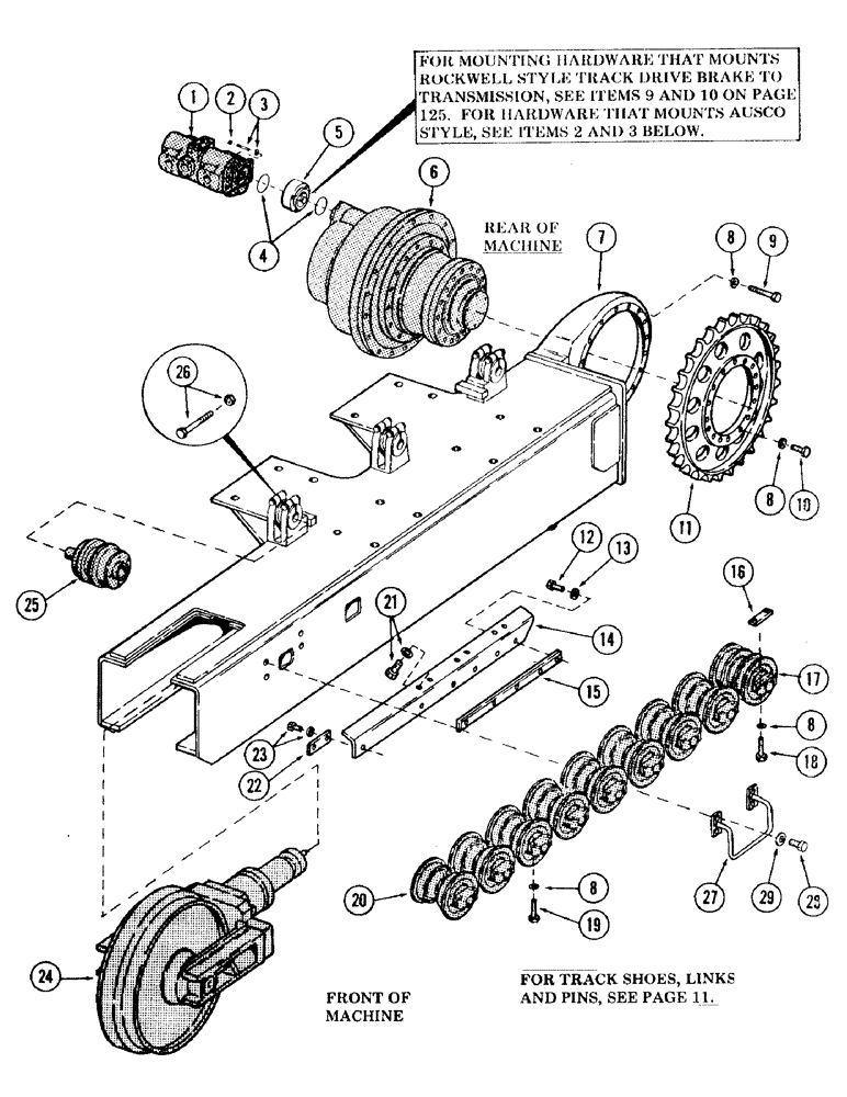
1

REF

INSTRUCTION

MOTOR, track drive - (For breakdown, see Figure 229)

1шт.

2

S17169

INSTRUCTION

NUT, self locking - 1/2 NC

4шт.

3

S97328

SPARE PART (Mounts track drive motor to track drive brake) - (Used on units with Rockwell brake)

4шт.

S64996

STUD - (Mounts track drive motor to track drive brake and transmission) - (Used on units with Ausco brake)

4шт.

A39046

WASHER,13.11mm ID x 22.23mm OD x 3.34mm Thk

(Used on units with Ausco brake)

4шт.

4

S5752

O-RING,4.987" ID x 5.193" OD x 0.103"

(5.187" OD)

2шт.

5

REF

INSTRUCTION

BRAKE, track drive - (For breakdown, see Figure 125 or 127)

1шт.

6

REF

INSTRUCTION

TRANSMISSION, track drive - (For breakdown, see Figure 23)

1шт.

7

S953612

FRAME

Track - (RH) - (Not illustrated)

1шт.

S953613

FRAME

Track - (LH) - (Illustrated)

1шт.

8

S92341

WASHER

Flat - 7/8"

1шт.

9

S97192

SPARE PART CPSW - 7/8" NC x 5" gr 8 - (Mounts track drive transmission to track frame)

8шт.

10

S96586

SPARE PART CPSW - 7/8" NF x 3-3/4" gr 8 - (Mounts sprocket to track frame)

16шт.

11

S953615

SPARE PART

1шт.

12

S86016

BOLT

CPSW - 3/4" NC x 1-3/4" gr 8

20шт.

13

S102982

SPARE PART Flat - 13/16"

20шт.

14

S508506

BRACKET

Chain guide - (Left rear)

1шт.

S508514

BRACKET

Chain guide - (Right rear)

1шт.

S606553

BRACKET

Chain guide - (Right front)

1шт.

S606554

BRACKET

Chain guide - (Left front)

1шт.

15

S225558

BAR

(Rear)

2шт.

S225559

SPARE PART (Front)

2шт.

16

S99212

SPARE PART

2шт.

17

REF

INSTRUCTION

ROLLER, track - (Lower) - (For breakdown, see Figure 21)

1шт.

18

S99213

SPARE PART CPSW - 7/8" NC x 3-1/4" gr 8 - (Mounts track roller to track frame)

4шт.

19

S15789

BOLT

CPSW - 7/8" NC x 4" gr 8 - (Mounts track roller to track frame)

32шт.

20

REF

INSTRUCTION

ROLLER, track - (Lower) - (For breakdown, see Figure 19)

8шт.

21

S88563

BOLT

CPSW - 1" NC x 3" gr 8 - (Mounts chain guide bracket to track frame)

24шт.

S94626

WASHER

Flat - 1-1/16"

24шт.

22

S98758

SPARE PART (Mounts front and rear chain guide brackets together)

2шт.

23

S2542

BOLT

CPSW - 3/4" NC x 1-1/2" gr 5 - (Mounts bar to chain guide brackets)

4шт.

S7407

WASHER

Flat - 13/16"

4шт.

24

REF

INSTRUCTION

IDLER AND TRACK ADJUSTER - (For breakdown, see Figure 13)

1шт.

25

REF

INSTRUCTION

ROLLER, track - (Upper) - (For breakdown, see Figure 17)

3шт.

26

S2480

SPARE PART CPSW - 1/2" NC x 4-3/4" gr 5 - (Mounts track roller to track frame)

6шт.

S17169

INSTRUCTION

NUT, self locking - 1/2" NC

6шт.

27

S227980

SPARE PART Track frame

2шт.

28

S2501

BOLT (MACHINE)

CPSW - 5/8" NC x 1-1/4" gr 5

8шт.

29

S75054

WASHER

Hardened - 5/8"

8шт.

Выбрано товаров: 0