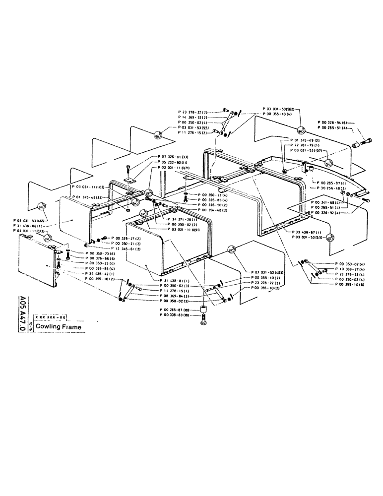
Запчасти Case 220CKS (05) - COWLING FRAME (05) - UPPERSTRUCTURE CHASSIS

Схема запчастей Case 220CKS - (05) - COWLING FRAME (05) - UPPERSTRUCTURE CHASSIS
FIT
1:1
100%

Артикул

Название

Примечание

Количество

P303153

SEAL

SEAL

4.6шт.

P3143886

FRAME

1шт.

P303111

SEAL

1шт.

P303111

SEAL

1.0шт.

P134549

SAFETY NUT

33шт.

11106231

BOLT,Hex, M10 x 1.5 x 25mm, Cl 10.9

2шт.

P35021

WASHER

2шт.

P1334561

NUT

2шт.

P35023

WASHER

6шт.

P32686

SCREW

6шт.

P35023

WASHER

4шт.

P32685

SCREW

4шт.

P3443842

FRAMEWORK

1шт.

P35510

SPLIT PIN

2шт.

P732601

SCREW

33шт.

P523280

PLATE

11шт.

P303111

SEAL

1шт.

P3427128

PLATE

PLATE

1шт.

P35002

WASHER

2шт.

P303111

SEAL

1шт.

P3143887

FRAME

1шт.

P35002

WASHER

3шт.

P1127815

PIN

1шт.

P836984

GAS STRUT

3шт.

P35002

WASHER

3шт.

P28587

SPACER

18шт.

P33883

SCREW

18шт.

P2327822

PIN

2шт.

P1436933

GAS STRUT

2шт.

P35002

WASHER

4шт.

P303153

SEAL

SEAL

1шт.

P1127815

PIN

2шт.

P35023

WASHER

4шт.

P32685

SCREW

4шт.

120104

BOLT,Hex, M8 x 1.25 x 20mm, Cl 8.8

2шт.

P35448

RIVET

M8

2шт.

P303153

SEAL

SEAL

5.6шт.

P35510

SPLIT PIN

4шт.

P303153

SEAL

SEAL

4.9шт.

P35510

SPLIT PIN

2шт.

P2327822

PIN

2шт.

P35510

SPLIT PIN

2шт.

P134549

SAFETY NUT

2шт.

P7228179

ANGLE BAR

1шт.

P303153

SEAL

SEAL

1.0шт.

P3343867

FRAMEWORK

1шт.

P303153

SEAL

SEAL

5.5шт.

P32694

SCREW

6шт.

P28551

WASHER

4шт.

P28587

SPACER

4шт.

P3025648

SUPPORT

2шт.

P34168

NUT

4шт.

P28551

WASHER

4шт.

P32692

SCREW

4шт.

P35002

WASHER

4шт.

P1036927

GAS STRUT

4шт.

P2327822

PIN

4шт.

P35002

WASHER

4шт.

P35510

SPLIT PIN

8шт.

Выбрано товаров: 59