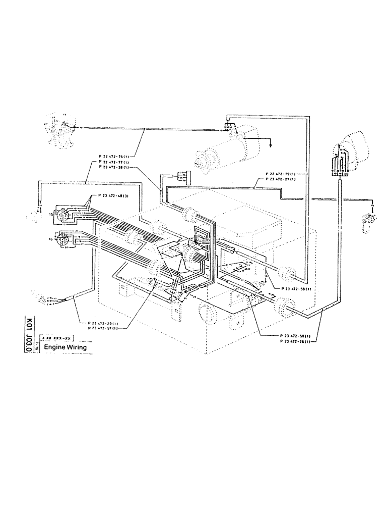
Запчасти Case 220CKS (73) - ENGINE WIRING (06) - ELECTRICAL SYSTEMS

Схема запчастей Case 220CKS - (73) - ENGINE WIRING (06) - ELECTRICAL SYSTEMS
FIT
1:1
100%

Артикул

Название

Примечание

Количество

P2247276

CABLE

1шт.

P2247277

SPARE PART

1шт.

P2347228

SPARE PART

1шт.

P2347248

ELECTRICAL WIRE

WIRE

3шт.

P2347229

SPARE PART

1шт.

P2347257

ELECTRICAL WIRE

WIRE

1шт.

P2247279

SPARE PART

1шт.

P2347227

SPARE PART

1шт.

P2347250

ELECTRICAL WIRE

WIRE

1шт.

P2347226

SPARE PART

1шт.

P2347258

ELECTRICAL WIRE

WIRE

1шт.

Выбрано товаров: 11