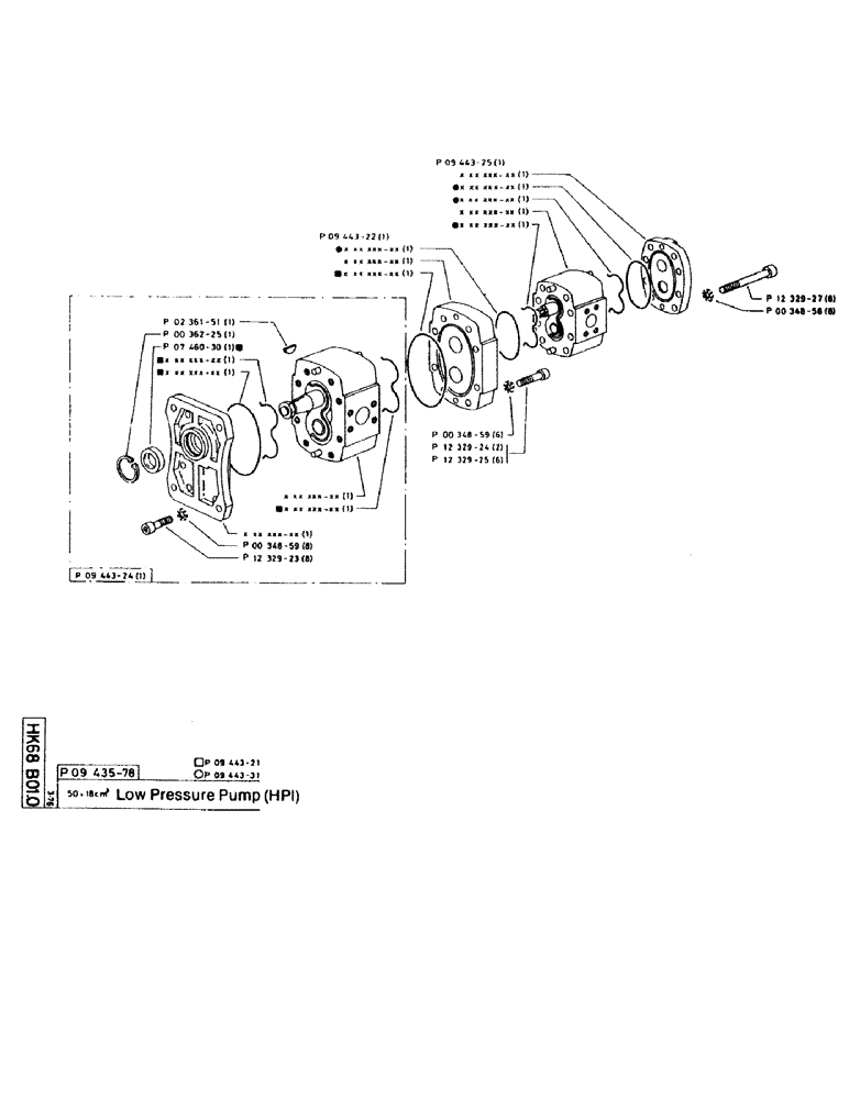
Запчасти Case 220CKS (53) - LOW PRESSURE PUMP (HPI) (07) - HYDRAULIC SYSTEM

Схема запчастей Case 220CKS - (53) - LOW PRESSURE PUMP (HPI) (07) - HYDRAULIC SYSTEM
FIT
1:1
100%

Артикул

Название

Примечание

Количество

P236151

SPARE PART

1шт.

P36225

DEUTZ PART

1шт.

P34859

SPARE PART

8шт.

P1232923

SPARE PART

8шт.

P944322

SPARE PART

1шт.

P944325

SPARE PART

1шт.

P34859

SPARE PART

6шт.

P1232924

SPARE PART

2шт.

P1232925

SCREW

6шт.

P1232927

SPARE PART

8шт.

P34858

WASHER

8шт.

Выбрано товаров: 11