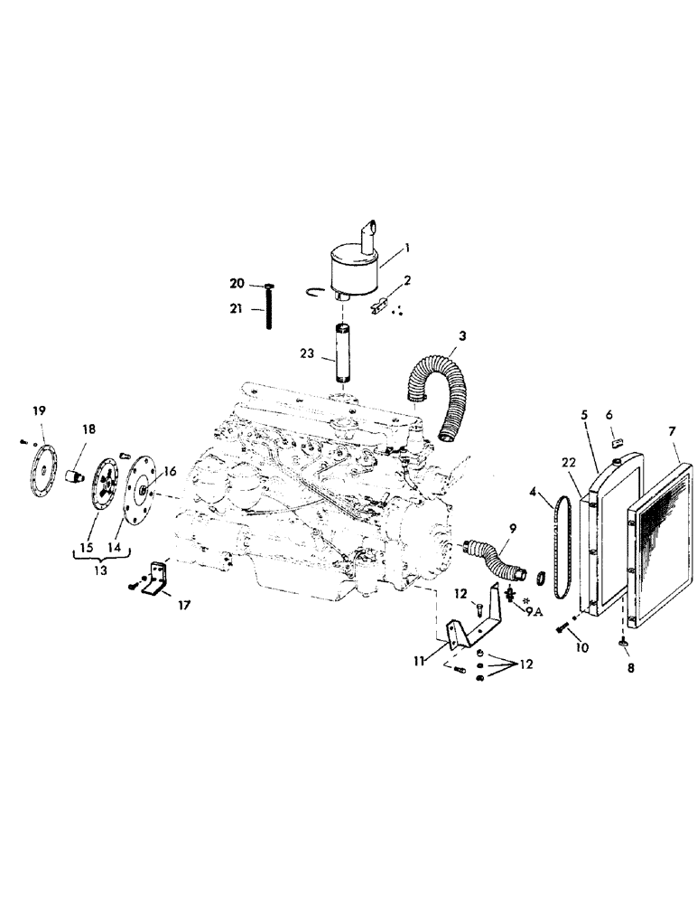
Запчасти Case 30YC (009) - DIESEL ENGINE #56132, IHC UD-282 DIESEL ENGINE, (DROTT # 56132) AND MOUNTING PARTS (01) - ENGINE

Схема запчастей Case 30YC - (009) - DIESEL ENGINE #56132, IHC UD-282 DIESEL ENGINE, (DROTT # 56132) AND MOUNTING PARTS (01) - ENGINE
FIT
1:1
100%

Артикул

Название

Примечание

Количество

1

201641M1

MUFFLER

1шт.

2

63566

CLAMP

1шт.

4396

LOCKWASHER - 5/16"

2шт.

4221

WASHER,3/4", SAE

NUT - 5/16" NC

2шт.

3

74305

HOSE, radiator (Top hose for units with serial number 1 thru 495)

1шт.

63624

BRACKET

HOSE, radiator - (Used on units with serial number 460-up)

1шт.

10878

CLAMP, hose

2шт.

4

63571

BELT, fan

1шт.

5

52593

CHAIN

RADIATOR (Includes item 6) (Used on units with serial number 1 thru 459)

1шт.

56172

RADIATOR (Includes item 6) (Used on units with serial number 460-up)

1шт.

6

73374

CAP, radiator

1шт.

7

33197

COOLER, oil

1шт.

8

49610

DRAIN, radiator

1шт.

9

64061

HOSE, radiator (Bottom hose for units with serial number 1 thru 459)

1шт.

74305

HOSE, raditor - (Used on units with serial number 460-up)

1шт.

10878

CLAMP, hose

2шт.

9a

67920

ADAPTER, radiator hose

1шт.

10

2375

CPSW - 5/16" x 3/4" Gr 5

12шт.

62364

WASHER, rubber

12шт.

7343

SOLENOID VALVE

LOCKWASHER - 5/16"

12шт.

11

32934

BRACKET, front engine mounting

1шт.

2513

CPSW - 5/8" x 4" NC Gr 5

4шт.

17088

NUT - 5/8" NC

4шт.

12

2511

FLEXIBLE HOSE

CPSW - 5/8" x 3-3/4 NC Gr 5

1шт.

27791

MOUNTING, compression

1шт.

49559

WASHER, snubbing

1шт.

17174

NUT, lock - 5/8" NC

1шт.

13

33200

CLAMP

DAMPENER (Consists of items 14 and 15)

1шт.

14

201639

DAMPER

1шт.

63218

CPSW - 3/8" x 5/8" NC Gr 5

8шт.

15

33114

SPACER

PILOT

1шт.

16

63071

SPACER

1шт.

17

NLS

NO LONGER SERVICED

rear engine mounting (Right side)

1шт.

2467

CPSW - 1/2" x 1-1/2" NC Gr 5

4шт.

4399

WASHER

LOCKWASHER - 1/2"

4шт.

27791

MOUNTING, compression

1шт.

63261

BALL BEARING

BRACKET, rear engine mounting (Left side)

1шт.

2467

CPSW - 1/2" x 1-1/2" NC Gr 5

4шт.

4399

WASHER

LOCKWASHER - 1/2"

4шт.

27791

MOUNTING, compression

1шт.

18

63201

COUPLING, pump drive

1шт.

19

52615

REAR FENDER

MOUNT, pump

1шт.

2401

LAMP

CPSW - 3/8" x 1" NC Gr 5

12шт.

4397

LOCKWASHER - 3/8"

12шт.

20

10875

CLAMP

1шт.

21

63887

KEY

HOSE, oil breather, 9"

1шт.

22

38408

ROLLER

SHROUD, radiator - Used on units with serial number 460-up

1шт.

14458

ELEC. TERMINAL PIN,8 - 10

SCREW, machine - (Shroud to radiator) - Used on units with serial number 460-up

6шт.

7342

LOCKWASHER - internal tooth

6шт.

23

63565

SUPPORT

PIPE, exhaust

1шт.

Выбрано товаров: 0