Запчасти Case 30YC (022) - TURNTABLE AND ATTACHING PARTS (05) - UPPERSTRUCTURE CHASSIS

Схема запчастей Case 30YC - (022) - TURNTABLE AND ATTACHING PARTS (05) - UPPERSTRUCTURE CHASSIS
FIT
1:1
100%

Артикул

Название

Примечание

Количество

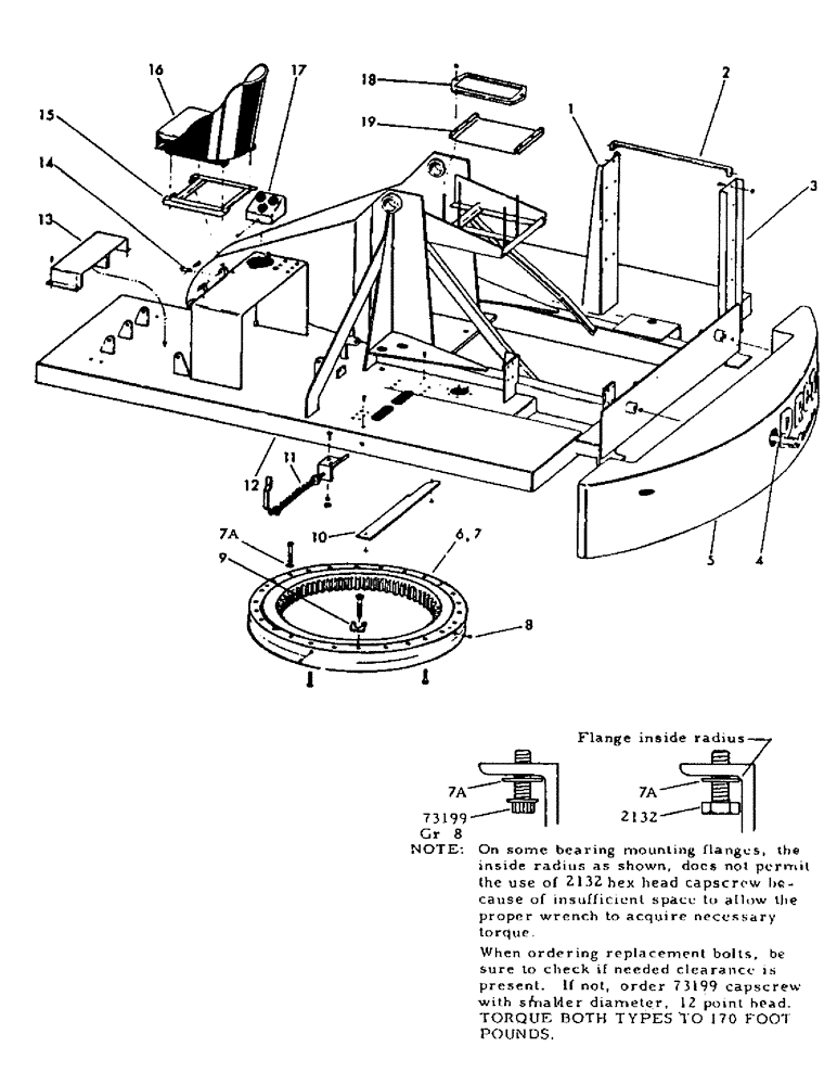
1

*38240

BRACKET, radiator mounting

1шт.

2

63179

GEAR

BAR, radiator tie

1шт.

2402

LAMP

CPSW - 3/8" x 1-1/4" NC Gr 5

2шт.

4222

NUT - 3/8" NC

2шт.

3

*38239

BRACKET, radiator mounting

1шт.

*3a

2402

LAMP

CPSW - 3/8" x 1-1/4" NC Gr 5

1шт.

4397

LOCKWASHER - 3/8"

1шт.

7389

WASHER, flat - 7/16"

1шт.

4

2691

CPSW - 1-1/4" x 7-1/2" NC Gr 5 (Used on units with serial number 1 thru 123)

2шт.

2695

FILLER CAP

CPSW - 1-1/4" x 9-1/2" NC Gr 5 (Used on units with serial number 124 - up)

2шт.

4231

TYRE/TIRE

NUT - 1-1/4" NC

2шт.

5

52488M1

COUNTERWEIGHT

1шт.

6

52646M1

BEARING, turntable (Used on units w/serial number 100 thru 345)

1шт.

2557

LAMP

CPSW - 3/4 x 5 NC Gr 5, Serial Range: (Turntable-bearing)

19шт.

2552

HEAD

CPSW - 3/4 x 3-3/4 NC Gr 5, Serial Range: (Turntable-bearing)

1шт.

2581

CLAMP

CPSW - 7/8 x 1-3/4 NC Gr 5 (Flange to bearing - up)

20шт.

2543

CPSW - 3/4 x 1-3/4 NC Gr 5 (Flange to bearing - up)

20шт.

7

*207298M1

BEARING, turntable (Used on units w/serial number 346 & up)

1шт.

2164

CPSW - 5/8" x 3-3/4" NC Gr 8, Serial Range: (Turntable-bearing)

29шт.

2165

LAMP

CPSW - 5/8" x 4" NC Gr 8, Serial Range: (Turntable-bearing)

5шт.

73199

CPSW - 12 point hd., 5/8 x 2 NC (See note)

1шт.

2132

LOCK NUT,5/8"-11, GB

CPSW - 5/8" x 1-3/4" NC Gr 8 (Flange to bearing - up) (See note)

36шт.

7a

75054

WASHER, hardened steel

36шт.

8

12031

FITTING, grease

4шт.

12032

SENSOR

FITTING, grease (Used on units w/serial number 346 & up)

4шт.

9

77916

SHIM, .005

1шт.

77917

SHIM, .010

1шт.

77918

SHIM, .015

1шт.

77919

SHIM, .030

1шт.

77920

SHIM, .060

1шт.

10

64412

SHAFT

PLATE, valve access

1шт.

2400

LAMP

CPSW - 3/8 x 3/4 NC Gr 5

2шт.

4397

LOCKWASHER - 3/8

2шт.

4222

NUT - 3/8 NC

2шт.

10a

208861

COVER, seat and instrument mounting bracket

1шт.

11

202347

HOLDER, door

1шт.

2350

STOP

CPSW - 1/4 x 3/4 NC Gr 5

2шт.

4397

LOCKWASHER - 1/4

2шт.

4220

TOOL

NUT - 1/4 NC

2шт.

12

951037

FRAME, turntable

1шт.

13

202306

SPARE PART

COVER, link

1шт.

2466

ENGINE

CPSW - 1/2 x 1-1/4 Gr 5

1шт.

2468

TACHOMETER

CPSW - 1/2 x 1-3/4 Gr 5

1шт.

14

10809

FINGER

PIN, clevis, 1/2 x 1-33/64

2шт.

4612

SCALE MODEL

COTTER PIN - 3/32 x 1

2шт.

15

31874

PIN

BRACKET, seat mtg

1шт.

16

27632M1

SEAT, bucket

1шт.

17

201687

PANEL, instrument (Used on units w/serial number 1 thru 112 w/ duster gauge)

1шт.

202345

EXCHANGE ENGINE

PANEL, instrument (Used on units w/serial number 113 & up)

1шт.

40799M1

SELF-TAPPING SCREWS

2шт.

18

202780

SPARE PART

BRACKET, battery hold down

1шт.

4397

LOCKWASHER, 3/8

2шт.

4222

NUT - 3/8 NC (GMC engines require two brackets and double hardware - Used w/90 amp battery)

2шт.

19

73503

TRAY, battery (Used with 90 amp battery)

1шт.

Выбрано товаров: 54