Запчасти Case 30YC (025) - CONTROL LINKAGE - CRAWLER (05) - UPPERSTRUCTURE CHASSIS

Схема запчастей Case 30YC - (025) - CONTROL LINKAGE - CRAWLER (05) - UPPERSTRUCTURE CHASSIS
FIT
1:1
100%

Артикул

Название

Примечание

Количество

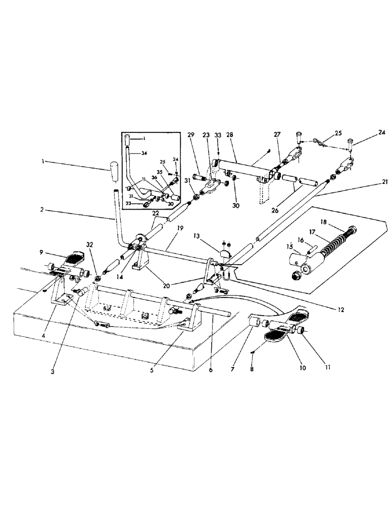
1

63411

KNOTTER

GRIP, handle

1шт.

2

33208

PLATE

LEVER, detent

1шт.

3

26213

CLIP

JOINT, ball

2шт.

17105

LOCKNUT - 1/2 NF

2шт.

Change of part number, quantity, or description, at the last revision

1шт.

4

201567

HYDRAULIC CYLINDER

BRACKET, pedal mtg RH

1шт.

5

201568

BRACKET, pedal mtg LH

1шт.

2468

TACHOMETER

CPSW - 1/2 x 1-3/4 NC Gr 5

4шт.

4399

WASHER

LOCKWASHER - 1/2

4шт.

4224

NUT - 1/2 NC

4шт.

6

63144

GEAR SET

SHAFT, pedal

1шт.

7

63283

DRIVING GEAR

SPACER, pedal

2шт.

8

49793

GUARD

FITTING, grease

3шт.

9

52583

WASHER

PEDAL, crawler RH

1шт.

10

52584

PLATE

PEDAL, crawler LH

1шт.

11

63168

BEARING, needle

1шт.

12

63280

U-BOLT

2шт.

17170

NUT - 3/8 NC

4шт.

Change of part number, quantity, or description, at the last revision

1шт.

13

63279

DOG

2шт.

14

2043

LAMP

CPSW - 3/8 x 1-1/2 NF Gr 5

1шт.

4243

SPRING COMPRESSOR

JAM NUT - 3/8 NF

1шт.

15

201656

WASHER

BEARING, detent-assy.

1шт.

16

5388

SPROCKET

PIN, roll

2шт.

17

13700

HOSE

SPRING

2шт.

18

2051

CPSW - 3/8 x 3-1/2 NF Gr 5

2шт.

4243

SPRING COMPRESSOR

JAM NUT - 3/8 NF

2шт.

7385

FLAT WASHER - 3/8

2шт.

19

63278

PLATE

SHAFT, 5/8 x 15-1/4

1шт.

20

201657

COLLAR

BRACKET, detent

2шт.

2468

TACHOMETER

CPSW - 1/2 x 1-3/4 NC Grade 5

4шт.

7392

GENERAL TOOL

LOCKWASHER - 1/2

4шт.

4224

NUT - 1/2 NC

4шт.

21

201577

SPARE PART

LINK, left pedal

1шт.

22

201575

SPARE PART

LINK, right pedal

1шт.

23

12514

CIRCLIP

YOKE

4шт.

24

87016624

CLEVIS PIN,3/8" x 1 1/4"

- 3/8" x 1 1/4"

2шт.

*25

4627

COTTER PIN

PIN, cotter

2шт.

26

63196

SHAFT, bellcrank, 5/8 x 11-1/4

1шт.

27

63198

LOCK PIN,5/16" x 2 1/2", Slotted

ROD, connecting

1шт.

28

201585

KIT

BELLCRANK, pedal link

1шт.

29

40816

BOLT, shoulder

4шт.

30

40815

ENGINE MOUNT

BEARING, needle

2шт.

31

4243

SPRING COMPRESSOR

NUT, jam 3/8 NF

4шт.

32

4205

NUT

jam 1/2 NF

2шт.

33

14031

ADJUSTER

SCREW, set 1/4 x 1/4 NC

2шт.

34

201609

LEVER

1шт.

35

63199

SPACER

1шт.

36

63247

ROD, connecting

1шт.

Выбрано товаров: 49