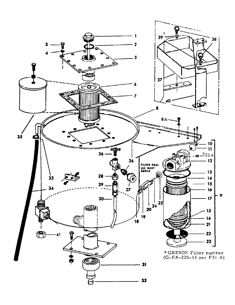
Запчасти Case 30YC (033) - HYDRAULIC OIL RESERVOIR AND FILTERS (07) - HYDRAULIC SYSTEM

Схема запчастей Case 30YC - (033) - HYDRAULIC OIL RESERVOIR AND FILTERS (07) - HYDRAULIC SYSTEM
FIT
1:1
100%

Артикул

Название

Примечание

Количество

1

201559

ELEC CONNECTOR

DIPSTICK (Includes item 2)

1шт.

2

6314

O-RING

"O" RING, 1-47/64 ID x 2 O.D.

1шт.

3

2400

LAMP

CPSW, 3/8 x 3/4 NC Grade 5

12шт.

4

12026

CLIP

WASHER, copper

12шт.

5

201685

COVER, clean out

1шт.

6

26293

SCREEN, filter

1шт.

7

43585

GASKET

clean out cover

1шт.

8

33185

X

RESERVOIR, oil (Includes Refs. 31, 32 & 41)

1шт.

2467

CPSW - 1/2 x 1-1/2 NC Grade 5 (Mounts, Serial Range: reservoir-turntable)

4шт.

2466

ENGINE

CPSW - 1/2 x 1-1/4 NC Grade 5 (Mounts, Serial Range: reservoir-turntable)

2шт.

4399

WASHER

LOCKWASHER - 1/2

6шт.

4222

NUT - 1/2 NC

6шт.

8a

2375

CPSW - 5/16 x 3/4 NC Grade 5 (Mounts oil, Serial Range: filter-reservoir)

2шт.

4396

LOCKWASHER - 5/16

2шт.

9

208364M1

FILTER, oil (Includes Refs. 10 thru 25A)

1шт.

Change of part number, quantity, or description, at the last revision

1шт.

10

63730

SCREW

LOCKNUT

1шт.

11

63729

SCREW

VALVE, bypass

1шт.

12

60100

HEAD (Includes Ref. 25A)

1шт.

Change of part number, quantity, or description, at the last revision

1шт.

13

63727

"O" RING

1шт.

Change of part number, quantity, or description, at the last revision

1шт.

14

63724

GUIDE

WASHER, back up

2шт.

15

63725

PIN

GASKET

2шт.

16

62434

ELEMENT, filter - 20 micron

1шт.

Change of part number, quantity, or description, at the last revision

1шт.

17

63722

HOUSING, filter

1шт.

18

63735

CLEVIS PIN

SCREW

1шт.

19

63734

CAP, bypass stem

1шт.

20

63733

SPRING, 15 PSI

1шт.

21

63723

SPRING, conical

1шт.

22

63721

GASKET

1шт.

23

63720

POST, center cast iron

1шт.

Change of part number, quantity, or description, at the last revision

1шт.

24

63732

SCREW

SPACER, bypass valve

1шт.

25

63731

PAD

GUIDE, bypass

1шт.

25a

15163

PLUG, pipe - 3/8" NPT

1шт.

Change of part number, quantity, or description, at the last revision

1шт.

26

27435

SPRING

VALVE, breather

1шт.

27

27434

BREATHER

1шт.

28

62663

ADAPTER, pipe - female brass 1/4 NPT male x 3/8 NPT female

1шт.

29

24669

VALVE, relief 20-25 PSI

1шт.

30

202468

LINE, pop off

1шт.

31

63580

COUPLING, reducing

1шт.

32

7875

STRAP

PLUG, pipe 3/4 female

1шт.

33

10873

CLAMP, hose

1шт.

34

73320

COUPLING

HOSE, oil reservoir, 38"

1шт.

35

64304

CAN, filter

1шт.

2399

CPSW - 3/8 x 1/2 NC Gr 5

1шт.

4262

JAM NUT - 3/8 NC

1шт.

36

49610

VALVE, bleed

1шт.

37

202379

SPARE PART

PAN, filter

1шт.

Used on some earlier units.

1шт.

38

27326

STUD, fastner

2шт.

Used on some earlier units.

1шт.

39

48578

FITTING

GROMMET

2шт.

Used on some earlier units.

1шт.

40

202380

BRACKET, filter pan

1шт.

Used on some earlier units.

1шт.

41

9402

FITTING

CAP, tube

1шт.

Выбрано товаров: 60