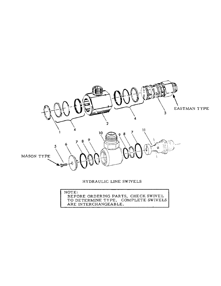
Запчасти Case 30YC (J11) - HYDRAULIC LINE SWIVELS (07) - HYDRAULIC SYSTEM

Схема запчастей Case 30YC - (J11) - HYDRAULIC LINE SWIVELS (07) - HYDRAULIC SYSTEM
FIT
1:1
100%

Артикул

Название

Примечание

Количество

205533

SWIVEL - hydraulic line

1шт.

1

79928

RING - retaining PARTS FOR EASTMAN TYPE ONLY

1шт.

2

NSS

NOT SOLD SEPARAT

HOUSING - (Order complete swivel) PARTS FOR EASTMAN TYPE ONLY

1шт.

3

NSS

NOT SOLD SEPARAT

SHAFT - (Order complete swivel) PARTS FOR EASTMAN TYPE ONLY

1шт.

4

79932

KIT - seal - (Consists of 2 quad rings, 2 leather dust seals, and 2 teflon backup washers) PARTS FOR EASTMAN TYPE ONLY

1шт.

5

2349

CPSW - 1/4" x 1/2" NC GR 5 PARTS FOR MASON TYPE ONLY

1шт.

6

7992

SENSOR

GUARD - grit PARTS FOR MASON TYPE ONLY

1шт.

7

5815

PANEL

"O" RING - 1.484" ID x 1.750" OD PARTS FOR MASON TYPE ONLY

2шт.

8

79924

WASHER - leather backup PARTS FOR MASON TYPE ONLY

2шт.

9

6583

O-RING

"O" RING - 1.296" ID x 1.562" OD PARTS FOR MASON TYPE ONLY

2шт.

10

79925

SLEEVE - swivel PARTS FOR MASON TYPE ONLY

1шт.

11

79919

STEM - swivel PARTS FOR MASON TYPE ONLY

1шт.

Выбрано товаров: 0