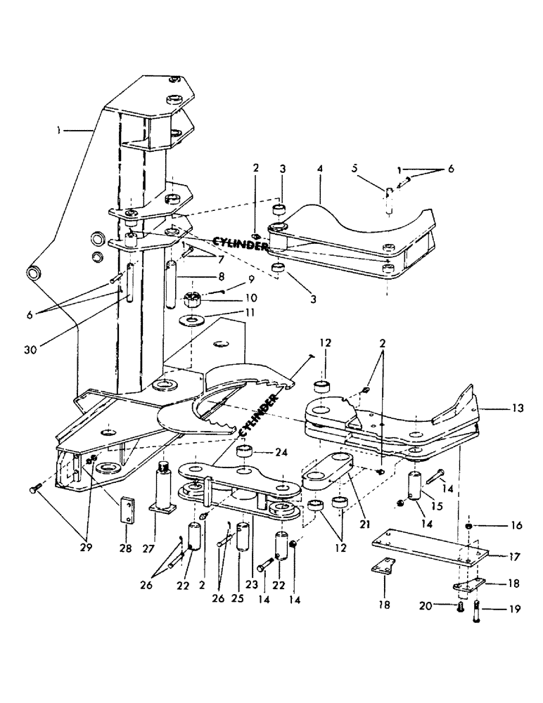
Запчасти Case 30YC (J04) - 18" FELLER/BUNCHER FRAME AND ATTACHING PARTS (18) - ATTACHMENT ACCESSORIES

Схема запчастей Case 30YC - (J04) - 18" FELLER/BUNCHER FRAME AND ATTACHING PARTS (18) - ATTACHMENT ACCESSORIES
FIT
1:1
100%

Артикул

Название

Примечание

Количество

1

S951679

FRAME

1шт.

2

S12031

FITTING,1/8"-27 x .66 lg

- grease - 1/8" NPT - (Straight)

12шт.

3

S202134

BUSHING

4шт.

4

S503052

ARM - grab - (Includes 2 of Ref. 3)

2шт.

5

S216699

PIN - (Cylinder rod to grab arm)

2шт.

Change in listing.

1шт.

6

S10781

PIN

- clevis - 3/8" x 3.016" grip lenth

4шт.

S81895

COTTER PIN

PIN - hair - 1/8" x 1" long

4шт.

Change in listing.

1шт.

7

S61972

PIN

- clevis - 1/2" x 3.266" grip length

2шт.

S4627

SPLIT PIN

PIN - cotter - 1/8" x 1" long

2шт.

8

S205348

PIN

- (Grab, Serial Range: arm-frame)

2шт.

9

S4678

PIN

- cotter - 1/4" x 3-1/2" long - (Used with Ref. 10)

2шт.

10

S9396

NUT

- slotted - 2" NC (Used with Ref. 27)

1шт.

11

S7434

WASHER

- flat - 2-1/8" - (Used with Ref. 27)

1шт.

Change in listing.

1шт.

12

S202195

BUSHING

8шт.

13

S58594M1

ARM ASSEMBLY - blade - (Right hand) - (Includes 2 of Ref. 12) - (Not illustrated)

1шт.

14

S2520

BOLT (MACHINE)

CPSW - 5/8" NC x 6" grade 5

4шт.

S9093

NUT - self locking - 5/8" NC

4шт.

15

S211492M1

PIN - (Blade, Serial Range: arm-link)

2шт.

16

S78763

NUT - 3/4" NC

12шт.

Change in listing.

1шт.

17

S215932

EDGE - cutting

2шт.

Change in listing.

1шт.

18

S213284

SUPPORT - cutting edge

4шт.

19

S78757

CPSW - 3/4" NC x 5-3/4" grade 5

8шт.

Change in listing.

1шт.

20

S2546

BOLT (MACHINE)

CPSW - 3/4" NC x 3-3/4" grade 5

4шт.

21

S212933

LINK ASSEMBLY - (Inlcudes 2 of Ref. 12)

2шт.

22

S211493M1

X

PIN - (Lever to link) and, Serial Range: (Lever-cylinder)

4шт.

23

S502235

LEVER ASSEMBLY - (Right hand) - (Includes 2 of Ref. 24)

1шт.

S502236

LEVER ASSEMBLY - (Left hand) - (Includes 2 of Ref. 24) - (Not illustrated)

1шт.

24

S202193

BUSHING

4шт.

25

S211494M1

PIN -, Serial Range: (Lever-frame)

2шт.

26

S10835

CLEVIS PIN,14.33mm OD x 144.86mm L

PIN, CLEVIS - 5/8" x 5.266" grip length

4шт.

S4628

SPLIT PIN

PIN - cotter - 1/8" x 1-1/4" long

4шт.

27

S213285

PIN ASSEMBLY - (Blade, Serial Range: arms-frame)

1шт.

S88568

SHIM

SPACER - adjustment

1шт.

Added listing.

1шт.

S88569

SHIM

SPACER - adjustment

1шт.

Added listing.

1шт.

28

S83276

SPACER - (Used as required to obtain proper shear closing)

4шт.

29

S2467

BOLT

CPSW - 1/2" NC x 1-1/2" grade 5

4шт.

280431

NUT,1/2"-13, G5

4шт.

S4399

WASHER

- flat - 1/2"

4шт.

30

S27349

PIN

-, Serial Range: (Cylinder-frame)

2шт.

31

CYLINDER - shear - (For breakdown, see figure J-13)

1шт.

32

CYLINDER - grab arm - (For breakdown, see figure J-12)

2шт.

Выбрано товаров: 49