Запчасти Case 30YC (C01) - GMC 4-53 DIESEL ENGINE (DROTT #55950) AND MOUNTING PARTS (USED WITH 35 YC-EC UNITS ONLY) (01) - ENGINE

Схема запчастей Case 30YC - (C01) - GMC 4-53 DIESEL ENGINE (DROTT #55950) AND MOUNTING PARTS (USED WITH 35 YC-EC UNITS ONLY) (01) - ENGINE
FIT
1:1
100%

Артикул

Название

Примечание

Количество

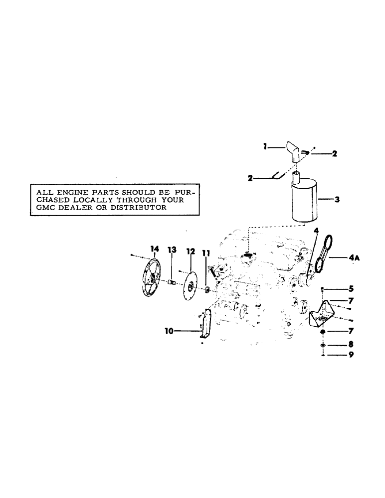
1

207867

PIPE - exhaust

1шт.

2

65056

CLAMP

1шт.

3

S207866M2

MUFFLER

1шт.

Change in listing.

1шт.

4

80925

HUB ASSEMBLY - low mounting fan

1шт.

4a

80926

"V" BELT - fan

2шт.

27955

CABLE

"V" BELT - alternator, Matched set of 2

1шт.

5

2511

FLEXIBLE HOSE

CPSW - 5/8" x 3-3/4" NC grade 5

1шт.

6

501925

SCREEN

BRACKET - front engine mounting

1шт.

2412

LAMP

CPSW - 3/8" x 3-3/4" NC grade 5

4шт.

4397

LOCKWASHER - 3/8"

4шт.

2431

FITTING

CPSW - 7/16" x 1-1/4" NC grade 5

2шт.

4398

LOCKWASHER - 7/16"

2шт.

7

64712

SNAP RING,#43, Ext

MOUNTING - rubber

1шт.

8

49559

WASHER - snubbing

1шт.

9

17171

NUT - self locking - 5/8" NC

1шт.

10

501917

HALF-BEARING, CRANKS

BRACKET - rear engine mounting - right hand, illustrated

1шт.

501918

HALF-BEARING, CRANKS

BRACKET - rear engine mounting - left hand, not illustrated

1шт.

2468

TACHOMETER

CPSW - 1/2" x 1-3/4" NC grade 5, Mounts, Serial Range: brackets-turntable

8шт.

4399

WASHER

LOCKWASEHR - 1/2"

16шт.

2471

DISC

CPSW - 1/2" x 2-1/2" NC grade 5, Mounts bracket to engine, Used with right hand bracket only

4шт.

2466

ENGINE

CPSW - 1/2" x 1-1/4" NC grade 5, Mounts bracket to engine, Used left hand bracket only

4шт.

11

63071

SPACER

1шт.

12

33200

CLAMP

DAMPENER - pump drive

1шт.

63218

BOLT - place - 3/8" x 5/8" NC grade 5

8шт.

13

63201

COUPLING - pump drive

1шт.

14

52615

REAR FENDER

ADAPTION - pump drive

1шт.

2401

LAMP

CPSW - 3/8" x 1" NC grade 5

11шт.

2402

LAMP

CPSW - 3/8" x 1-1/4" NC grade 5

1шт.

4397

LOCKWASHER - 3/8"

12шт.

Выбрано товаров: 30