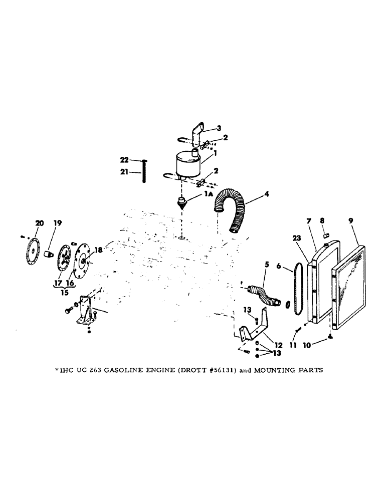
Запчасти Case 30YC (C06) - IHC UC 263 GASOLINE ENGINE (DROTT #56131) AND MOUNTING PARTS (01) - ENGINE

Схема запчастей Case 30YC - (C06) - IHC UC 263 GASOLINE ENGINE (DROTT #56131) AND MOUNTING PARTS (01) - ENGINE
FIT
1:1
100%

Артикул

Название

Примечание

Количество

1

S209070

MUFFLER

1шт.

Change in listing.

1шт.

1a

209933

ADAPTER

1шт.

2

65056

CLAMP - muffler

2шт.

Change in listing.

1шт.

3

207867

ELBOW

1шт.

Change in listing.

1шт.

4

64061

HOSE - radiator - upper

1шт.

10878

CLAMP - hose

2шт.

5

63624

BRACKET

HOSE - radiator - lower

1шт.

10878

CLAMP - hose

2шт.

6

64231

BELT - fan

1шт.

7

56172

RADIATOR, Includes Ref. 8

1шт.

8

73374

CAP - radiator

1шт.

9

36359M1

COOLER - oil

1шт.

10

49610

DRAIN - radiator

1шт.

11

14459

SOCKET

SCREW - machine - 1/4" x 5/16" NC

12шт.

7378

WASHER - flat - 1/4"

12шт.

7342

LOCKWASHER - internal tooth - 1/4"

12шт.

12

501852

DRIVE BUSHING

BRACKET - front engine mounting

1шт.

2512

CPSW - 5/8" x 4" NC grade 5

4шт.

17088

NUT - 5/8" NC

4шт.

13

2511

FLEXIBLE HOSE

CPSW - 5/8" x 3-3/4" NC grade 5

1шт.

27791

MOUNTING - compression

1шт.

49559

WASHER - snubbing

1шт.

17174

NUT - lock - 5/8" NC

1шт.

14

NLS

NO LONGER SERVICED

BRACKET - rear engine mounting, right side

1шт.

2467

CPSW - 1/2" x 1-1/2" NC grade 5

8шт.

4399

WASHER

LOCKWASHER - 1/2"

8шт.

27791

MOUNTING - compression

1шт.

501609

GASKET

BRACKET - rear engine mounting, Left side, Not illustrated

1шт.

2468

TACHOMETER

CPSW - 1/2" x 1-3/4" NC grade 5

4шт.

4399

WASHER

LOCKWASHER - 1/2"

4шт.

27791

MOUNTING - compression

1шт.

15

33200

CLAMP

DAMPENER, consists of Refs. 16 and 17

1шт.

16

201639

DAMPER

1шт.

63218

CPSW - 3/8" x 5/8" NC grade 5

8шт.

17

NLS

NO LONGER SERVICED

PILOT

1шт.

18

63071

SPACER

1шт.

19

63201

COUPLING - pump drive

1шт.

20

52615

REAR FENDER

MOUNT - pump

1шт.

2401

LAMP

CPSW - 3/8" x 1" NC grade 5

12шт.

4397

LOCKWASHER - 3/8"

12шт.

21

63887

KEY

HOSE - oil breather

9шт.

22

10875

CLAMP - hose

1шт.

23

57722

SHROUD - radiator

1шт.

14458

ELEC. TERMINAL PIN,8 - 10

SCREW - machine, shroud to radiator - 1/4" x 1-5/16" 20-NC

6шт.

7342

LOCKWASHER - internal tooth - 1/4"

6шт.

Выбрано товаров: 48