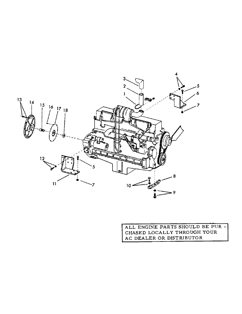
Запчасти Case 30YC (C14) - AC 2900 DIESEL (DROTT #58570) AND ATTACHING PARTS (01) - ENGINE

Схема запчастей Case 30YC - (C14) - AC 2900 DIESEL (DROTT #58570) AND ATTACHING PARTS (01) - ENGINE
FIT
1:1
100%

Артикул

Название

Примечание

Количество

1

65056

CLAMP

2шт.

2

82537

PIPE - exhaust

1шт.

3

207867

PIPE - exhaust

1шт.

4

2466

ENGINE

CPSW - 1/2" x 1-1/4" NC GR 5

4шт.

4399

WASHER

LOCKWASHER - 1/2"

4шт.

5

2468

TACHOMETER

CPSW - 1/2" x 1-3/4" NC GR 5

8шт.

6

211733

BRACKET - rear engine mounting - left hand

1шт.

7

17169

NUT - 1/2" NC

8шт.

8

211731

BRACKET - front engine mounting

1шт.

9

2433

CPSW - 7/16" x 1-3/4" NC GR 5

2шт.

4398

LOCKWASHER - 7/16"

2шт.

10

2504

CPSW - 5/8" x 2" NC GR 5

1шт.

17171

NUT - self locking - 5/8" NC

1шт.

11

211732

BRACKET - rear engine mounting - right hand

1шт.

12

2466

ENGINE

CPSW - 1/2" x 1-1/4" NC GR 5

4шт.

4399

WASHER

LOCKWASHER - 1/2"

4шт.

13

2401

LAMP

CPSW - 3/8" x 1" NC GR 5

11шт.

2402

LAMP

CPSW - 3/8" x 1-1/4" NC GR 5

1шт.

4397

LOCKWASHER - 3/8"

12шт.

14

52615

REAR FENDER

ADAPTER - pump drive

1шт.

15

63201

COUPLING - pump drive

1шт.

16

63218

CPSW - 3/8" x 5/8" NC GR 5

8шт.

17

33200

CLAMP

DAMPENER - pump drive

1шт.

18

63071

SPACER

1шт.

Выбрано товаров: 24