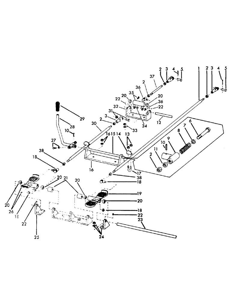
Запчасти Case 30YC (E11) - TRACK CONTROLS WITH DETENT (04) - UNDERCARRIAGE

Схема запчастей Case 30YC - (E11) - TRACK CONTROLS WITH DETENT (04) - UNDERCARRIAGE
FIT
1:1
100%

Артикул

Название

Примечание

Количество

1

201577

SPARE PART

ROD - link

1шт.

2

4243

SPRING COMPRESSOR

NUT - jam - 3/8" NF

6шт.

3

12514

CIRCLIP

YOKE

3шт.

4

4627

COTTER PIN

PIN - cotter - 1/8" x 1" long

2шт.

5

87016624

CLEVIS PIN,3/8" x 1 1/4"

- 3/8" x 1 1/4"

2шт.

6

2051

CPSW - 3/8" x 3-1/2" NF grade 5

2шт.

7

7385

WASHER - flat - 3/8"

2шт.

8

13700

HOSE

SPRING

2шт.

9

206012

HOUSING - detent

1шт.

10

5388

SPROCKET

PIN - roll

2шт.

11

17153

O-RING,0.103" Thk x 0.674" ID, -115, Cl 5, 75 Duro

NUT - self locking - 3/8" NF

2шт.

12

71864

SHAFT

1шт.

13

17167

LOCK NUT

NUT - self locking - 3/8" NC

4шт.

14

211668

STOP

2шт.

Change in listing.

1шт.

15

71885

SHAFT

1шт.

16

206001

BRACKET

1шт.

7389

WASHER - flat - 7/16"

2шт.

17167

LOCK NUT

NUT - self locking - 3/8" NC

2шт.

17

63280

"U" BOLT

2шт.

18

26213

CLIP

BALL JOINT

2шт.

17105

NUT - self locking - 1/2" NF

2шт.

19

52584

PLATE

PEDAL - crawler - left hand (Includes grease fitting)

1шт.

49793

GUARD

FITTING - grease - 1/4" NPT (65 degrees)

1шт.

20

63168

BEARING

6шт.

21

63283

DRIVING GEAR

SPACER

2шт.

22

14045

DUST CAP

SCREW - set - 5/16" x 5/16" NC

4шт.

23

75354

CONTROL

SHAFT

1шт.

24

201568

BRACKET - pedal mounting - left hand

1шт.

7389

WASHER - flat - 7/16"

2шт.

17167

LOCK NUT

NUT - self locking - 3/8" NC

2шт.

25

201567

HYDRAULIC CYLINDER

BRACKET - pedal mounting - right hand

1шт.

7389

WASHER - flat - 7/16"

2шт.

17167

LOCK NUT

NUT - self locking - 3/8" NC

2шт.

26

52583

WASHER

PEDAL - crawler - right hand (Includes grease fitting)

1шт.

49793

GUARD

FITTING - grease - 1/4" NPT (65 degrees)

1шт.

27

2043

LAMP

CPSW - 3/8" x 1-1/2" NF grade 5

1шт.

4243

SPRING COMPRESSOR

NUT - jam - 3/8" NF

1шт.

28

36435

SPINDLE

LEVER - detent control

1шт.

29

63411

KNOTTER

GRIP - handle

1шт.

30

201575

SPARE PART

ROD - link

1шт.

31

40816

BOLT - shoulder - 3/8" NF

1шт.

17153

O-RING,0.103" Thk x 0.674" ID, -115, Cl 5, 75 Duro

NUT - self locking - 3/8" NF

1шт.

32

209930

BRACKET

1шт.

33

7389

WASHER - flat - 7/16"

2шт.

17167

LOCK NUT

NUT - self locking - 3/8" NC

2шт.

34

40815

ENGINE MOUNT

BEARING

1шт.

35

209927

BELLCRANK

1шт.

49793

GUARD

FITTING - grease - 1/4" NPT (65 degrees)

1шт.

36

27134

BALLJOINT

1шт.

17153

O-RING,0.103" Thk x 0.674" ID, -115, Cl 5, 75 Duro

NUT - self locking - 3/8" NF

1шт.

37

80385

SET SCREW,Serrated, 1/2" x 3/4"

ROD - link

1шт.

38

4245

SEAL KIT

NUT - jam - 1/2" NF

2шт.

Выбрано товаров: 53