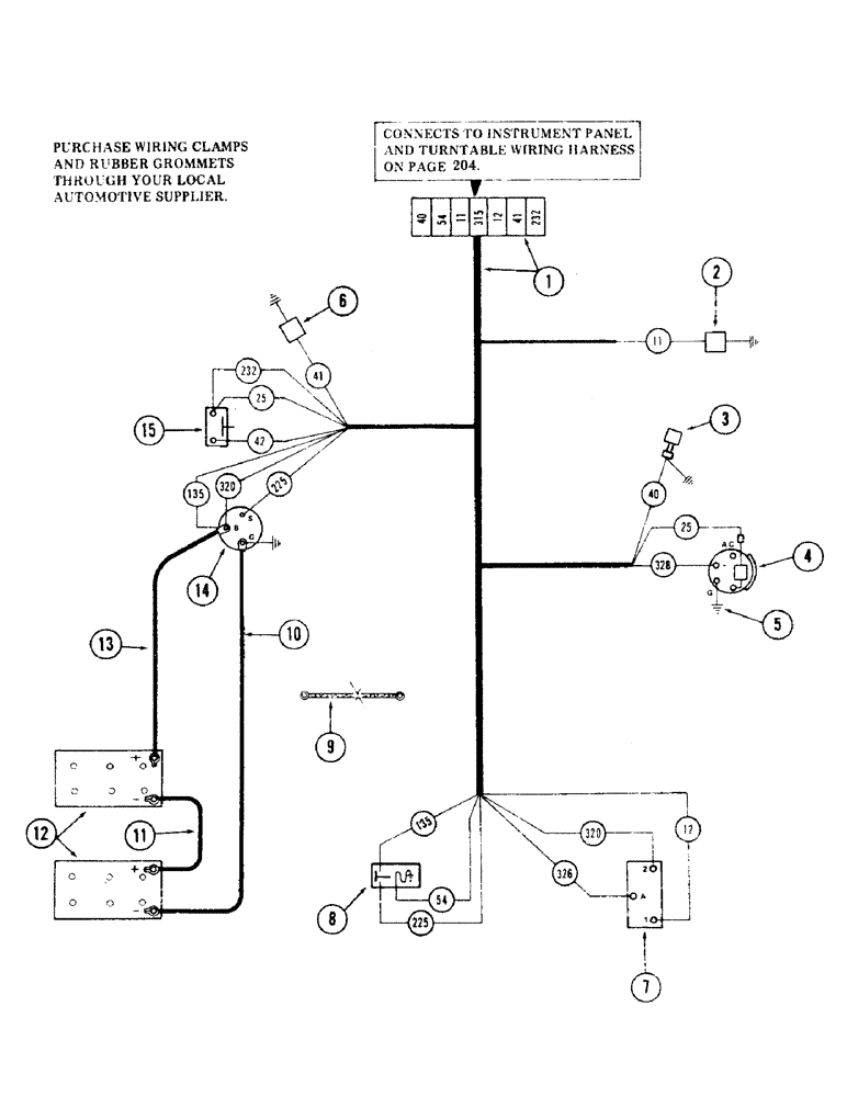
Запчасти Case 35 (208) - ENGINE WIRING HARNESS FOR: CASE 336BDT DIESEL ENGINE, (USED ON UNITS PIN 6266131 THRU 6266300) (55) - ELECTRICAL SYSTEMS

Схема запчастей Case 35 - (208) - ENGINE WIRING HARNESS FOR: CASE 336BDT DIESEL ENGINE, (USED ON UNITS PIN 6266131 THRU 6266300) (55) - ELECTRICAL SYSTEMS
FIT
1:1
100%

Артикул

Название

Примечание

Количество

1

S609758

WIRING HARNESS, engine

1шт.

S99515

PLUG

CONNECTOR, electrical (9 contact) - (Male)

1шт.

2

S27825

TEMPERATURE SENDER

SENDING UNIT, engine temperature - (Used on units with PIN 6266131 thru 6266240)

1шт.

S108396

SENDER UNIT

SENDING UNIT, engine temperature - (Used on units with PIN 6266241 and after)

1шт.

3

REF

INSTRUCTION

KIT, cold weather starting - (For breakdown, see Fig. 242)

1шт.

4

S512737

ALTERNATOR

- 12 volt with regulator

1шт.

A41361

PULLEY

alternator

1шт.

S113717

KIT

adapter

1шт.

223-178

TERMINAL CONNECTOR

TERMINAL, male connnector

1шт.

223-166

CONNECTOR, ELEC

CONNECTOR BODY, female

1шт.

193-8

LOCK WASHER,Ext Tooth, 1/4"

WASHER, LOCK, Ext Tooth, 1/4"

1шт.

7770

NUT,Hex, 1/4 - 20, Cl 5

1/4"-20, G5

1шт.

5

S214163

WIRE, jumper ground - 12 gauge wire x 8" long - (Alternator to engine) - (Use existing mounting hardware)

1шт.

6

S27826

SENDER UNIT

SENDING UNIT, oil pressure - (Mounts to 217-1160 tee) (Used on units with PIN 6266131 thru 6266240)

1шт.

S108398

TRANSMITTER

SENDING UNIT, oil pressure - (Mounts to 217-1160 tee) (Used on units with PIN 6266241 and after)

1шт.

7

S229871

BOX

CONTROL, dual voltage charge - (12/24 volt)

1шт.

174-97

SCREW,Sl Rnd Hd, #10 - 32 x 1/2"

machine - no. 10 NF x 1/2"

4шт.

192-18

LOCK WASHER,Helical Spring, #10, 0.196" ID, CST, ZND

WASHER, LOCK, #10

4шт.

129-37

NUT,#10-32

4шт.

8

S26663

SOLENOID

RELAY

1шт.

195-516

WASHER,#12

flat - 1/4"

2шт.

86625061

NUT,1/4"-20, GB

NUT, self locking - 1/4" NC

2шт.

9

S81455

STRAP

CABLE, ground - (Engine to turntable) - (Cable to engine use existing hardware)

1шт.

131-52

NUT,3/8"-16, GC

NUT, self locking - 3/8" NC - (Cable turntable)

1шт.

195-525

WASHER,3/8", SAE

flat - 3/8"

1шт.

10

S234973

CABLE PULLING GRIP

CABLE, battery - (Battery ground to starter ground)

1шт.

11

S235493

NEG BATTERY CABLE

CABLE, battery -, Serial Range: (Battery-battery)

1шт.

12

A145205

WET BATTERY

- 12 volt - (Dry)

2шт.

13

S223593

CABLE PULLING GRIP

CABLE, battery -, Serial Range: (Battery-starter)

1шт.

14

STARTER - (Furnish with engine)

1шт.

15

S63884

SWITCH

pressure - (Mounts to S17977 tee)

1шт.

217-1079

HYD CONNECTOR,1/8" - 27 NPTF

ADAPTER - 1/8" NPT male x 1/8" MPT male - (Into engine)

1шт.

217-1160

TEE,1/8"-27 Female

- 1/8" NPT female x 1/8" NPT female x 1/8" NPT female - (Onto 217-1079 adapter)

1шт.

Выбрано товаров: 33