Запчасти Case 35 (214) - ENGINE WIRING HARNESS FOR: DETROIT DIESEL 4-53 ENGINE (USED ON UNITS WITH PIN 6266301 AND AFTER) (55) - ELECTRICAL SYSTEMS

Схема запчастей Case 35 - (214) - ENGINE WIRING HARNESS FOR: DETROIT DIESEL 4-53 ENGINE (USED ON UNITS WITH PIN 6266301 AND AFTER) (55) - ELECTRICAL SYSTEMS
FIT
1:1
100%

Артикул

Название

Примечание

Количество

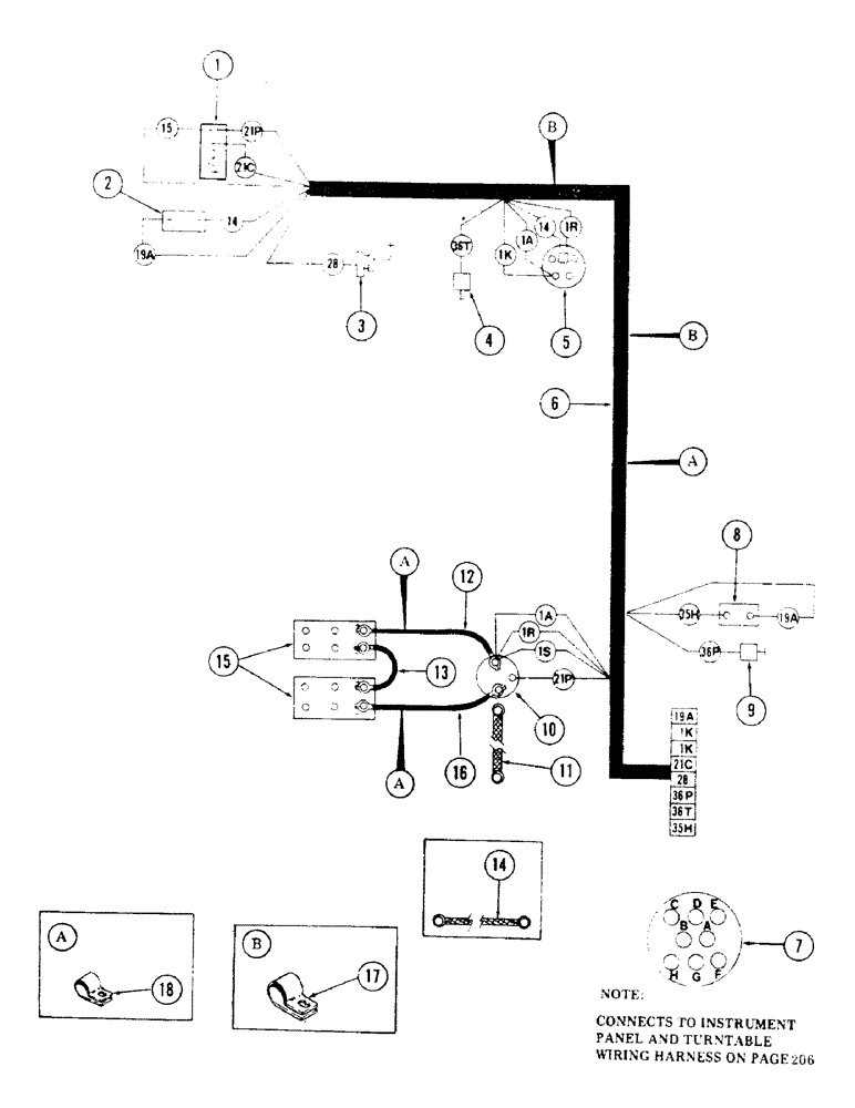
1

S219533

SOLENOID

RELAY

1шт.

2

S237284

RESISTOR

1шт.

3

REF

INSTRUCTION

COLD START - (Optional) (See Fig. 242)

1шт.

4

S108396

SENDER UNIT

SENDING UNIT - engine temperature

1шт.

5

REF

INSTRUCTION

ALTERNATOR - 24 volt with regulator (See Fig. 216)

1шт.

7770

NUT,Hex, 1/4 - 20, Cl 5

1/4"-20, G5

1шт.

192-19

LOCK WASHER,Helical Spring, 0.256" ID, CST, ZND

WASHER, LOCK, 1/4"

1шт.

S513739

PULLEY - alternator

1шт.

S114639

NUT

- pulley

1шт.

6

S64350

WIRING HARNESS - engine

1шт.

7

S107265

PLUG

CONNECTOR - electrical, 8 contact

1шт.

8

S63884

SWITCH

- pressure (Oil pressure)

1шт.

217-1079

HYD CONNECTOR,1/8" - 27 NPTF

NIPPLE - 1/8" PT hex

1шт.

217-1160

TEE,1/8"-27 Female

- 1/8" PT

1шт.

9

S108398

TRANSMITTER

SENDING UNIT - oil pressure

1шт.

10

REF

INSTRUCTION

STARTER - (With engine)

1шт.

11

S229640

CABLE

- ground, Serial Range: (Starter-engine)

1шт.

12

S236999

CABLE PULLING GRIP

CABLE - battery, Serial Range: (Starter-battery)

1шт.

13

S237885

NEG BATTERY CABLE

CABLE - battery, Serial Range: (Battery-battery)

1шт.

14

S229640

CABLE

- ground, Serial Range: (Engine-turntable)

1шт.

195-525

WASHER,3/8", SAE

- flat 3/8"

2шт.

131-52

NUT,3/8"-16, GC

NUT - lock 3/8" NC hex

1шт.

15

A145205

WET BATTERY

- 12 volt - (Dry)

2шт.

16

S223593

CABLE PULLING GRIP

CABLE - battery -, Serial Range: (Battery-starter)

1шт.

17

R14668

CLAMP

2шт.

18

515-23159

CLAMP,5/8", Insul, 3/8" Bolt

5шт.

Выбрано товаров: 26