Запчасти Case 35 (222) - OPTIONAL WORK LIGHTS AND ATTACHING PARTS, (USED ON UNITS WITH PIN 6266131 THRU 6266300) (55) - ELECTRICAL SYSTEMS

Схема запчастей Case 35 - (222) - OPTIONAL WORK LIGHTS AND ATTACHING PARTS, (USED ON UNITS WITH PIN 6266131 THRU 6266300) (55) - ELECTRICAL SYSTEMS
FIT
1:1
100%

Артикул

Название

Примечание

Количество

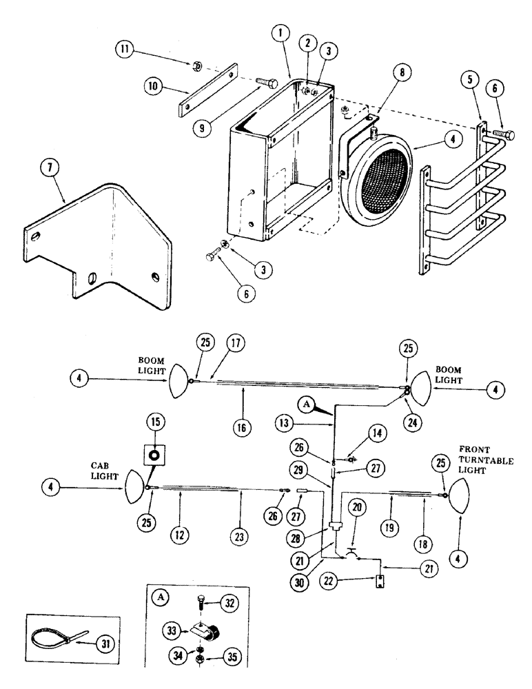
1

S212579

GUARD

housing

3шт.

2

129-103

NUT,Hex, 3/8" - 16, Gr 5

NUT, 3/8"-16, G5

16шт.

3

192-21

LOCK WASHER,3/8"

WASHER, LOCK, 3/8"

24шт.

4

S203058

LIGHT

4шт.

5

S212578

PROTECTOR

GUARD, protector

3шт.

6

113-208

BOLT,Hex, 3/8" - 16 x 1-1/4", Gr 5

24шт.

7

S513939

GUARD

- (Mounts on top of cab) - (Supersedes S511592)

1шт.

8

S222287

BRACKET

ASSEMBLY

3шт.

9

80087972

BOLT,Hex, 1/2" - 13 x 2 1/2", Gr 5

- 1/2" NC x 2-1/2" gr 5

2шт.

10

S86493

SPACER

- (Mounts between item 1 and turntable)

1шт.

11

131-492

NUT,1/2"-13

NUT, self locking - 1/2" NC

2шт.

12

S62256

LOOM

- (Bulk) - 1 piece x 21" long

1шт.

13

S74684

CABLE

WIRE - no. 10 gauge (2) conductor S.O. heavy duty - (1 piece x 40" long)

1шт.

14

223-54

TERMINAL CONNECTOR,10 - 12

TERMINAL, eyelet

1шт.

15

A61144

GROMMET,1/2" ID x 13/16" Groove Dia, Str Cut

- (In cab)

2шт.

16

S62256

LOOM

- (Bulk) - 1 piece x 32" long

1шт.

17

S76529

WIRE - no. 10 gauge plastic coated - (1 piece x 34" long)

1шт.

18

S62256

LOOM

- (Bulk) - 1 piece x 8" long

1шт.

19

S76529

WIRE - no. 10 gauge plastic coated - (1 piece x 76" long)

1шт.

20

S88636

IGNITION SWITCH

SWITCH, light

1шт.

21

S234167

WIRE

2шт.

22

S231437

BREAKER

circuit

1шт.

23

S76529

WIRE - no. 10 gauge plastic coated - (1 piece x 190" long)

1шт.

24

223-57

TERMINAL, eyelet

1шт.

25

223-53

TERMINAL, eyelet

4шт.

26

223-191

TERMINAL CONNECTOR,14 - 16

TERMINAL, male wire

3шт.

28

223-270

CONNECTOR, 3 plug

1шт.

29

S234166

WIRE, jumper

1шт.

30

S234167

WIRE, jumper

1шт.

31

S73387

CLIP

TIE, cable (Mounts cables and wires)

1шт.

32

113-208

BOLT,Hex, 3/8" - 16 x 1-1/4", Gr 5

1шт.

33

353-207

PLUG,Sq Drive, 3/4"-14 NPT

CLAMP

1шт.

34

192-21

LOCK WASHER,3/8"

WASHER, LOCK, 3/8"

1шт.

35

129-103

NUT,Hex, 3/8" - 16, Gr 5

NUT, 3/8"-16, G5

1шт.

Выбрано товаров: 34