Запчасти Case 35 (224) - OPTIONAL WORK LIGHTS AND ATTACHING PARTS, (USED ON UNITS WITH PIN 6266301 AND AFTER) (55) - ELECTRICAL SYSTEMS

Схема запчастей Case 35 - (224) - OPTIONAL WORK LIGHTS AND ATTACHING PARTS, (USED ON UNITS WITH PIN 6266301 AND AFTER) (55) - ELECTRICAL SYSTEMS
FIT
1:1
100%

Артикул

Название

Примечание

Количество

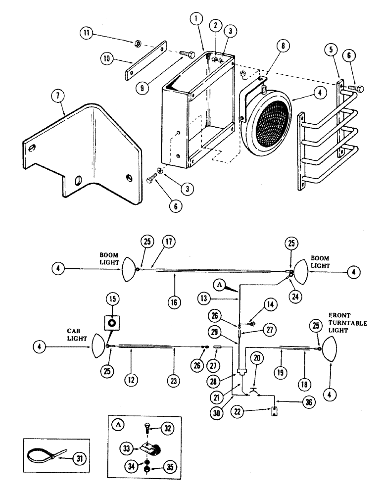
1

S212579

GUARD

housing

3шт.

2

129-103

NUT,Hex, 3/8" - 16, Gr 5

NUT, 3/8"-16, G5

12шт.

3

192-21

LOCK WASHER,3/8"

WASHER, LOCK, 3/8"

15шт.

4

D51222

LIGHT ASSY.

LIGHT

3шт.

5

S212578

PROTECTOR

GUARD - protector

3шт.

6

113-208

BOLT,Hex, 3/8" - 16 x 1-1/4", Gr 5

15шт.

7

S513939

GUARD

- (Mounts on top of cab)

1шт.

8

S222287

BRACKET

ASSY

3шт.

9

80087972

BOLT,Hex, 1/2" - 13 x 2 1/2", Gr 5

- 1/2" x 2-1/2" NC hex (Grade 5)

2шт.

10

S86493

SPACER

- (Mounts between item 1 and turntable)

1шт.

11

131-492

NUT,1/2"-13

NUT - lock 1/2" NC hex

2шт.

12

S62256

LOOM

- 21" long (533.4 MM)

1шт.

13

S74684

CABLE

WIRE - no. 10 21 conductor S.O. heavy duty - 40" long (1016 MM)

1шт.

14

223-54

TERMINAL CONNECTOR,10 - 12

TERMINAL - eyelet

1шт.

15

A61144

GROMMET,1/2" ID x 13/16" Groove Dia, Str Cut

- (In cab)

2шт.

16

A62256

LOOM

- 32" long (812.8 MM)

1шт.

17

S76529

WIRE - no. 10 34" long (863 M)

1шт.

18

S62256

LOOM

- 8" (203 M)

1шт.

19

S76529

WIRE - no. 10-76" long (1930 MM)

1шт.

20

S88636

IGNITION SWITCH

SWITHC - light

1шт.

21

S234167

WIRE - jumper

1шт.

22

S115714

BREAKER

- circuit

1шт.

23

S76529

WIRE - no. 10-19" long (482 MM)

1шт.

24

223-57

TERMINAL - eyelet

1шт.

25

223-53

TERMINAL - eyelet

4шт.

26

223-191

TERMINAL CONNECTOR,14 - 16

TERMINAL - male wire

3шт.

27

223-260

ELECTRICAL WIRE

CONNECTOR - 2 plug

2шт.

28

223-270

CONNECTOR - 3 plug

1шт.

29

S234166

WIRE - jumper

1шт.

30

S234167

WIRE - jumper

1шт.

31

S73387

CLIP

TIE - cable (Mounts cables and wires)

1шт.

32

113-207

BOLT,Hex, 3/8" - 16 x 1", Gr 5

- 3/8" x 1-1/4" NC hex (Grade 5)

1шт.

33

NLS

NO LONGER SERVICED

1шт.

34

192-21

LOCK WASHER,3/8"

WASHER, LOCK, 3/8"

1шт.

35

129-103

NUT,Hex, 3/8" - 16, Gr 5

NUT, 3/8"-16, G5

1шт.

36

S213195

WIRE - jumper

1шт.

Выбрано товаров: 36