Запчасти Case 35 (004) - OPTIONAL TURNTABLE LEVELER, PINS AND HARDWARE (88) - ACCESSORIES

Схема запчастей Case 35 - (004) - OPTIONAL TURNTABLE LEVELER, PINS AND HARDWARE (88) - ACCESSORIES
FIT
1:1
100%

Артикул

Название

Примечание

Количество

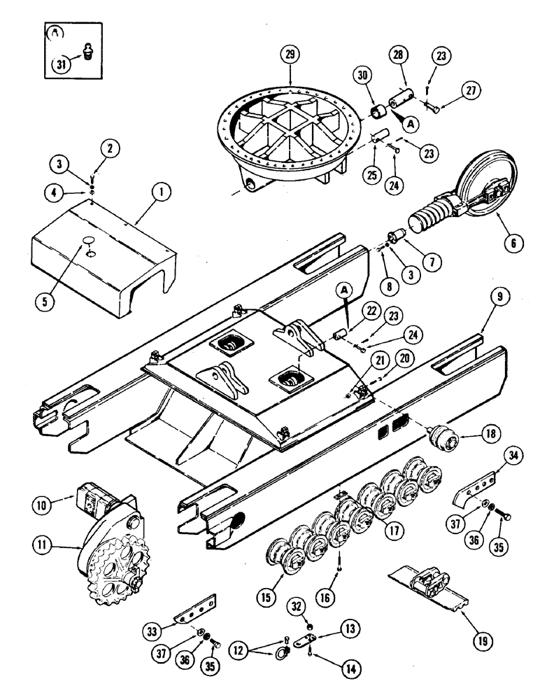
1

S512348

COVER

track motors

1шт.

2

113-417

BOLT,Hex, 1/2" - 13 x 1-1/4", Gr 5, Full Thd

5шт.

3

192-23

LOCK WASHER,1/2"

WASHER, LOCK, 1/2"

9шт.

4

195-105

WASHER,7/16"

flat - 1/2"'

5шт.

5

S105894

CAP

PLUG

1шт.

6

REF

INSTRUCTION

TRACK ADJUSTER ASSEMBLY - (For breakdown, see Fig. 6)

2шт.

7

REF

INSTRUCTION

CYLINDER, track adjustment - (For breakdown, see Fig. 8)

2шт.

8

113-421

BOLT,Hex, 1/2" - 13 x 2", Gr 5

4шт.

9

S954912

BODY

BEARING SUPPORT

1шт.

10

REF

INSTRUCTION

MOTOR, track drive - (For breakdown, see Fig. 178)

2шт.

11

REF

INSTRUCTION

FINAL DRIVE - (For breakdown, see Fig. 14)

2шт.

12

240-11

SHACKLE

round pin - (Optional)

1шт.

13

S209710

PLATE

DRAW BAR - (Optional)

1шт.

14

13-1252

BOLT,Hex, 3/4" - 10 x 3-1/4", Gr 5

4шт.

15

REF

INSTRUCTION

ROLLER, track (For breakdown, see Fig. 10)

14шт.

16

13-1264

BOLT,Hex, 3/4" - 10 x 4", Gr 5

56шт.

17

S91175

BAR

28шт.

18

REF

INSTRUCTION

ROLLER, track - (For breakdown, see Fig. 10)

4шт.

19

REF

INSTRUCTION

TRACK ASSEMBLY - (For breakdown, see Fig. 12)

2шт.

20

113-427

BOLT,Hex, 1/2" - 13 x 3-1/4", Gr 5

4шт.

21

131-70

NUT,1/2"-13, GB

NUT, self locking - 1/2" NC

4шт.

22

S78317

PIN

cylinder to lower leveler

2шт.

23

132-69

COTTER PIN,5/32" x 1"

Pin, Split (Cotter), 5/32" x 1"

6шт.

24

S61973

AXLE PIN

PIN, clevis - 1/2" x 3.76" grip length

2шт.

25

S78554

PIN

cylinder to upper leveler

2шт.

26

S61974

PIN

clevis - 1/2" x 4.266" grip length

2шт.

27

S61976

CLEVIS PIN

PIN, clevis - 5/8" x 4.516" grip length

2шт.

28

S72631

PIN

upper, Serial Range: leveler-bottom

2шт.

29

S56800

LEVEL

ER, upper

1шт.

30

S202163

BUSHING

2шт.

31

219-1

LUBE NIPPLE,1/8" - 27 NPTF

FITTING, grease - 1/8" NPT - (Straight)

4шт.

32

131-450

NUT,3/4"-10

NUT, self locking - 3/4" NC

4шт.

33

S511364

BAR ASSY.

BAR, wear - (Left hand)

4шт.

34

S511363

BAR

wear - (Right hand)

4шт.

35

26-820

BOLT,Hex, 1/2" - 13 x 1-1/4", Gr 8

- 1/2" NC x 1-1/2" gr 5

16шт.

36

192-23

LOCK WASHER,1/2"

WASHER, LOCK, 1/2"

16шт.

37

196-15

WASHER,17/32" x 1 1/6" x .134"

flat - 1/2"

16шт.

Выбрано товаров: 37