Запчасти Case 35 (022) - ENGINE AND ATTACHING PARTS FOR: CASE 336BDT DIESEL ENGINE (10) - ENGINE

Схема запчастей Case 35 - (022) - ENGINE AND ATTACHING PARTS FOR: CASE 336BDT DIESEL ENGINE (10) - ENGINE
FIT
1:1
100%

Артикул

Название

Примечание

Количество

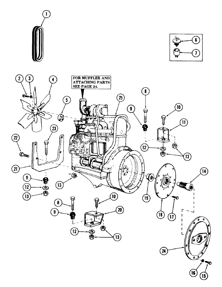
1

S86287

SET OF BELTS,0.69" W x 62.00" L

V- Belt, Alternator (Matched set of 2) 0.69" W x 62.00" L

1шт.

2

113-219

BOLT,Hex, 3/8" - 16 x 2", Gr 5

Fan to engine Hex, 3/8"-16 x 2", G5

4шт.

3

192-21

LOCK WASHER,3/8"

WASHER, LOCK, 3/8"

4шт.

4

A15519

FAN

engine

1шт.

5

A61283

BUSHING

SPACER, fan

1шт.

6

S236763

PLUG

filler

1шт.

7

S236764

PIPE

oil filler

1шт.

8

13-1268

BOLT,Hex, 3/4" - 10 x 4-1/4", Gr 5

- 3/4" NC x 4-1/4" gr 5 (Bracket to turntable)

2шт.

9

S93392

MOUNTING PARTS

MOUNT, rubber

3шт.

10

13-1252

BOLT,Hex, 3/4" - 10 x 3-1/4", Gr 5

(Bracket to engine) Hex, 3/4"-10 x 3 1/4", G5

2шт.

11

S220155

BRACKET, engine mounting - (Right rear)

1шт.

12

195-2270

WASHER,13/16" x 3" x .238", HDN

snubbing

3шт.

13

131-450

NUT,3/4"-10

NUT, self locking - 3/4" NC

9шт.

14

S63201

COUPLING

1шт.

15

113-207

BOLT,Hex, 3/8" - 16 x 1", Gr 5

(Pump mount to engine) Hex, 3/8"-16 x 1", G5, Full Thd

10шт.

113-209

BOLT,Hex, 3/8" - 16 x 1-1/2", Gr 5

(Pump mount and relay bracket to engine) Hex, 3/8"-16 x 1 1/2", G5

2шт.

16

192-21

LOCK WASHER,3/8"

WASHER, LOCK, 3/8"

12шт.

17

121-204

BOLT,Lock Place, Hex, 3/8" - 16 x 5/8", Gr 8

- 3/8" NC x 5/8" gr 8 - (Damper to engine)

8шт.

18

S33201

DAMPER

DAMPENER

1шт.

19

S87483

ADAPTER

1шт.

20

S220156

BRACKET, engine mounting - (Left rear)

1шт.

21

S219772

BRACKET, engine mounting - (Front)

1шт.

22

13-1248

BOLT,Hex, 3/4" - 10 x 3", Gr 5

(Bracket to engine) Hex, 3/4"-10 x 3", G5

4шт.

23

13-1272

BOLT,Hex, 3/4" - 10 x 4-1/2", Gr 5

(Bracket to turntable) Hex, 3/4"-10 x 4 1/2", G5

1шт.

24

S52615

MOUNTING PARTS

MOUNT, hydraulic pump

1шт.

25

A66369

ENGINE, CASE 336 BDT diesel - (Used on units with PIN 6266131 thru 6266186)

1шт.

A153249

ENGINE, CASE 336 BDT diesel - (Used on units with PIN 6266187)

1шт.

Выбрано товаров: 27