Запчасти Case 35 (028) - ENGINE AND ATTACHING PARTS FOR: DETROIT DIESEL 4-53 ENGINE (10) - ENGINE

Схема запчастей Case 35 - (028) - ENGINE AND ATTACHING PARTS FOR: DETROIT DIESEL 4-53 ENGINE (10) - ENGINE
FIT
1:1
100%

Артикул

Название

Примечание

Количество

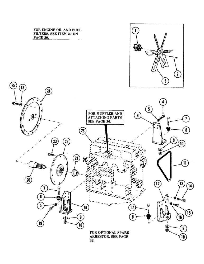
1

S97486

FAN

SPACER, fan

1шт.

2

113-122

BOLT,Hex, 5/16" - 18 x 1-1/2", Gr 5

6шт.

3

S114034

FAN, engine

1шт.

4

113-417

BOLT,Hex, 1/2" - 13 x 1-1/4", Gr 5, Full Thd

(Bracket to engine) Hex, 1/2"-13 x 1 1/4", G5, Full Thd

4шт.

5

192-23

LOCK WASHER,1/2"

WASHER, LOCK, 1/2"

8шт.

6

S505899

BRACKET, engine mounting - (Left rear)

1шт.

7

13-1268

BOLT,Hex, 3/4" - 10 x 4-1/4", Gr 5

- 3/4" NC x 4-1/4" gr 5 - (Bracket to turntable)

2шт.

8

S93392

MOUNTING PARTS

MOUNT, rubber

3шт.

9

195-2270

WASHER,13/16" x 3" x .238", HDN

snubbing

3шт.

10

131-16

LOCK NUT,3/4"-10, GB

LOCKNUT, 3/4"-10, GB

3шт.

11

S27955

SET OF BELTS,0.38" W

V Belt, Alternator (Matched set of 2) 0.38" W

1шт.

12

S505897

BRACKET, engine mounting

1шт.

13

192-21

LOCK WASHER,3/8"

WASHER, LOCK, 3/8"

16шт.

14

113-252

BOLT,Hex, 3/8" - 16 x 3-3/4", Gr 5

Bracket to engine Hex, 3/8"-16 x 3 3/4", G5

4шт.

15

113-312

BOLT,Hex, 7/16" - 14 x 1-1/4", Gr 5

(Bracket to engine) Hex, 7/16"-14 x 1 1/4", G5

2шт.

16

192-22

LOCK WASHER,7/16"

WASHER, LOCK, 7/16"

2шт.

17

13-1272

BOLT,Hex, 3/4" - 10 x 4-1/2", Gr 5

(Bracket to turntable) Hex, 3/4"-10 x 4 1/2", G5

1шт.

18

S505901

BRACKET, engine mounting - (Right rear)

1шт.

19

80087972

BOLT,Hex, 1/2" - 13 x 2 1/2", Gr 5

- 1/2" NC x 2-1/2" gr 5 - (Bracket to engine)

4шт.

20

S63201

COUPLING

1шт.

21

S63071

SPACER

1шт.

22

S502452

DAMPER

DAMPENER

1шт.

23

121-204

BOLT,Lock Place, Hex, 3/8" - 16 x 5/8", Gr 8

- 3/8" NC x 5/8" gr 8 - (Dampener to engine)

8шт.

24

S52615

MOUNTING PARTS

MOUNT, hydraulic pump

1шт.

25

113-207

BOLT,Hex, 3/8" - 16 x 1", Gr 5

(Pump mount to engine) Hex, 3/8"-16 x 1", G5, Full Thd

10шт.

113-208

BOLT,Hex, 3/8" - 16 x 1-1/4", Gr 5

(Pump mount and relay bracket to engine) Hex, 3/8"-16 x 1 1/4", G5, Full Thd

2шт.

26

S612268

ENGINE, DETROIT DIESEL 4-53 - (Used on units with PIN 6266131 thru 6266266)

1шт.

S614155

ENGINE, DETROIT DIESEL - 4-53 - (Used on units with PIN 6266267 and after)

1шт.

27

S105608

ELEMENT

engine oil filter - (Not illustrated)

1шт.

A19578

ELEMENT

engine fuel strainer - (Not illustrated)

1шт.

A19579

ELEMENT

engine fuel filter - (Not illustrated)

1шт.

Выбрано товаров: 31