Запчасти Case 35 (122) - POWER SENSING TUBING (35) - HYDRAULIC SYSTEMS

Схема запчастей Case 35 - (122) - POWER SENSING TUBING (35) - HYDRAULIC SYSTEMS
FIT
1:1
100%

Артикул

Название

Примечание

Количество

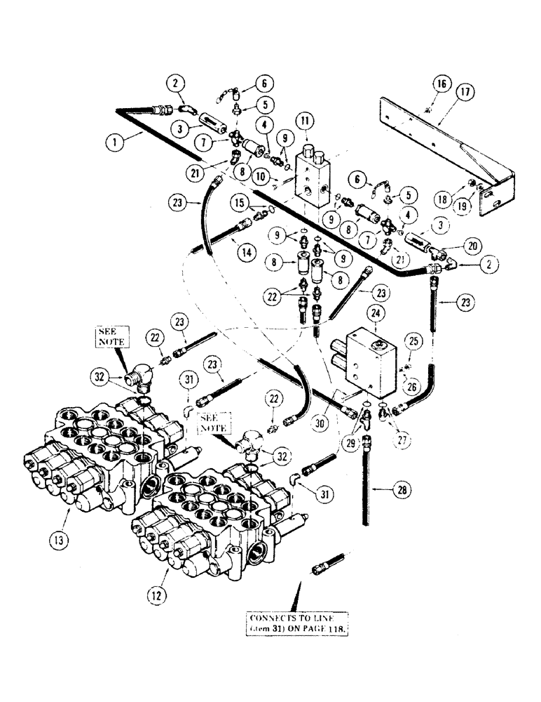
1

S99421

HOSE ASSY.

HOSE - high pressure - 3/8" ID x 23" long - (With 9/16" - 18 female pressed on couplings)

1шт.

2

218-483

ELBOW,90 Degree Elbow, 9/16" - 18 Male JIC x 1/4" - 18 Male NPTF

- 90 degrees - (3/8" tube) - 1/4" NPT male x 9/16" - 18 male - 37 degrees flared)

2шт.

3

S110789

VALVE

- check

2шт.

4

S233837

NOZZLE CAP

VENT -orifice

2шт.

5

S206607

DISC

ONNECT - quick

2шт.

6

S206608

CAP

- dust

2шт.

7

S111366

CROSS

2шт.

8

S98004

FILTER

4шт.

9

S11271

FITTING

CONNECTOR - (3/8" tube) - 9/16" - 18 male x 1/4" NPT male - 37 degrees flared

4шт.

S6059

O-RING,0.078" Thk x 0.468" ID, -906, Cl 6, 90 Duro

"O" RING - .406" ID x .547" OD

4шт.

10

113-12

BOLT,Hex, 1/4" - 20 x 2-1/2", Gr 5

- 1/4" x 2-1/2" NC (Grade 5)

2шт.

11

REF

INSTRUCTION

VALVE - power sensing relief - (For breakdown, see Fig. 180)

1шт.

12

REF

INSTRUCTION

VALVE - 4-spool main control - (Inside) - (For breakdown, see Fig. 198)

1шт.

13

REF

INSTRUCTION

VLAVE - 4-spool main control - (Outside) - )For breakdown, see Figs. 194 or 196)

1шт.

14

S227395

HOSE

- high pressure - 1/2" ID x 21" long - (With 9/16" - 18 female pressed on couplings)

1шт.

15

S7962

FITTING

CONNECTOR - (3/8" tube) - 3/4" - 16 male x 9/16" - 18 male - 37 degrees flared

1шт.

S6061

O-RING,0.639" ID x 0.09" Width

"O" RING - .644" ID x .818" OD

1шт.

16

86625061

NUT,1/4"-20, GB

NUT - lock - 1/4" NC

2шт.

17

S512938

BRACKET - valve mounting

1шт.

18

131-70

NUT,1/2"-13, GB

NUT - 1/2" NC

2шт.

19

S95569

WASHER

- flat 1/2"

2шт.

20

218-5222

TEE,37 Degree, 9/16"-18, x 9/16"-18, Fem Sw Run

- (3/8" tube) - 18 male x 9/16" - 18 female x 9/16" - 18 male 37 degrees flared

1шт.

21

218-5172

ELBOW,45 Degree Elbow, 9/16" - 18 Male JIC x 9/16" - 18 Female JIC

- 45 degrees swivel - (3/8" tube) - 9/16" - 18 male x 9/16" - 18 female - 37 degrees flared

2шт.

22

218-443

HYD CONNECTOR,9/16" - 18 Male JIC x 1/4" - 18 Male NPTF

ADAPTER - (3/8" tube) - 9/16" - 18 male x 1/4" NPT male - 37 degrees flared

4шт.

23

S77121

HOSE

- high pressure - 1/4" ID x 20" long - (With 9/16" - 18 female pressed on couplings)

5шт.

24

REF

INSTRUCTION

VALVE - solenoid monoblock - (For breakdown, see Figs. 182 or 184)

1шт.

223-61

TERMINAL CONNECTOR,14 - 16

TERMINAL - straight eyelet

1шт.

25

131-462

NUT,5/16"-18

NUT - lock - 5/16" NC

2шт.

26

195-102

WASHER,1/4"

- flat 5/16"

2шт.

27

76344

90 ELBOW,9/16" - 18 JIC x 9/16" - 18 ORB

Adjustable (3/8" tube) 90º, 9/16"-18, 37º x 9/16"-18, O-Ring

1шт.

S6059

O-RING,0.078" Thk x 0.468" ID, -906, Cl 6, 90 Duro

"O" RING - .406" ID x .547" OD

1шт.

28

S227396

HOSE ASSY.

HOSE - high pressure - 3/8" ID x 50" long - (With 9/16" - 18 female pressed on couplings)

1шт.

29

S60869

FITTING

TEE - adjustable - (3/8" tube) - 9/16" - 18 male x 9/16" - 18 male x 9/16" - 18 male - 37 degrees flared

1шт.

S6059

O-RING,0.078" Thk x 0.468" ID, -906, Cl 6, 90 Duro

"O" RING - .406" ID x .547" OD

1шт.

Выбрано товаров: 34