Запчасти Case 35 (002) - CRAWLER UNDERCARRIAGE AND ATTACHING PARTS (39) - FRAMES AND BALLASTING

Схема запчастей Case 35 - (002) - CRAWLER UNDERCARRIAGE AND ATTACHING PARTS (39) - FRAMES AND BALLASTING
FIT
1:1
100%

Артикул

Название

Примечание

Количество

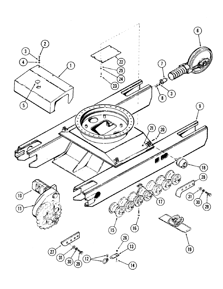
1

S512348

COVER

track motors

1шт.

2

113-417

BOLT,Hex, 1/2" - 13 x 1-1/4", Gr 5, Full Thd

5шт.

3

192-23

LOCK WASHER,1/2"

WASHER, LOCK, 1/2"

9шт.

4

195-105

WASHER,7/16"

flat - 1/2"

5шт.

5

S105894

CAP

PLUG

1шт.

6

REF

INSTRUCTION

TRACK ADJUSTER ASSEMBLY - (For breakdown, see Fig. 6)

2шт.

7

REF

INSTRUCTION

CYLINDER, track adjustment - (For breakdown, see Fig. 8)

2шт.

8

113-421

BOLT,Hex, 1/2" - 13 x 2", Gr 5

4шт.

9

S511346

BEARING SUPPORT

1шт.

10

REF

INSTRUCTION

MOTOR, track drive - (For breakdown, see Fig. 178)

2шт.

11

REF

INSTRUCTION

FINAL DRIVE - (For breakdown, see Fig. 14)

2шт.

12

240-11

SHACKLE

round pin - (Optional)

1шт.

13

S209710

PLATE

DRAW BAR - (Optional)

1шт.

14

13-1252

BOLT,Hex, 3/4" - 10 x 3-1/4", Gr 5

4шт.

15

REF

INSTRUCTION

ROLLER, track - (For breakdown, see Fig. 10)

14шт.

16

13-1264

BOLT,Hex, 3/4" - 10 x 4", Gr 5

56шт.

17

S91175

BAR

28шт.

18

REF

INSTRUCTION

ROLER, track - (For breakdown, see Fig. 10)

4шт.

19

REF

INSTRUCTION

TRACK ASSEMBLY - (For breakdown, see Fig. 12)

2шт.

20

113-427

BOLT,Hex, 1/2" - 13 x 3-1/4", Gr 5

4шт.

21

131-70

NUT,1/2"-13, GB

NUT, self locking - 1/2" NC

4шт.

22

S513354

GUARD

swivel - (Supersedes S299265)

1шт.

23

113-424

BOLT,Hex, 1/2" - 13 x 1", Gr 5, Full Thd

- 1/2" NC x 1-1/4" gr 5

4шт.

24

192-23

LOCK WASHER,1/2"

WASHER, LOCK, 1/2"

4шт.

25

195-105

WASHER,7/16"

flat - 1/2"

4шт.

26

131-450

NUT,3/4"-10

NUT, self locking - 3/4" NC

4шт.

27

S511364

BAR ASSY.

BAR, wear - (Left hand)

4шт.

28

S511363

BAR

wear - (Right hand)

4шт.

29

26-820

BOLT,Hex, 1/2" - 13 x 1-1/4", Gr 8

- 1/2" NC x 1-1/2" gr 5

16шт.

30

192-23

LOCK WASHER,1/2"

WASHER, LOCK, 1/2"

16шт.

31

196-15

WASHER,17/32" x 1 1/6" x .134"

flat - 1/2'

16шт.

Выбрано товаров: 31