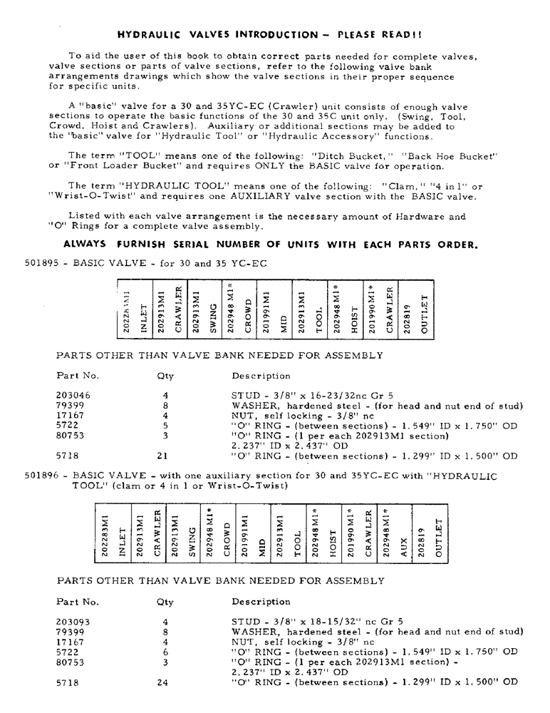
Запчасти Case 35YC (H10) - HYDRAULIC VALVES INTRODUCTION - PLEASE READ!! (07) - HYDRAULIC SYSTEM

Схема запчастей Case 35YC - (H10) - HYDRAULIC VALVES INTRODUCTION - PLEASE READ!! (07) - HYDRAULIC SYSTEM
FIT
1:1
100%