Запчасти Case 35YC (149A) - TURNTABLE WIRING HARNESS AND ELECTRICAL COMPONENTS (06) - ELECTRICAL SYSTEMS

Схема запчастей Case 35YC - (149A) - TURNTABLE WIRING HARNESS AND ELECTRICAL COMPONENTS (06) - ELECTRICAL SYSTEMS
FIT
1:1
100%

Артикул

Название

Примечание

Количество

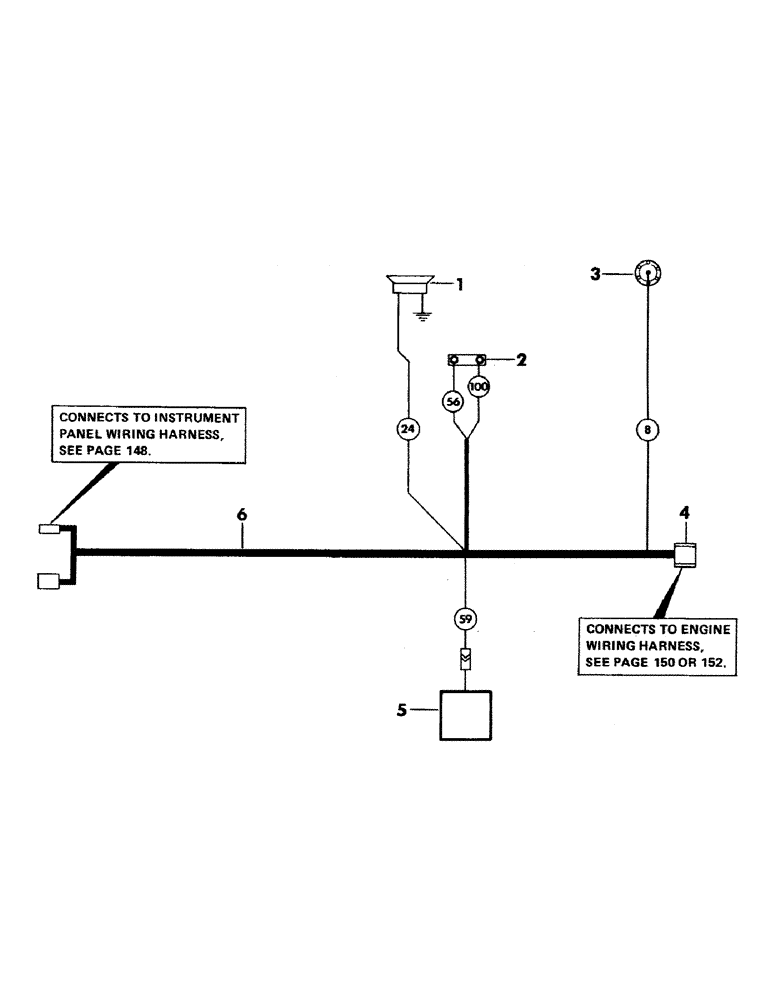
1

S203189

HORN

1шт.

S7378

WASHER

flat - 1/4" -, Serial Range: (Spacer-horn)

1шт.

S203190

BRACKET

horn mounting

1шт.

S64752

NUT

- (Horn to horn mounting bracket)

1шт.

7770

NUT,Hex, 1/4 - 20, Cl 5

- 1/4" NC - (Horn mounting bracket to unit)

1шт.

S4395

WASHER, LOCK

- 1/4"

1шт.

S7385

INSTRUCTION

WASHER, flat - 1/4"

1шт.

S62256

LOOM

(Bulk) - 1 piece - 22" long

1шт.

2

S67614

SWITCH

micro - (Brake warning)

1шт.

S14575

SCREW, machine - No. 6 NC x 1-1/4" - (Mounts switch to mounting bracket)

2шт.

S7338

WASHER

lock - No. 6 - (Internal tooth)

2шт.

S17261

NUT

- No. 6

2шт.

231-1444

NUT,1/4"-20, GB

NUT, LOCK, (On Terminals of Micro Switch) 1/4"-20, GB

2шт.

S7377

WASHER

flat - 1/4"

2шт.

S73387

CLIP

TIE, cable

1шт.

3

SENDING UNIT, fuel gauge - (See item 8 on page 28)

1шт.

S62256

LOOM

(BULK) - 1 piece - 125" long - (Around wire for protection)

1шт.

S77479

CLAMP,1/8", Insul, 1/4" Bolt

- (Wire to turntable)

7шт.

S48576

NUT

7шт.

4

S72153

CONNECTOR BODY

1шт.

5

HEATER - (For breakdown)

1шт.

6

S223281

ELECTRICAL WIRE

WIRING HARNESS, turntable - (Supersedes S220678)

1шт.

Change in listing.

1шт.

S73386

FASTENER

TIE, cable - (Around connector bodies of harness to secure them together)

1шт.

S78162

CLAMP

- (Wiring, Serial Range: harness-turntable)

1шт.

S15541

CLAMP

- (Wiring, Serial Range: harness-turntable)

2шт.

S17167

INSTRUCTION

NUT, self locking - 3/8" NC

2шт.

S15541

CLAMP

- (Wiring harness to throttle lever cpsw)

1шт.

S2351

BOLT

CPSW - 1/4" NC x 1" Gr 5 - (Mounts clamp)

1шт.

S7378

WASHER

flat - 1/4"

1шт.

231-1444

NUT,1/4"-20, GB

NUT, LOCK, 1/4"-20, GB

1шт.

Выбрано товаров: 31