Запчасти Case 35YC (109) - HOIST CYLINDER HYDRAULICS (07) - HYDRAULIC SYSTEM

Схема запчастей Case 35YC - (109) - HOIST CYLINDER HYDRAULICS (07) - HYDRAULIC SYSTEM
FIT
1:1
100%

Артикул

Название

Примечание

Количество

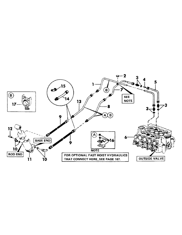
1

S502083

LINE

hydraulic

1шт.

2

S9419

CAP ASSY.

CAP - (1" tube) - 1-5/16" - 12 female - 37 degree flared - (See description of item 7 below)

1шт.

3

S7972

CONNECTOR, ELEC

CONNECTOR - (1" tube) - 1-5/16" - 12 male x 1-5/16" - 12 male - 37 degree flared - (Includes "o" ring)

3шт.

S6069

O-RING,1.171" ID x 0.116" Width

"O" RING - 1.171" ID x 1.403" OD

3шт.

4

S79252

REGULATOR

flow

1шт.

5

S502084

TUBE,1.25" OD

LINE, hydraulic

1шт.

6

VALVE, 4-spool main control - (For breakdown, see figure 143)

1шт.

7

S506138

TUBE ASSY.,0.625" OD x 11, 3.25" L

LINE, hydraulic - (When ordering S506138 hydraulic line for units without fast hoist the S9419 cap (Item 2) would have to ordered in addition)

1шт.

8

S502086

LINE

hydraulic

1шт.

9

S8628

HOSE

high pressure - 1" ID x 36" long - (With 1-5/16" - 12 female pressed on couplings)

2шт.

10

S7943

ELBOW

90 degree adjustable - (1" tube) - 1-5/16" - 12 male x 1-5/16" - 12 female - 37 degree flared - (Includes "o" ring)

2шт.

S6069

O-RING,1.171" ID x 0.116" Width

"O" RING - 1.171" ID x 1.403" OD

2шт.

11

CYLINDER, hoist - (For breakdown, see figures 117 thru 121)

1шт.

12

S78482

ROD

- (Acts as stop for hose) - (Used with "E" boom only)

1шт.

S211829

ROD - (Acts as stop for hose) - (Used with "Y" boom only)

1шт.

13

S502085

LINE, hydraulic 1.25" OD

1шт.

14

S211848

LINE

hydraulic - (Used with "E" boom only)

1шт.

15

S9494

ELBOW

45 degree swivel - (1" tube) - 1-5/16" - 12 male x 1-5/16" - 12 female - 37 degree flared - (Used with "Y" boom only)

1шт.

16

S74460

CLAMP - (Used on units with serial number 300 thru 707)

1шт.

S86720

BAR

1шт.

S7385

INSTRUCTION

WASHER, flat - 3/8"

1шт.

S17167

INSTRUCTION

NUT, self locking - 3/8" NC

1шт.

17

S93266

CLAMP

- (Used on units with serial number 708 and after)

1шт.

Выбрано товаров: 23