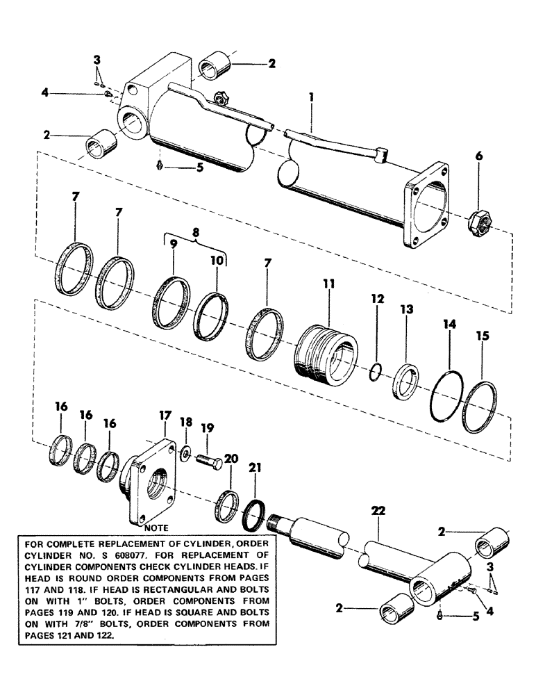
Запчасти Case 35YC (121) - HOIST AND CROWD CYLINDER, (6.53" ID X 45.50" STROKE) (07) - HYDRAULIC SYSTEM

Схема запчастей Case 35YC - (121) - HOIST AND CROWD CYLINDER, (6.53" ID X 45.50" STROKE) (07) - HYDRAULIC SYSTEM
FIT
1:1
100%

Артикул

Название

Примечание

Количество

S608077

CYLINDER

hoist and crowd - complete (Consists of items 1 thru 22) - (Supersedes S602299 and S606093)

2шт.

1

S608078

TUBE

cylinder - (Includes items 2 and 3)

1шт.

2

S225645

BUSHING

4шт.

3

S14046

SET SCREW

SCREW, set - 5/16" NC x 3/8"

8шт.

4

S15161

PLUG, pipe - 1/8" NPT

2шт.

5

S12031

FITTING,1/8"-27 x .66 lg

grease - 1/8" NPT - (Straight)

2шт.

6

S83249

NUT

1шт.

7

S97856

RING

wear

3шт.

8

S234040

SLIDE

SEAL ASSEMBLY, piston - (Includes items 9 and 10) - (Supersedes S224768)

1шт.

Change in listing.

1шт.

9

NSS

NOT SOLD SEPARAT

SEAL, piston

1шт.

10

NSS

NOT SOLD SEPARAT

RING, expander

1шт.

11

S508236

PISTON

1шт.

12

S5922

O-RING,1.975" ID x 2.395" OD x 0.21"

"O" RING - 1.975" ID x 2.375" OD

1шт.

13

S97798

SPACER

1шт.

14

S6030

O-RING,5.975" ID x 6.525" OD x 0.275"

"O" RING - 5.975" ID x 6.500" OD

1шт.

15

S99881

WASHER

back-up

1шт.

16

S104133

OIL SEAL

RING, wear

3шт.

17

S608080

GLAND

HEAD, cylinder

1шт.

18

S96585

WASHER

hardened flat - 7/8"

4шт.

19

S12645

BOLT

CPSW - 7/8" NF x 2-3/8" Gr 8

4шт.

20

S109927

SEAL

rod - (Supersedes S97855)

1шт.

Change in listing.

1шт.

21

S97854

WIPER SEAL,88.9mm ID x 104.98mm OD x 7.92mm Thk

WIPER, rod

1шт.

22

S508274

ROD

cylinder - (Includes items 2 and 3)

1шт.

Выбрано товаров: 25