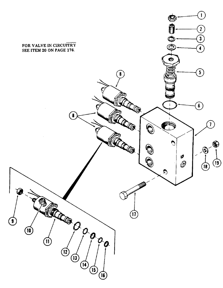
Запчасти Case 40 (246) - SOLENOID MONOBLOCK VALVE, (USED ON UNITS WITH PIN 6270855 AND AFTER) (35) - HYDRAULIC SYSTEMS

Схема запчастей Case 40 - (246) - SOLENOID MONOBLOCK VALVE, (USED ON UNITS WITH PIN 6270855 AND AFTER) (35) - HYDRAULIC SYSTEMS
FIT
1:1
100%

Артикул

Название

Примечание

Количество

S237983

VALVE

- solenoid monoblock

1шт.

1

S109478

NUT

1шт.

2

S109482

SCREW - adjustment

1шт.

3

S109479

WASHER

1шт.

4

S109477

WASHER - special

1шт.

5

NSS

NOT SOLD SEPARAT

HOUSING ASSEMBLY - cartridge

1шт.

6

S5713

O-RING,0.103" Thk x 0.987" ID, -120, Cl 5, 75 Duro

"O" RING - .987" ID x 1.187" OD

1шт.

7

NSS

NOT SOLD SEPARAT

HOUSING

1шт.

8

S237942

VALVE

CARTRIDGE - solenoid valve

3шт.

9

S109473

NUT

1шт.

10

S116422

COIL

1шт.

11

NSS

NOT SOLD SEPARAT

HOUSING ASSEMBLY - cartridge

1шт.

12

S6061

O-RING,0.639" ID x 0.09" Width

"O" RING - .644" ID x .818" OD

1шт.

13

S5605

O-RING,0.07" Thk x 0.364" ID, -12, Cl 5, 75 Duro

"O" RING - .364" ID x .500" OD

1шт.

14

S109476

RING

- back up

1шт.

15

S5604

O-RING

"O" RING - .301" ID x .437" OD

1шт.

16

S109475

BACK-UP RING

- back up

1шт.

17

113-138

BOLT,Hex, 5/16" - 18 x 3-1/2", Gr 5

2шт.

18

195-102

WASHER,1/4"

- flat 5/16"

2шт.

19

131-462

NUT,5/16"-18

NUT - 5/16" NC

2шт.

Выбрано товаров: 20