Запчасти Case 40 (048) - CRAWLER UNDERCARRIAGE AND ATTACHING PARTS (48) - TRACKS & TRACK SUSPENSION

Схема запчастей Case 40 - (048) - CRAWLER UNDERCARRIAGE AND ATTACHING PARTS (48) - TRACKS & TRACK SUSPENSION
FIT
1:1
100%

Артикул

Название

Примечание

Количество

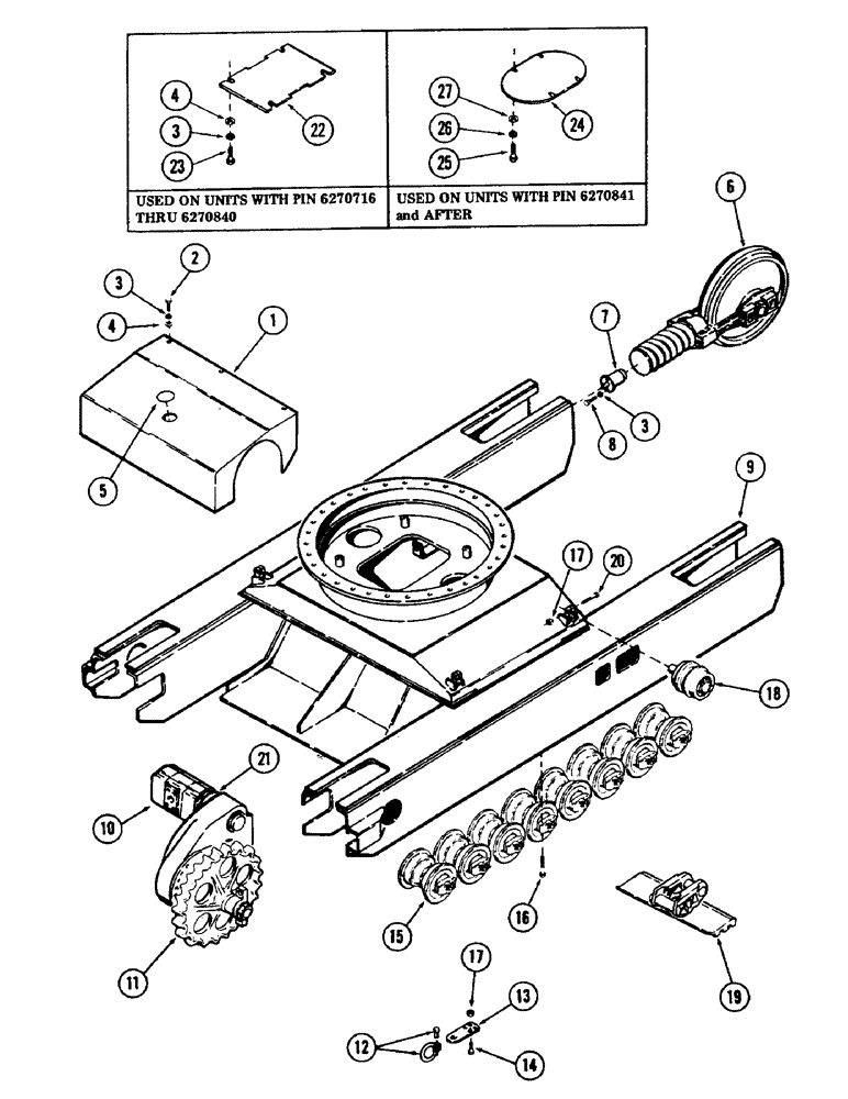
1

S612149

SPARE PART Track motor

1шт.

2

113-417

BOLT,Hex, 1/2" - 13 x 1-1/4", Gr 5, Full Thd

7шт.

3

192-23

LOCK WASHER,1/2"

1шт.

4

195-105

WASHER,7/16"

WASHER, flat - 1/2"

1шт.

5

S105894

CAP

PLUG

1шт.

6

REF

INSTRUCTION

TRACK ADJUSTER ASSEMBLY (For breakdown, see Figure 052)

2шт.

7

REF

INSTRUCTION

CYLINDER, track adjustment (For breakdown, see Figure 054)

2шт.

8

113-421

BOLT,Hex, 1/2" - 13 x 2", Gr 5

4шт.

9

S612165

SPARE PART

1шт.

10

REF

INSTRUCTION

MOTOR, track drive (For breakdown, see Figure 236 or 238)

2шт.

11

REF

INSTRUCTION

TRANSMISSION, final drive (For breakdown, see Figure 064)

2шт.

12

S100742

SHACKLE

Round pin (Optional)

1шт.

13

S209710

PLATE

DRAW BAR (Optional)

1шт.

14

13-1252

BOLT,Hex, 3/4" - 10 x 3-1/4", Gr 5

4шт.

15

REF

INSTRUCTION

ROLLER, track (For breakdown, see Figure 056)

16шт.

16

26-1056

BOLT,Hex, 5/8" - 11 x 3-1/2", Gr 8

64шт.

17

131-492

NUT,1/2"-13

NUT - self locking - 5/8" NC

8шт.

18

REF

INSTRUCTION

ROLLER, track (For breakdown, see Figure 058 or 060)

4шт.

19

REF

INSTRUCTION

TRACK ASSEMBLY (For breakdown, see Figure 062)

2шт.

20

113-447

BOLT,Hex, 1/2" - 13 x 3-1/2", Gr 5

4шт.

21

REF

INSTRUCTION

BRAKE, track (For breakdown, see Figure 068)

2шт.

22

S513354

GUARD

SPARE PART Swivel

1шт.

23

113-424

BOLT,Hex, 1/2" - 13 x 1", Gr 5, Full Thd

4шт.

24

S237690

GUARD

Swivel

1шт.

25

113-208

BOLT,Hex, 3/8" - 16 x 1-1/4", Gr 5

4шт.

26

80680

LOCK WASHER,3/8 0.381 CST ZND

4шт.

27

195-104

WASHER,3/8"

4шт.

Выбрано товаров: 27