Запчасти Case 40 (050) - CRAWLER UNDERCARRIAGE AND ATTACHING PARTS, (USED ON UNITS WITH OPTIONAL LEVELER) (48) - TRACKS & TRACK SUSPENSION

Схема запчастей Case 40 - (050) - CRAWLER UNDERCARRIAGE AND ATTACHING PARTS, (USED ON UNITS WITH OPTIONAL LEVELER) (48) - TRACKS & TRACK SUSPENSION
FIT
1:1
100%

Артикул

Название

Примечание

Количество

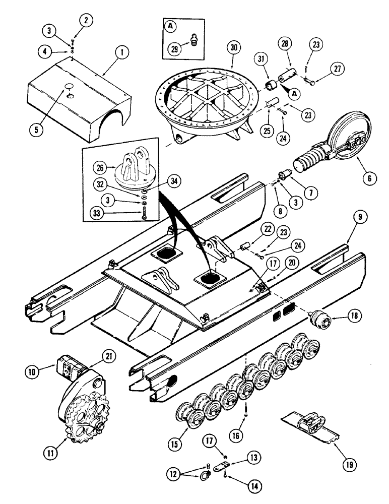
1

S612149

SPARE PART Track motor

1шт.

2

113-417

BOLT,Hex, 1/2" - 13 x 1-1/4", Gr 5, Full Thd

7шт.

3

192-23

LOCK WASHER,1/2"

1шт.

4

195-105

WASHER,7/16"

WASHER, flat - 1/2"

7шт.

5

S105894

CAP

PLUG

1шт.

6

REF

INSTRUCTION

TRACK ADJUSTER ASSEMBLY (For breakdown, see Figure 052)

2шт.

7

REF

INSTRUCTION

CYLINDER, track adjustment (For breakdown, see Figure 054)

2шт.

8

113-421

BOLT,Hex, 1/2" - 13 x 2", Gr 5

4шт.

9

S612142

SUPPORT

BEARING

1шт.

10

REF

INSTRUCTION

MOTOR, track drive (For breakdown, see Figure 236 or 238)

2шт.

11

REF

INSTRUCTION

TRANSMISSION, final drive (For breakdown, see Figure 064)

2шт.

12

S100742

SHACKLE

Round pin (Optional)

1шт.

13

S209710

PLATE

DRAW BAR (Optional)

1шт.

14

13-1252

BOLT,Hex, 3/4" - 10 x 3-1/4", Gr 5

4шт.

15

REF

INSTRUCTION

ROLLER, track (For breakdown, see Figure 056)

16шт.

16

26-1056

BOLT,Hex, 5/8" - 11 x 3-1/2", Gr 8

64шт.

17

131-492

NUT,1/2"-13

NUT, self locking - 5/8" NC

8шт.

18

REF

INSTRUCTION

ROLLER, track (For breakdown, see Figure 058 or 060)

4шт.

19

REF

INSTRUCTION

TRACK ASSEMBLY (For breakdown, see Figure 062)

2шт.

20

113-447

BOLT,Hex, 1/2" - 13 x 3-1/2", Gr 5

4шт.

21

REF

INSTRUCTION

BRAKE, track (For breakdown, see Figure 068)

2шт.

22

S112635

PIN

(Leveler cylinder to lower leveler)

2шт.

23

132-48

COTTER PIN,1/8" x 1"

6шт.

24

S61973

AXLE PIN

PIN, clevis - 1/2" x 3.766" grip length

4шт.

25

S78554

PIN

Leveler cylinder to upper leveler

2шт.

26

S513715

BRACKET

Leveler cylinder mounting

2шт.

27

S61973

AXLE PIN

PIN, clevis - 5/8" x 4.516" grip length

2шт.

28

S72631

PIN

(Upper, Serial Range: leveler-bottom)

2шт.

29

219-1

LUBE NIPPLE,1/8" - 27 NPTF

1/8" NPT (Straight)

1шт.

30

S612084

LEVEL

Upper

1шт.

31

S202163

BUSHING

2шт.

32

S95569

WASHER

Flat - 1/2"

4шт.

33

26-820

BOLT,Hex, 1/2" - 13 x 1-1/4", Gr 8

6шт.

26-832

BOLT,Hex, 1/2" - 13 x 2", Gr 8

2шт.

34

S113313

SPACER

2шт.

Выбрано товаров: 35