Запчасти Case 40 (052) - IDLER WHEEL AND TRACK ADJUSTER (48) - TRACKS & TRACK SUSPENSION

Схема запчастей Case 40 - (052) - IDLER WHEEL AND TRACK ADJUSTER (48) - TRACKS & TRACK SUSPENSION
FIT
1:1
100%

Артикул

Название

Примечание

Количество

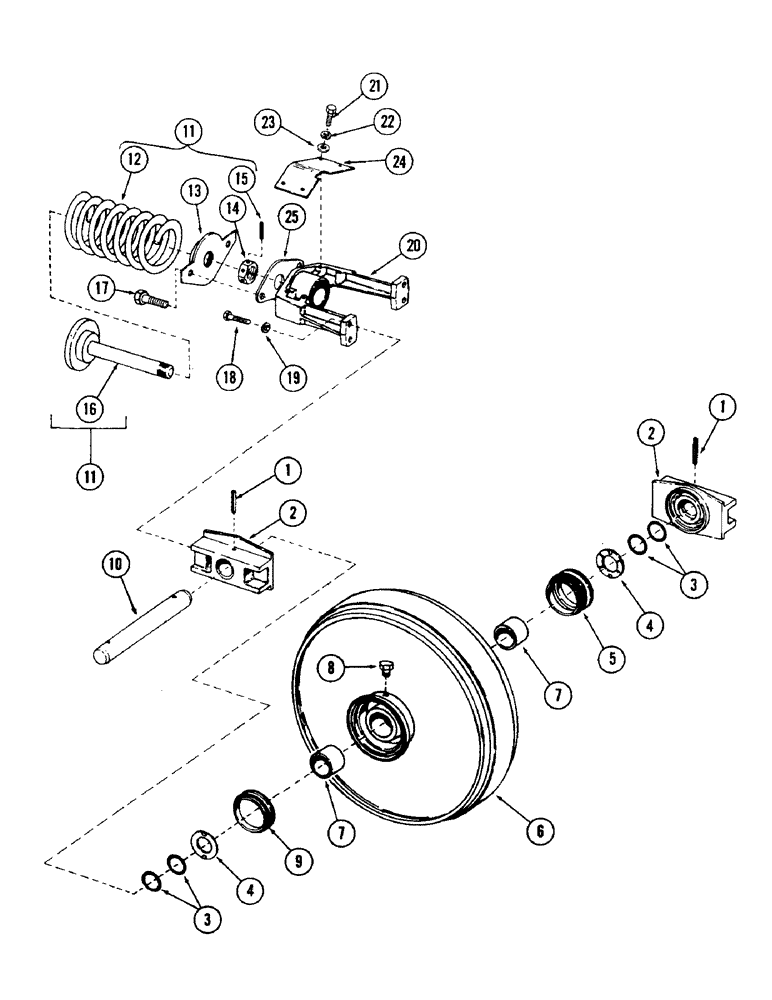
S503867

KIT

WHEEL, idler

2шт.

1

138-310

LOCK PIN,1/2" x 3", Slotted

PIN, 1/2" x 3", Slotted

2шт.

2

S39261

GUIDE

BLOCK, guide

2шт.

3

S6318

O-RING,0.139" Thk x 2.234" ID, -228, Cl 5, 75 Duro

"O" RING - 2.234" ID x 2.500" OD

4шт.

4

S78702

WASHER

2шт.

5

S209139

SEAL

SET

1шт.

6

S503868

FRONT IDLER

WHEEL, idler

1шт.

7

S78703

BUSHING

2шт.

8

221-849

PLUG,Hex Soc, 1/8"-27

pipe - 1/8" NPT male

1шт.

9

S209139

SEAL

SET

1шт.

10

S78699

SHAFT

1шт.

11

S511656

SPRING

ASSEMBLY, track tension

2шт.

12

S232895

SPRING

1шт.

13

S232915

LARGE PLATE

PLATE, end

1шт.

14

S87010

NUT

special

1шт.

15

138-143

LOCK PIN,1/4" x 2 1/4", Slotted

PIN, roll - 1/4" x 1-7/8" long

1шт.

16

S232916

GUIDE

1шт.

17

13-1036

BOLT,Hex, 5/8" - 11 x 2-1/4", Gr 5

4шт.

18

113-410

BOLT,Hex, 1/2" - 13 x 1-1/2", Gr 5, Full Thd

8шт.

19

192-23

LOCK WASHER,1/2"

WASHER, LOCK, 1/2"

8шт.

20

S56819

YOKE

- idler

2шт.

21

113-207

BOLT,Hex, 3/8" - 16 x 1", Gr 5

8шт.

22

192-21

LOCK WASHER,3/8"

WASHER, LOCK, 3/8"

8шт.

23

195-103

WASHER,5/16"

flat - 3/8"

8шт.

24

S39342

COVER

yoke

2шт.

25

S513780

SPACER

1шт.

Выбрано товаров: 26