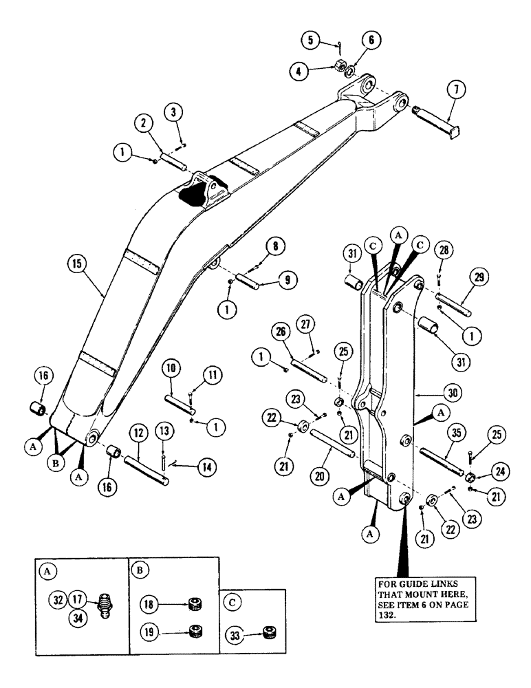
Запчасти Case 40 (130) - "Y" BOOM AND TOOL BOOM (84) - BOOMS, DIPPERS & BUCKETS

Схема запчастей Case 40 - (130) - "Y" BOOM AND TOOL BOOM (84) - BOOMS, DIPPERS & BUCKETS
FIT
1:1
100%

Артикул

Название

Примечание

Количество

1

131-70

NUT,1/2"-13, GB

NUT, self locking - 1/2" NC

3шт.

2

S233793

PIN

(Hoist cylinder rod, Serial Range: end-boom)

1шт.

3

26-884

BOLT,Hex, 1/2" - 13 x 5-1/4", Gr 8

- 1/2" NC x 5-1/4" Gr 8

1шт.

4

25-3032

SLOTTED NUT,2"-4.5, G5, Hvy

NUT, slotted - 2" NC

1шт.

5

132-208

COTTER PIN,3/8" x 4"

Pin, Split (Cotter), 3/8" x 4"

1шт.

6

S110511

WASHER

flat

1шт.

7

S233712

LARGE PIN

PIN (Boom to tool boom)

1шт.

8

26-876

BOLT,Hex, 1/2" - 13 x 4-3/4", Gr 8

- 1/2" NC x 4-3/4" Gr 8

1шт.

9

S233798

PIN

(Crowd cylinder base, Serial Range: end-boom)

1шт.

10

S233787

PIN

(Hoist cylinder base end turntable

1шт.

11

26-892

CAPSCREW,Hex, 1/2" - 13 x 5 3/4", Gr 8

BOLT - 1/2" NC x 5-3/4" Gr 8

1шт.

12

S233785

PIN

, Serial Range: (Boom-turntable)

1шт.

13

S87319

PIN

clevis - 3/4" x 5.266" grip length

1шт.

14

132-73

COTTER PIN,5/32" x 1 1/2"

Pin, Split (Cotter), 5/32" x 1 1/2"

1шт.

15

S955818

BOOM, main

1шт.

16

S511922

BUSHING

2шт.

17

219-1

LUBE NIPPLE,1/8" - 27 NPTF

FITTING, grease - 1/8" NPT (Straight)

2шт.

18

83-66

SET SCREW,Hex Soc, 3/8"-16 x 3/8"

SCREW, set - 3/8" NC x 3/8" (Cup point)

2шт.

19

178-53

SET SCREW,Hex Soc, 3/8"-16 x 3/8"

SCREW, set - 3/8" NC x 3/8" (Cone point)

2шт.

2

S233808

PIN

(Link to tool boom)

1шт.

21

S108054

NUT

cap - 1/2" NC

6шт.

22

S106359

COLLAR

2шт.

23

113-412

BOLT,Hex, 1/2" - 13 x 1-3/4", Gr 5

2шт.

24

S111952

COLLAR

4шт.

25

413-868

BOLT,Hex, 1/2" - 13 x 4-1/4", Gr 5

- 1/2" NC x 4-1/4" Gr 5

4шт.

26

S236135

PIN

(Crowd cylinder rod end to tool boom)

1шт.

27

26-8112

BOLT,Hex, 1/2" - 13 x 7", Gr 8

- 1/2" NC x 7" Gr 8

1шт.

28

113-429

BOLT,Hex, 1/2" - 13 x 5", Gr 5

1шт.

29

S233805

PIN

- (Tool boom to main boom)

1шт.

30

S613846

BOOM

tool

1шт.

31

S229565

BUSHING

2шт.

32

219-1

LUBE NIPPLE,1/8" - 27 NPTF

FITTING, grease - 1/8" NPT (Straight)

1шт.

33

178-53

SET SCREW,Hex Soc, 3/8"-16 x 3/8"

SCREW, set - 3/8" NC x 3/8" (Cone point)

1шт.

34

219-1

LUBE NIPPLE,1/8" - 27 NPTF

FITTING, grease - 1/8" NPT (Straight)

3шт.

35

S234951

PIN

- (Extension to tool boom)

2шт.

Выбрано товаров: 35