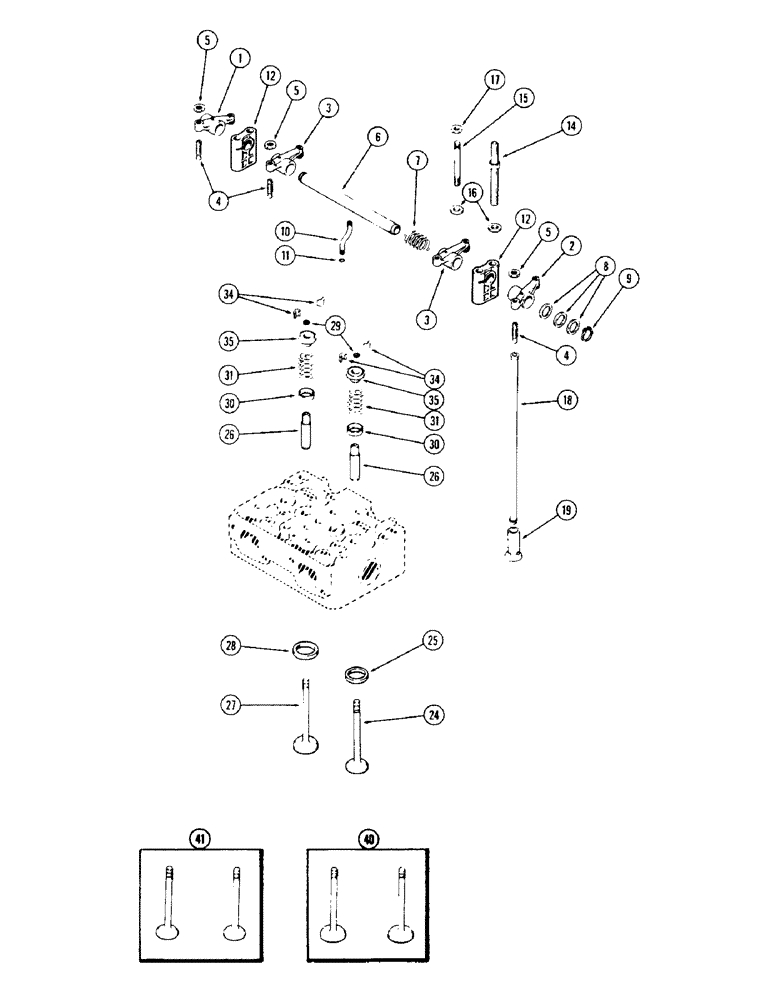
Запчасти Case 40 (016) - VALVE MECHANISM, 504BDT ENGINE (10) - ENGINE

Схема запчастей Case 40 - (016) - VALVE MECHANISM, 504BDT ENGINE (10) - ENGINE
FIT
1:1
100%

Артикул

Название

Примечание

Количество

1

A148137

ROCKER ARM

ARM ASSY. - rocker, exhaust valve (1st, 3rd and 5th cylinder) (Includes ref 4 and 5)

3шт.

2

A148138

ARM

ASSY - rocker, exhaust valve (2nd, 4th and 6th cylinders) (Includes ref 4 and 5)

3шт.

3

A148136

ARM

ASSY - rocker, intake valve

6шт.

4

A21105

ADJUSTMENT SCREW,3/8" - 24 x 1 9/16"

SCREW - adjusting, rocker arm

1шт.

5

25-156

JAM NUT,Jam, 3/8"-24, G5

- 3/8" NF hex

1шт.

6

A57532

SHAFT

- rocker arm

3шт.

7

A27877

SPRING

- rocker shaft

3шт.

8

A27878

WASHER

- thrust, 7/8" (22.22 MM) x 1-5/16" (33.34 MM) x 1/32" (0.79 MM)

1шт.

9

B18206

SNAP RING,#87, Ext

Ring, Snap, , rocker shaft #87, Ext

6шт.

10

A58657

TUBE

- oil, rockershaft lube

3шт.

11

A27880

O-RING,0.07" Thk x 0.18" ID, -8, Cl 5, 75 Duro

- oil tube, 3/16" (4.76 MM) x 5/16" (7.94 MM) x 1/16" (1.59 MM)

3шт.

12

A61128

BRACKET

- rockershaft

6шт.

14

A67121

STUD

- bracket and head cover

6шт.

15

A58659

STUD

- bracket, 7/16" NC x 4-5/16" (108 MM)

6шт.

16

195-29

WASHER,7/16"

- 1/2 x 15/16 x 1/16"

12шт.

17

25-107

NUT,7/16"-14, G5

- 7/16" NC hex

6шт.

18

A141841

ROD

- push

12шт.

19

A20865

TAPPET

LIFTER - push rod

12шт.

24

NSS

NOT SOLD SEPARAT

VALVE - exhaust (Order ref. 40)

6шт.

25

A66192

INSERT

- exhaust valve seat

6шт.

26

A41781

GUIDE

KIT - valve stem

12шт.

27

NSS

NOT SOLD SEPARAT

VALVE - intake (Order ref. 41)

6шт.

28

A66191

INSERT

- intake valve seat

6шт.

29

A58628

SEAL,8mm ID x 13.77mm OD x 2.16mm Thk

- valve stem

12шт.

30

A66328

SEAT

- valve spring

12шт.

31

A66444

SPRING

- valve

12шт.

34

A27872

LOCK

- valve spring

24шт.

35

A66336

ROTATOR

ROTO-CAP - valve, intake and exhaust

12шт.

40

A46289

VALVE

KIT - exhaust (Set of 2)

3шт.

41

A44575

VALVE

KIT - intake (Set of 2)

3шт.

Выбрано товаров: 30