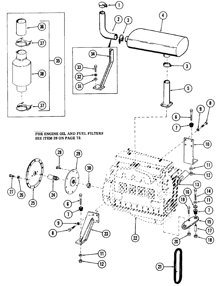
Запчасти Case 40 (072) - ENGINE AND DROTT ATTACHING PARTS FOR: DETROIT DIESEL 4-71 ENGINE (10) - ENGINE

Схема запчастей Case 40 - (072) - ENGINE AND DROTT ATTACHING PARTS FOR: DETROIT DIESEL 4-71 ENGINE (10) - ENGINE
FIT
1:1
100%

Артикул

Название

Примечание

Количество

1

A19795

CAP

pipe

1шт.

2

S111779

PIPE, EXHAUST SYSTEM

PIPE, exhaust

1шт.

3

L12413

CLAMP

muffler

2шт.

4

S231674

MUFFLER

1шт.

5

S233625

FLANGE ASSY

FLANGE (To manifold exhaust with existing hardware)

1шт.

6

13-1268

BOLT,Hex, 3/4" - 10 x 4-1/4", Gr 5

- 3/4" NC x 4-1/4" Gr 5

2шт.

7

S93392

MOUNTING PARTS

MOUNT, rubber

4шт.

8

113-410

BOLT,Hex, 1/2" - 13 x 1-1/2", Gr 5, Full Thd

8шт.

9

192-23

LOCK WASHER,1/2"

WASHER, LOCK, 1/2"

8шт.

10

S506055

BRACKET

engine mounting (Rear) (Left hand)

1шт.

11

195-2270

WASHER,13/16" x 3" x .238", HDN

flat - 3/4"

4шт.

12

131-450

NUT,3/4"-10

NUT, self locking - 3/4" NC

2шт.

13

S228380

FAN

1шт.

S97486

FAN

SPACER, fan

2шт.

113-121

BOLT,Hex, 5/16" - 18 x 2", Gr 5

6шт.

192-20

LOCK WASHER,Helical Spring, 0.318" ID, CST, ZND

WASHER, LOCK, 5/16"

6шт.

14

13-1072

BOLT,Hex, 5/8" - 11 x 4-1/2", Gr 5

- 5/8" NC x 4-1/2" Gr 5

2шт.

15

S235139

SUPPORT

engine mounting (Front)

1шт.

16

S113789

WASHER

flat - 5/8"

2шт.

17

S113788

SPACER

2шт.

18

131-14

LOCK NUT,5/8"-11, GC

NUT, LOCK, 5/8"-11, GC

2шт.

19

13-1240

BOLT,Hex, 3/4" - 10 x 2-1/2", Gr 5

1шт.

20

131-16

LOCK NUT,3/4"-10, GB

LOCKNUT, 3/4"-10, GB

1шт.

21

S93735

V-BELT,0.50" W x 38.25" L

Alternator 0.50" W x 38.25" L

1шт.

22

S610018

ENGINE, Detroit diesel 4-71 "N" series

1шт.

23

S506059

BRACKET

engine mounting (Rear) (Right hand)

1шт.

24

S63201

COUPLING

1шт.

25

S52615

MOUNTING PARTS

MOUNTNG, hydraulic pump

1шт.

26

192-21

LOCK WASHER,3/8"

WASHER, LOCK, 3/8"

12шт.

27

113-207

BOLT,Hex, 3/8" - 16 x 1", Gr 5

9шт.

113-208

BOLT,Hex, 3/8" - 16 x 1-1/4", Gr 5

(Mounts air cleaner mounting bracket) Hex, 3/8"-16 x 1 1/4", G5, Full Thd

3шт.

28

121-204

BOLT,Lock Place, Hex, 3/8" - 16 x 5/8", Gr 8

- 3/8" NC x 5/8" Gr 8

8шт.

29

S33201

DAMPER

DAMPENER, pump drive

1шт.

30

S114980

ADAPTER

1шт.

31

195-104

WASHER,3/8"

flat - 3/8"

2шт.

32

192-21

LOCK WASHER,3/8"

WASHER, LOCK, 3/8"

2шт.

33

113-207

BOLT,Hex, 3/8" - 16 x 1", Gr 5

2шт.

34

S236679

BRACKET, muffler mounting

1шт.

35

S613276

KIT

spark arrestor (Optional)

1шт.

36

S99869

PIPE, EXHAUST SYSTEM

PIPE, exhaust

1шт.

37

L12413

CLAMP

exhaust pipe

2шт.

38

S226198

SPARK ARRESTER

ARRESTOR, spark

1шт.

39

S105608

ELEMENT

FILTER, engine oil (Not illustrated)

1шт.

A19578

ELEMENT

engine fuel strainer (Not illustrated)

1шт.

A19579

ELEMENT

engine fuel filter (Not illustrated)

1шт.

Выбрано товаров: 45