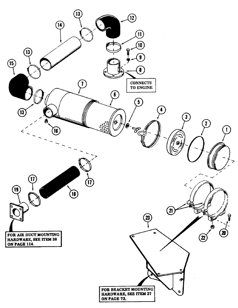
Запчасти Case 40 (076) - AIR CLEANER AND ATTACHING PARTS FOR: DETROIT DIESEL 4-71 ENGINE (10) - ENGINE

Схема запчастей Case 40 - (076) - AIR CLEANER AND ATTACHING PARTS FOR: DETROIT DIESEL 4-71 ENGINE (10) - ENGINE
FIT
1:1
100%

Артикул

Название

Примечание

Количество

S609421

AIR CLEANER

CLEANER, air

1шт.

1

S221315

COVER

CUP

1шт.

2

S94185

GASKET

"O" RING

1шт.

3

S221314

BAFFLE

1шт.

4

S94175

CLAMP

1шт.

5

L35499

NUT

SCREW ASSEMBLY

1шт.

6

S231996

AIR FILTER

ELEMENT, air cleaner

1шт.

7

S231995

BODY

air cleaner

1шт.

8

S230325

LINE,6.5" L

FLANGE (Mounts to air intake on engine)

1шт.

9

192-20

LOCK WASHER,Helical Spring, 0.318" ID, CST, ZND

WASHER, LOCK, 5/16"

4шт.

10

113-103

BOLT,Hex, 5/16" - 18 x 1", Gr 5

4шт.

11

214-361

CLAMP,#108, 4.25"-4.56", T-Bolt

1шт.

12

S513100

ELBOW

90 degrees rubber

1шт.

13

214-363

CLAMP,#140, 5.25"-5.56", T-Bolt

3шт.

14

S113713

TUBE 5" OD x 19.06" L

1шт.

15

S235918

ELBOW

45 degrees rubber

1шт.

16

A59569

INDICATOR

FILTER INDICATOR, air cleaner

1шт.

17

214-273

HOSE CLAMP,#88, 5.12" - 6", Type F Worm

CLAMP

2шт.

18

S97045

HOSE

air cleaner (Bulk) - 1 piece - 5" ID x 15" long

1шт.

19

S236330

DUCT, air

1шт.

20

113-207

BOLT,Hex, 3/8" - 16 x 1", Gr 5

4шт.

21

S219922

BAND

mounting

2шт.

22

131-52

NUT,3/8"-16, GC

NUT, self locking - 3/8" NC

4шт.

23

S511729

BRACKET, air cleaner mounting

1шт.

113-411

BOLT,Hex, 1/2" - 13 x 4-1/2", Gr 5

(Used with spacer) Hex, 1/2"-13 x 4 1/2", G5

1шт.

192-23

LOCK WASHER,1/2"

WASHER, LOCK, 1/2"

1шт.

S106894

SPACER (Between bracket and engine block)

1шт.

Выбрано товаров: 27