Запчасти Case 40 (166) - TANK TO PUMP TO VALVE TUBING (35) - HYDRAULIC SYSTEMS

Схема запчастей Case 40 - (166) - TANK TO PUMP TO VALVE TUBING (35) - HYDRAULIC SYSTEMS
FIT
1:1
100%

Артикул

Название

Примечание

Количество

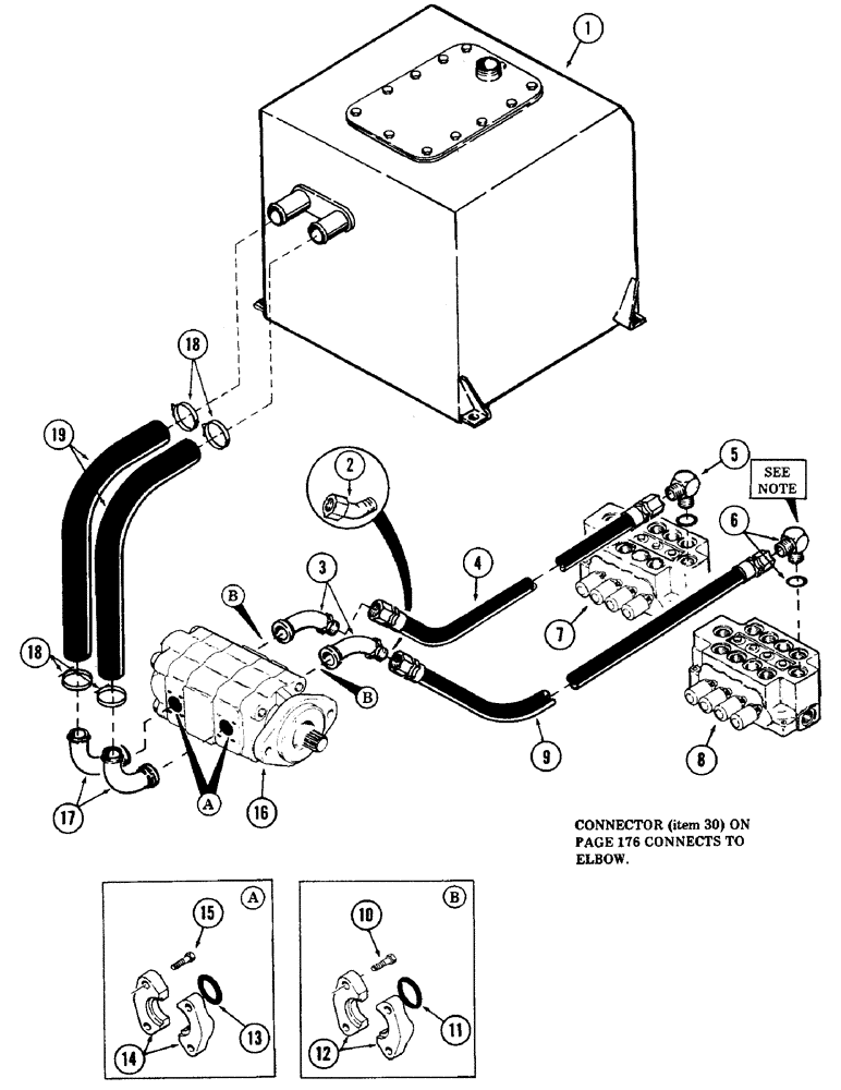
1

REF

INSTRUCTION

TANK, hydraulic oil (For breakdown, see Figure 218)

1шт.

2

218-5176

ELBOW,45 Degree Elbow, 1-5/16" - 12 Male JIC x 1-5/16" - 12 Female JIC

(1" tube) (Used with Case engine)

1шт.

3

S235919

ADAPTER

45 degrees (Used with Case engine)

2шт.

S26936

TUBE

ADAPTER, 45 degrees (Used with Detroit Diesel engine)

2шт.

4

S235936

HOSE

High pressure - 1" ID x 49" long (With 1-5/16" - 16 female pressed on couplings)

1шт.

5

S7943

ELBOW

90 degrees adjustable (1" tube) 1-5/16"-12 male x 1-5/16"-12 male - 37 degrees flared

1шт.

S6069

O-RING,1.171" ID x 0.116" Width

1шт.

6

S113093

ELBOW

90 degrees (1" tube) - 1-5/16"-12 male x 1-5/16"-12 male - 37 degrees flared

1шт.

S6069

O-RING,1.171" ID x 0.116" Width

1шт.

7

REF

INSTRUCTION

VALVE, 4 spool main control (Outside) (For breakdown, see Figure 260 or 262)

1шт.

8

REF

INSTRUCTION

VALVE, 4 spool main control (Inside) (For breakdown, see Figure 258)

1шт.

9

S8628

HOSE

High pressure - 1" ID x 36" long (With 1-5/16" - 12 female pressed on couplings)

1шт.

10

113-312

BOLT,Hex, 7/16" - 14 x 1-1/4", Gr 5

8шт.

11

S6586

O-RING,0.139" Thk x 1.484" ID, -222, Cl 6, 90 Duro

(1.762" OD)

2шт.

12

S10864

CLAMP

Half flange

4шт.

13

S6322

RING,0.07" Thk x 1.364" ID, -28, Cl 5, 75 Duro

2.734" ID x 3.012" OD

2шт.

14

L14386

CLAMP

Half flange (Used with Case engine)

2шт.

A12306

FLANGE

CLAMP, half flange (Used with Detroit diesel engine)

2шт.

15

113-412

BOLT,Hex, 1/2" - 13 x 1-3/4", Gr 5

8шт.

16

REF

INSTRUCTION

PUMP, main hydraulic (Used with Case engine) (For breakdown, see Figure 228)

1шт.

REF

INSTRUCTION

PUMP, main hydraulic (Used with Detroit Diesel engine) (For breakdown, see Figure 230)

1шт.

17

S238509

TUBE,2" OD x 4.81, 8" L

Hydraulic

2шт.

18

S85430

CLAMP

4шт.

19

S202867

SPARE PART Low pressure (Bulk) - 1 piece - 2" ID x 34" long (Used with Case engine)

1шт.

S202867

SPARE PART Low pressure (Bulk) - 1 piece - 2" ID x 40" long (Used with Detroit Diesel engine)

1шт.

Выбрано товаров: 25