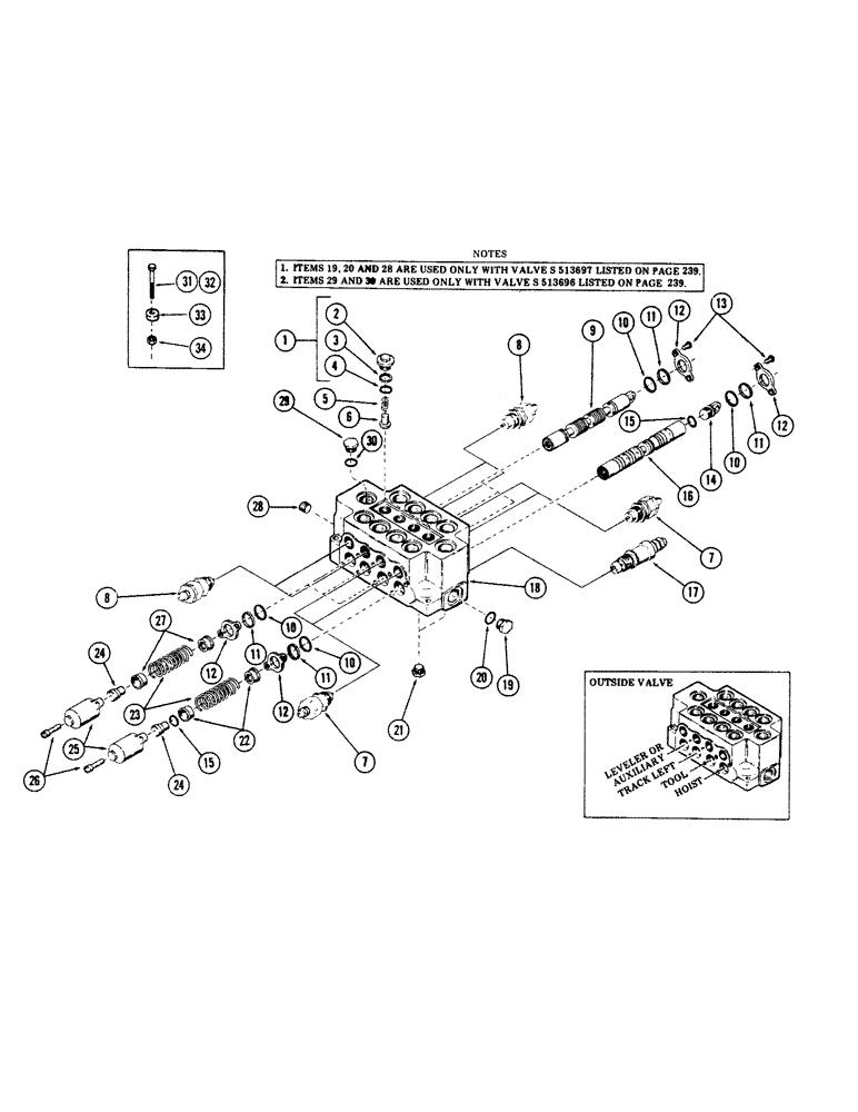
Запчасти Case 40 (238) - 4-SPOOL MAIN CONTROL VALVE, (OUTSIDE VALVE) (35) - HYDRAULIC SYSTEMS

Схема запчастей Case 40 - (238) - 4-SPOOL MAIN CONTROL VALVE, (OUTSIDE VALVE) (35) - HYDRAULIC SYSTEMS
FIT
1:1
100%

Артикул

Название

Примечание

Количество

S514843

VALVE

4-spool main control - (Outside valve) - (Used with optional leveler), Includes: Ref. 1 - 30

1шт.

S514844

VALVE

4-spool main control - (Outside valve) - (Used with optional leveler and auxiliary), Includes: Ref. 1 - 30

1шт.

1

S105062

PLUG

ASSEMBLY, Includes: Ref. 2 - 4

4шт.

2

S105094

PLUG

1шт.

3

S105095

RING

back up

1шт.

4

S105093

O-RING,0.139" Thk x 1.046" ID, -215, Cl 5, 75 Duro

"O" RING

1шт.

5

S13715

SPRING

4шт.

6

S13716

VALVE POPPET

POPPET

4шт.

7

REF

INSTRUCTION

CARTRIDGE, port relief - set at 3200 PSI - (For breakdown, see Figure 242)

4шт.

8

REF

INSTRUCTION

CARTRIDGE, port relief - set at 2500 PSI - (For breakdown, see Figure 242)

4шт.

9

NSS

NOT SOLD SEPARAT

PLUNGER

3шт.

10

A7623

O-RING,0.139" Thk x 0.984" ID, -214, Cl 5, 75 Duro

"O" RING

8шт.

SHOULD READ A7623

1шт.

11

S62092

WIPER

8шт.

12

S13829

PLATE

seal

8шт.

13

166-25

12 PT SCREW,Flg, 5/16" - 18 x 7/8", Gr 8

SCREW, machine - 3/8" NC x 1/2"

8шт.

14

S62289

END

plunger

1шт.

16

NSS

NOT SOLD SEPARAT

PLUNGER

1шт.

17

REF

INSTRUCTION

CARTRIDGE, main relief - set at 3000 PSI - (For breakdown, see figure 240)

1шт.

18

NSS

NOT SOLD SEPARAT

HOUSING

1шт.

19

273916

PLUG,Hex, 1-5/16" - 12 ORB

Male Hex Hd, 1 5/16"-12 ORB

3шт.

20

218-5010

O-RING,0.116" Thk x 1.171" ID, -916, Cl 6, 90 Duro

"O" RING - 1.171" ID x 1.403" OD

3шт.

21

S105060

PLUG

pipe

2шт.

22

S107817

SEAT

spring

2шт.

23

S109959

SPRING

4шт.

24

S62290

BOLT

4шт.

25

S62278

CAP

plunger

4шт.

26

61-616

HEX SOC SCREW,3/8"-16 x 1"

BOLT - 3/8" NC x 1" Gr 8 - (Hexagon socket head)

8шт.

27

S62288

SEAT

spring

6шт.

28

221-845

PLUG,Hex Soc, 3/4"-14

pipe - 1" - 11-1/2 NPT male - (Hexagon socket), Includes: Ref. 30

1шт.

29

273916

PLUG,Hex, 1-5/16" - 12 ORB

Male, Pipe, Includes Ref. 30 Hex Hd, 1 5/16"-12 ORB

1шт.

30

218-5010

O-RING,0.116" Thk x 1.171" ID, -916, Cl 6, 90 Duro

"O" RING - 1.171" ID x 1.403" OD

1шт.

31

113-427

BOLT,Hex, 1/2" - 13 x 3-1/4", Gr 5

1шт.

32

113-432

BOLT,Hex, 1/2" - 13 x 4-3/4", Gr 5

2шт.

33

S113313

SPACER

valve mounting

3шт.

34

131-70

NUT,1/2"-13, GB

NUT, self locking - 1/2" NC

3шт.

15

218-5006

O-RING,0.087" Thk x 0.644" ID, -908, Cl 6, 90 Duro

"O" RING - .644" ID x .818" OD

2шт.

Выбрано товаров: 37