Запчасти Case 40 (048) - CRAWLER UNDERCARRIAGE AND ATTACHING PARTS, (USED ON UNITS WITH OPTIONAL LEVELER) (39) - FRAMES AND BALLASTING

Схема запчастей Case 40 - (048) - CRAWLER UNDERCARRIAGE AND ATTACHING PARTS, (USED ON UNITS WITH OPTIONAL LEVELER) (39) - FRAMES AND BALLASTING
FIT
1:1
100%

Артикул

Название

Примечание

Количество

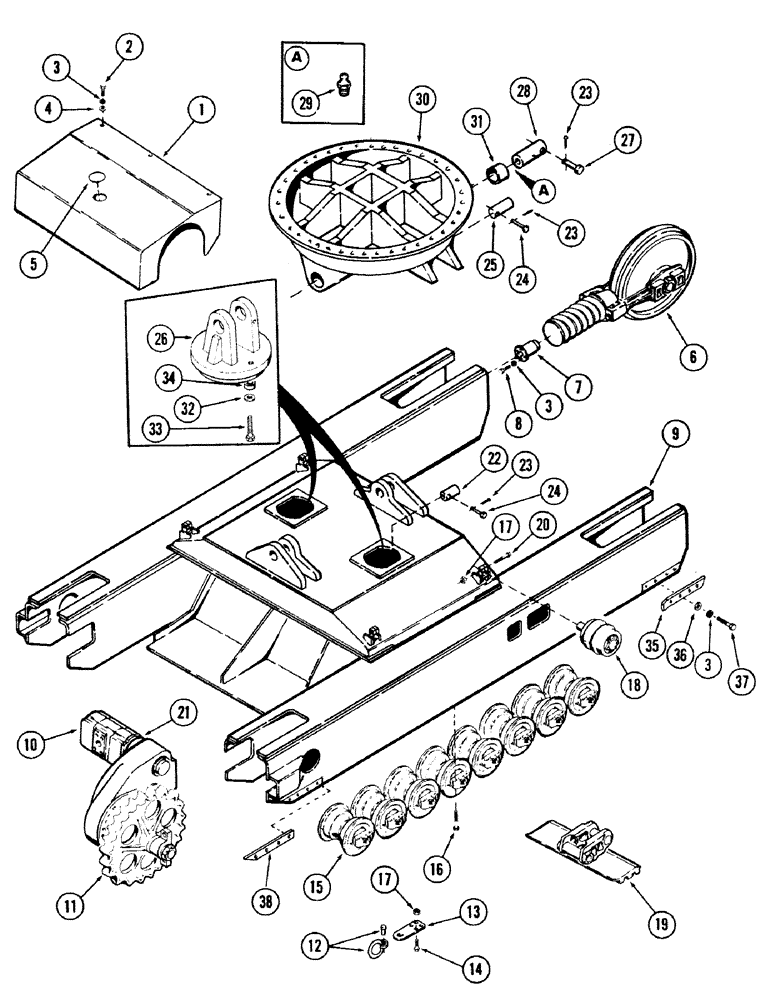
1

S612149

COVER, track motor

1шт.

2

113-417

BOLT,Hex, 1/2" - 13 x 1-1/4", Gr 5, Full Thd

7шт.

3

192-23

LOCK WASHER,1/2"

WASHER, LOCK, 1/2"

1шт.

4

195-105

WASHER,7/16"

flat - 1/2"

7шт.

5

S105894

CAP

PLUG

1шт.

6

REF

INSTRUCTION

TRACK ADJUSTER ASSEMBLY - (For breakdown, see Figure 50)

2шт.

7

REF

INSTRUCTION

CYLINDER, track adjustment - (For breakdown, see Figure 52)

2шт.

8

113-421

BOLT,Hex, 1/2" - 13 x 2", Gr 5

4шт.

9

S612142

SUPPORT

BEARING SUPPORT

1шт.

10

REF

INSTRUCTION

MOTOR, track drive - (For breakdown, see Figure 216 or 218)

2шт.

11

REF

INSTRUCTION

TRANSMISSION, final drive - (For breakdown, see Figure 62 & 64)

2шт.

12

240-11

SHACKLE

round pin - (Optional)

1шт.

13

S209710

PLATE

DRAW BAR - (Optional)

1шт.

14

113-731

BOLT,Hex, 3/4" - 10 x 3-1/4", Gr 5

- 3/4" NC x 3-1/4" Gr 5

4шт.

15

REF

INSTRUCTION

ROLLER, track - (For breakdown, see figure 54)

16шт.

16

26-1056

BOLT,Hex, 5/8" - 11 x 3-1/2", Gr 8

- 5/8" NC x 3-1/2" Gr 8

64шт.

17

131-492

NUT,1/2"-13

NUT - self locking - 5/8" NC

8шт.

18

REF

INSTRUCTION

ROLLER, track - (For breakdown, see figure 56 or 58)

4шт.

19

REF

INSTRUCTION

TRACK ASSEMBLY - (For breakdown, see figure 60)

2шт.

20

113-447

BOLT,Hex, 1/2" - 13 x 3-1/2", Gr 5

4шт.

SHOULD USE PART 113-450

1шт.

21

REF

INSTRUCTION

BRAKE, track - (For breakdown, see Figure 66)

2шт.

22

S112635

PIN

- (Leveler cylinder to lower leveler)

2шт.

23

132-69

COTTER PIN,5/32" x 1"

Pin, Split (Cotter), 5/32" x 1"

6шт.

24

S61973

AXLE PIN

PIN, clevis - 1/2" x 3.766" grip length

4шт.

25

S78554

PIN

- (Leveler cylinder to upper leveler)

2шт.

26

S513715

BRACKET

leveler cylinder mounting

2шт.

27

S61976

CLEVIS PIN

PIN, clevis - 5/8" x 4.516" grip length

2шт.

28

S72631

PIN

- (Upper leveler to bottom), Includes: Ref. 29

2шт.

29

219-1

LUBE NIPPLE,1/8" - 27 NPTF

FITTING, grease - 1/8" NPT - (Straight)

1шт.

30

S612084

LEVEL

ER, upper, Includes: Ref. 31

1шт.

31

S202163

BUSHING

2шт.

32

S95569

WASHER

flat - 1/2"

4шт.

33

26-820

BOLT,Hex, 1/2" - 13 x 1-1/4", Gr 8

6шт.

26-832

BOLT,Hex, 1/2" - 13 x 2", Gr 8

- 1/2" NC x 2" Gr 8

2шт.

34

S113313

SPACER

2шт.

35

S511363

BAR

wear - (Right hand)

2шт.

36

196-15

WASHER,17/32" x 1 1/6" x .134"

flat - 1/2"

16шт.

37

26-820

BOLT,Hex, 1/2" - 13 x 1-1/4", Gr 8

- 1/2" NC x 1-1/2" Gr 8 - (Bars to track frames)

16шт.

38

S511364

BAR ASSY.

BAR, wear - (Left hand)

2шт.

Выбрано товаров: 40