Запчасти Case 40 (044) - STARTER, 504BDT ENGINE (55) - ELECTRICAL SYSTEMS

Схема запчастей Case 40 - (044) - STARTER, 504BDT ENGINE (55) - ELECTRICAL SYSTEMS
FIT
1:1
100%

Артикул

Название

Примечание

Количество

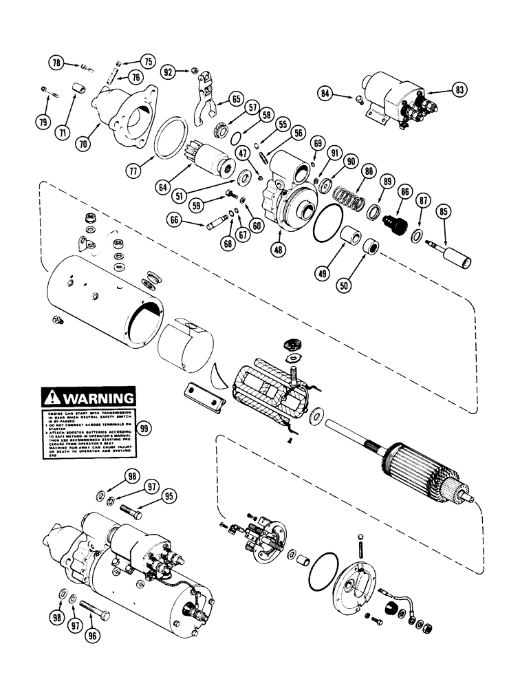
R45968

STARTER MOTOR

STARTER ASSEMBLY - (Continued from Figure 42)

1шт.

47

A47897

PLUG

- lever housing, rubber

1шт.

48

A47896

HOUSING

ASSEMBLY - shift lever, Includes: Ref. 49 - 56

1шт.

49

A47842

PUMP

BUSHING - armature

1шт.

50

R21582

OIL SEAL

- oil

1шт.

51

R15145

DISC

WASHER - brake

1шт.

55

A47889

PLUG

- oil wick

1шт.

56

A47888

WICK

- oil

1шт.

57

R21587

PLUG

- lever housing

1шт.

58

A41924

GASKET

- plug

1шт.

59

114-1

BOLT,Hex, 1/4" - 28 x 1", Gr 5

5шт.

60

192-19

LOCK WASHER,Helical Spring, 0.256" ID, CST, ZND

WASHER, LOCK, 1/4"

5шт.

64

A47523

DRIVE

ASSEMBLY - starter

1шт.

65

D32547

LEVER

- shifter

1шт.

66

A42199

PIN

STUD - pivot, shift lever

1шт.

67

A47259

O-RING,0.244" ID x 0.391" OD

- small, pivot stud

1шт.

68

A47258

O-RING,0.369" ID x 0.515" OD

- large, pivot stud

1шт.

69

G46146

SNAP RING,#37, Ext

Ring, Snap, , pivot stud #37, Ext

1шт.

70

A47898

HOUSING

ASSEMBLY - drive end, Includes: Ref. 71 - 76

1шт.

71

A47257

BUSHING

- armature

1шт.

75

A47889

PLUG

- oil wick

1шт.

76

A47888

WICK

- oil

1шт.

77

R21562

GASKET

- drive end to shifter housing

1шт.

78

D32489

HEX SOC SCREW,5/16" - 18 x 0.86"

SCREW - housing (Short)

1шт.

79

D32488

HEX SOC SCREW,5/16" - 18 x 1.50"

SCREW - housing (Long)

5шт.

83

A47899

SOLENOID SWITCH

SOLENOID ASSEMBLY - service as complete assembly

1шт.

84

R15159

SCREW,Hex, 1/4" - 20 x 3/8", w/ LW

- solenoid

4шт.

85

A42309

PLUNGER

- solenoid

1шт.

86

A42308

BOOT

- plunger

1шт.

87

A41922

WASHER

SEAT - boot

1шт.

88

A41242

SPRING

- plunger return

1шт.

89

A43380

BACK-UP RING

SEAT - spring (Inner)

1шт.

90

A43419

SEAT

- spring (Outer)

1шт.

91

G46146

SNAP RING,#37, Ext

Ring, Snap, , spring retainer #37, Ext

1шт.

92

131-31

LOCK NUT,5/16"-24, G8

NUT - plunger to lever

1шт.

95

113-421

BOLT,Hex, 1/2" - 13 x 2", Gr 5

2шт.

96

113-427

BOLT,Hex, 1/2" - 13 x 3-1/4", Gr 5

1шт.

97

192-23

LOCK WASHER,1/2"

WASHER, LOCK, 1/2"

3шт.

98

L30674

WASHER

- 1/2 x 1 x 1/8" (12.7 x 25.4 x 3.17 MM)

3шт.

99

321-3709

DECAL

- starter warning

1шт.

Выбрано товаров: 40