Запчасти Case 40 (014) - CYLINDER HEAD AND COVER, 504BDT ENGINE (10) - ENGINE

Схема запчастей Case 40 - (014) - CYLINDER HEAD AND COVER, 504BDT ENGINE (10) - ENGINE
FIT
1:1
100%

Артикул

Название

Примечание

Количество

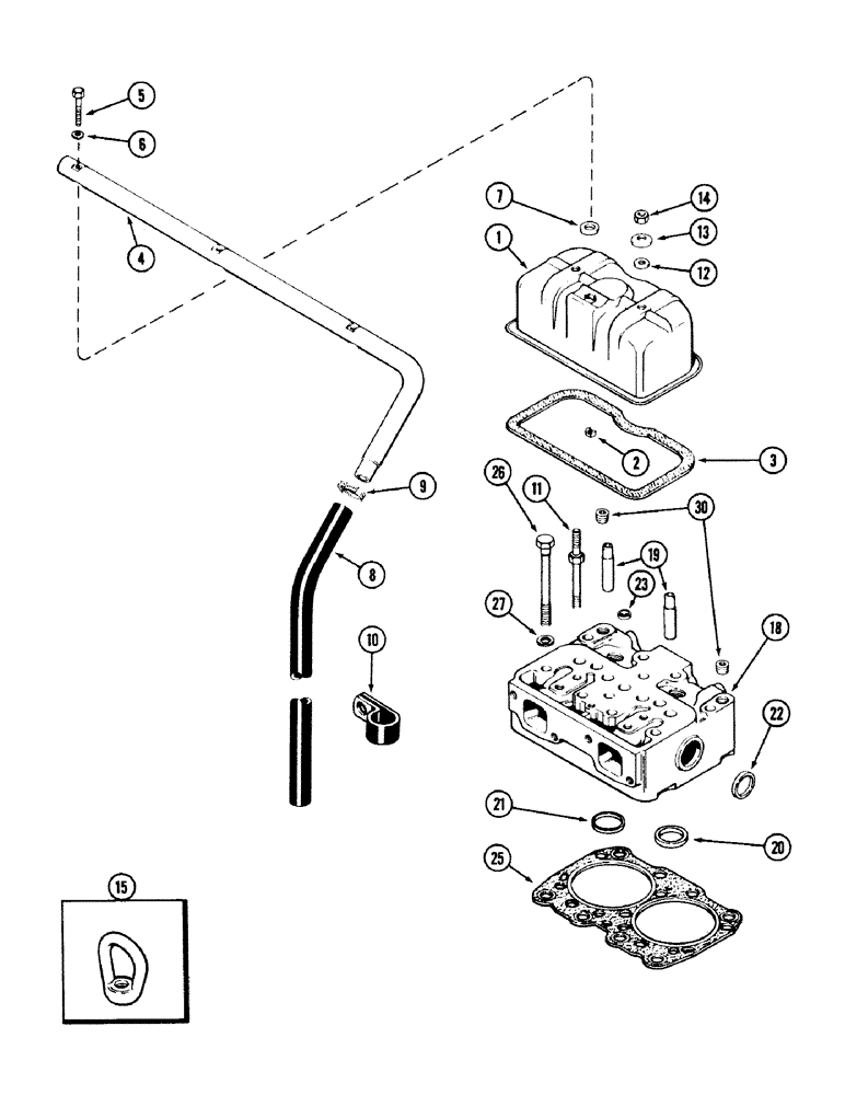
1

A58929

COVER

COVER ASSEMBLY - cylinder head, Includes: Ref. 2

3шт.

2

131-114

SPRING NUT,Rtnr, 1/4" - 20, 0.25" High

NUT - 1/4" NC Tinnerman

1шт.

3

A65734

CYLINDER HEAD GASKET

GASKET -, Serial Range: cover-head

3шт.

4

A66640

TUBE

TUBE - breather

1шт.

5

113-2

BOLT,Hex, 1/4" - 20 x 5/8", Gr 5

BOLT, Hex, 1/4"-20 x 5/8", G5, Full Thd

3шт.

6

A34133

GASKET

GASKET - bolt to tube, 1/4 x 1/2 x 1/16" (6.35 x 12.7 x 1.59 MM)

3шт.

7

A58635

GASKET,17.27mm ID x 32mm OD x 6.6mm Thk

GASKET - tube to cover, 11/16 x 1-1/4 x 1/4" (17.46 x 31.75 x 6.35 MM)

3шт.

8

A156416

HOSE,25.4 mm ID x 1016.00 mm, SAE J200F

Breather Tube

1шт.

9

214-256

HOSE CLAMP,#20, 0.81" - 1.75", Type F Worm

CLAMP - hose, 13/16 to 1-3/4" (20.64 to 44.45 MM)

1шт.

10

D34033

CLAMP

CLAMP - hose to flywheel housing

1шт.

11

A67121

STUD

STUD - head and cover, 7/16" NC x 6"

6шт.

12

A23684

GASKET

GASKET - cover stud, 1/2 x 7/8 x 1/8" (12.7 x 22.23 x 3.17 MM)

6шт.

13

A23683

WASHER

WASHER - dished, cover stud

6шт.

14

129-104

NUT,7/16"-14, G5

NUT, 7/16"-14, G5

6шт.

15

A60567

EYE

EYE - engine lift

2шт.

18

A138261

HEAD (CYLINDER)

HEAD ASSEMBLY - cylinder (Casting No. A138337), Includes: Ref. 19 - 23

3шт.

18

AR152265

REMAN-CYLINDER HEAD

Cylinder Head

3шт.

18

AC152265

CORE-CYLINDER HEAD

Return Number

3шт.

19

A57448

GUIDE

GUIDE - valve stem

4шт.

20

A66191

INSERT

INSERT - intake valve seat

2шт.

21

A66192

INSERT

INSERT - exhaust valve seat

2шт.

22

A34124

PLUG,Cup, 1 5/8", Stainless

PLUG - cup, 1-5/8" diameter (41.27 MM)

2шт.

23

A58620

PLUG,Cup, 3/4", Stainless

PLUG - cup, 3/4" diameter (19.05 MM)

3шт.

25

REF

INSTRUCTION

GASKET - cylinder head to block (See Figure 30)

3шт.

26

A76638

BOLT

BOLT - head to block, 5/8 x 6-1/4" NC hex, special

30шт.

27

A58629

BEARING WASHER,16.66mm ID x 25.4mm OD x 3.04mm Thk

WASHER - head bolt, 5/8 x 1 x 1/8" (15.87 x 25.4 x 3.17 MM)

30шт.

30

221-1843

PLUG

PLUG - 3/8" PT hex socket head

6шт.

Выбрано товаров: 27