Запчасти Case 40 (016) - VALVE MECHANISM, 504BDT ENGINE (10) - ENGINE

Схема запчастей Case 40 - (016) - VALVE MECHANISM, 504BDT ENGINE (10) - ENGINE
FIT
1:1
100%

Артикул

Название

Примечание

Количество

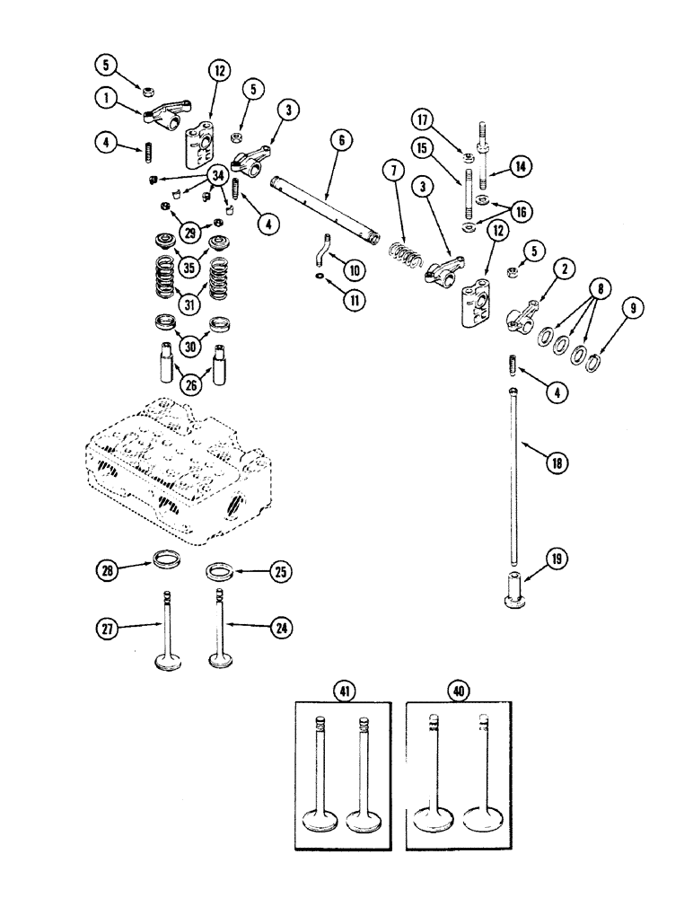
1

A148137

ROCKER ARM

ARM ASSEMBLY - rocker, exhaust valve (First, third and fifth cylinder), Includes: Ref. 4 and 5

3шт.

2

A148138

ARM

ASSEMBLY - rocker, exhaust valve (Second, fourth and sixth cylinder), Includes: Ref. 4 and 5

3шт.

3

A148136

ARM

ASSEMBLY - rocker, intake valve, Includes: Ref. 4 and 5

6шт.

4

A21105

ADJUSTMENT SCREW,3/8" - 24 x 1 9/16"

SCREW - adjusting, rocker arm

1шт.

5

86585245

SPECIAL NUT,JAM, 5/8" - 18

- 3/8" NF hex

1шт.

6

A150545

SHAFT

- rocker arm

3шт.

7

A27877

SPRING

- rocker shaft

3шт.

8

A27878

WASHER

- thrust, 7/8 x 1-5/16 x 1/32" (22.22 x 33.34 x 0.79 MM)

1шт.

9

B18206

SNAP RING,#87, Ext

Ring, Snap, , rocker shaft #87, Ext

6шт.

10

A58657

TUBE

- oil, rockershaft lube

3шт.

11

A27880

O-RING,0.07" Thk x 0.18" ID, -8, Cl 5, 75 Duro

- oil tube, 3/16 x 5/16 x 1/16" (4.76 x 7.94 x 1.59 MM)

3шт.

12

A61128

BRACKET

- rockershaft

6шт.

14

A67121

STUD

- bracket and head cover

6шт.

15

A58659

STUD

- bracket, 7/16" NC x 4-5/16"

6шт.

16

195-29

WASHER,7/16"

- 1/2 x 15/16 x 1/16" (12.7 x 23.81 x 1.59 MM)

12шт.

17

129-104

NUT,7/16"-14, G5

6шт.

18

A141841

ROD

- push

12шт.

19

A20865

TAPPET

LIFTER - push rod, standard

12шт.

19

A21857

TAPPET

LIFTER - push rod, 0.010" oversize (0.254 MM)

12шт.

24

NSS

NOT SOLD SEPARAT

VALVE - exhaust (Order Ref 40)

6шт.

25

A66192

INSERT

- exhaust valve seat

6шт.

26

A41783

GUIDE

- valve stem

12шт.

27

NSS

NOT SOLD SEPARAT

VALVE - intake (Order Ref 41)

6шт.

28

A66191

INSERT

- intake valve seat

6шт.

29

A58628

SEAL,8mm ID x 13.77mm OD x 2.16mm Thk

- valve stem

12шт.

30

A66328

SEAT

- valve spring

12шт.

31

A66444

SPRING

- valve

12шт.

34

A27872

LOCK

- valve spring

24шт.

35

A66336

ROTATOR

- valve, intake and exhaust

12шт.

40

A46289

VALVE

KIT - exhaust (Set of 2)

3шт.

41

A44575

VALVE

KIT - intake (Set of 2)

3шт.

Выбрано товаров: 31