Запчасти Case 40 (020) - CYLINDER BLOCK, 504BDT ENGINE (10) - ENGINE

Схема запчастей Case 40 - (020) - CYLINDER BLOCK, 504BDT ENGINE (10) - ENGINE
FIT
1:1
100%

Артикул

Название

Примечание

Количество

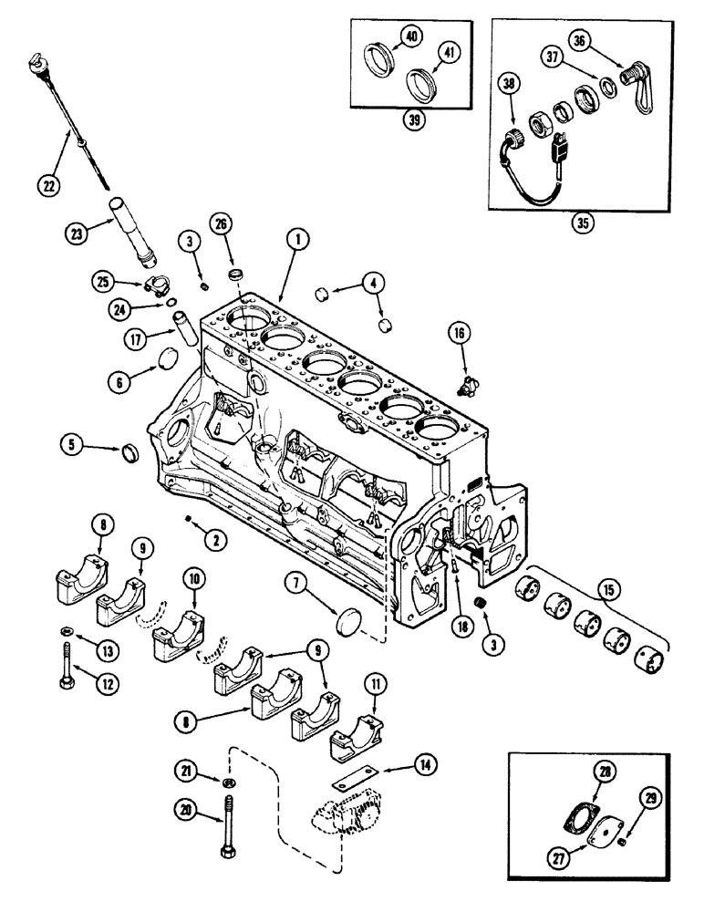
A46038

CRANKCASE

BLOCK ASSEMBLY - short (Includes pistons, ring, connecting rods, camshaft, crankshaft and timing gears), Includes: Ref. 1 - 18

1шт.

1

A44077

CRANKCASE

BLOCK ASSEMBLY - stripped (Casting No A66527)

1шт.

2

221-1849

PLUG

- pipe, 1/8" PT hex socket head

6шт.

3

221-1843

PLUG

- pipe, 3/8" PT hex socket head

5шт.

4

A58568

PLUG,Cup, 1 3/8", Stainless

- cup, 1-3/8" (34.92 MM) diameter

3шт.

5

A58569

PLUG,Cup, 2", Stainless

- cup, 2" (50.8 MM) diameter

1шт.

6

A24361

PLUG

- cup, 2-3/8" (60.32 MM) diameter

1шт.

7

41-1052

PLUG,Cup, 3 1/4"

- cup, 3-1/4" (82.55 MM) diameter

1шт.

8

A58562

CAP

- main bearing, wide

2шт.

9

A58563

CAP

- main bearing, narrow

3шт.

10

A154395

CAP

- main bearing, thrust

1шт.

11

A154396

BEARING CAP

CAP - main bearing, front

1шт.

12

A66948

STEP BOLT

BOLT - bearing cap, 5/8 x 5" NC hex, special

12шт.

13

A58629

BEARING WASHER,16.66mm ID x 25.4mm OD x 3.04mm Thk

WASHER - cap bolt, 5/8 x 1 x 1/8" (15.87 x 25.4 x 3.17 MM)

12шт.

14

A58859

SHIM,.005" Thk

Oil pump (0.127 mm) .005" Thk

1шт.

15

NSS

NOT SOLD SEPARAT

BUSHING SET - camshaft, order (1) A21018, (3) A21019, (1) A23487

1шт.

16

A23656

COCK, DRAIN

VALVE - drain

1шт.

17

A34540

TUBE

- oil filler and dipstick

1шт.

18

A63903

NOZZLE CAP

NOZZLE - piston cooling

6шт.

20

A66949

STEP BOLT

BOLT - oil pump and bearing cap, 5/8 x 7-1/4" NC hex, special

2шт.

21

A58629

BEARING WASHER,16.66mm ID x 25.4mm OD x 3.04mm Thk

WASHER - bolt, 5/8 x 1 x 1/8" (15.87 x 25.4 x 3.17 MM)

2шт.

22

A154061

DIPSTICK

- oil level

1шт.

23

A153835

TUBE

- extension, oil filler

1шт.

24

A27342

O-RING,1.109" ID x 1.387" OD x 0.139"

O RING - 1-1/8 x 1-3/8 x 1/8" (28.5 x 34.92 x 3.17 MM)

1шт.

25

L47766

CLAMP

- oil filler tube

1шт.

26

41-1022

PLUG,Cup, 1 3/8"

- cup, 1-3/8" diameter (34.92 MM)

1шт.

27

A58891

COVER

- pump opening

1шт.

28

A58617

GASKET

- cover

1шт.

29

221-1843

PLUG

PIPE - plug, 3/8" PT hex socket

1шт.

35

A155436

RESISTOR

HEATER ASSEMBLY - block, Includes: Ref. 36 - 38

1шт.

36

NSS

NOT SOLD SEPARAT

ELEMENT - heater, block

1шт.

37

A45114

GASKET

- element, block heater

1шт.

38

A44813

CABLE EXTENSION

CORD ASSEMBLY - 12" (304.8 MM), block, heater

1шт.

39

A44006

SLEEVE

KIT - block heater, Includes: Ref. 40 and 41

1шт.

40

NSS

NOT SOLD SEPARAT

SLEEVE - use in block with 2-1/16" (52.39 MM) diameter hole, heater

1шт.

41

NSS

NOT SOLD SEPARAT

SLEEVE - use in block with 2-1/8" (53.97 MM) diameter hole, heater

1шт.

Выбрано товаров: 36