Запчасти Case 40 (070) - ENGINE AND DROTT ATTACHING PARTS FOR: DETRIOT DIESEL 4-71 ENGINE. (10) - ENGINE

Схема запчастей Case 40 - (070) - ENGINE AND DROTT ATTACHING PARTS FOR: DETRIOT DIESEL 4-71 ENGINE. (10) - ENGINE
FIT
1:1
100%

Артикул

Название

Примечание

Количество

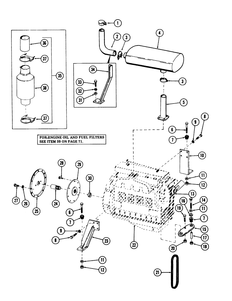
1

A19795

CAP

pipe

1шт.

2

S111779

PIPE, EXHAUST SYSTEM

PIPE, exhaust

1шт.

3

A17851

CLAMP

muffler

2шт.

4

S231674

MUFFLER

1шт.

5

S233625

FLANGE ASSY

FLANGE - (To manifold exhaust with existing hardware)

1шт.

6

13-1268

BOLT,Hex, 3/4" - 10 x 4-1/4", Gr 5

- 3/4" NC x 4-1/4" Gr 5

2шт.

7

A19066

MOUNTING PARTS

MOUNT, rubber

4шт.

8

113-410

BOLT,Hex, 1/2" - 13 x 1-1/2", Gr 5, Full Thd

8шт.

9

192-23

LOCK WASHER,1/2"

WASHER, LOCK, 1/2"

8шт.

10

S506055

BRACKET

engine mounting - (Rear) - (Left hand)

1шт.

11

195-2270

WASHER,13/16" x 3" x .238", HDN

flat - 3/4"

4шт.

12

131-450

NUT,3/4"-10

NUT, self locking - 3/4" NC

2шт.

13

S228380

FAN

1шт.

S97486

FAN

SPACER, fan

2шт.

113-121

BOLT,Hex, 5/16" - 18 x 2", Gr 5

6шт.

192-20

LOCK WASHER,Helical Spring, 0.318" ID, CST, ZND

WASHER, LOCK, 5/16"

6шт.

14

113-619

BOLT,Hex, 5/8" - 11 x 4-1/2", Gr 5

2шт.

15

S235139

SUPPORT

engine mounting - (Front)

1шт.

16

S113789

WASHER

flat - 5/8"

2шт.

17

S113788

SPACER

2шт.

18

131-14

LOCK NUT,5/8"-11, GC

NUT, LOCK, 5/8"-11, GC

2шт.

19

113-705

BOLT,Hex, 3/4" - 10 x 2-1/2", Gr 5

- 3/4" NC x 2-1/2" Gr 5

1шт.

20

131-16

LOCK NUT,3/4"-10, GB

LOCKNUT, 3/4"-10, GB

1шт.

REPLACED BY 217-125 (NOT A SUB)

1шт.

21

S82985

V-BELT,36.70" L

BELT , Alternator 36.70" L

1шт.

22

S610018

ENGINE, DETROIT DIESEL 4-71 "N" SERIES

1шт.

23

S506059

BRACKET

engine mounting - (Rear) - (Right hand)

1шт.

24

S63201

COUPLING

1шт.

25

S52615

MOUNTING PARTS

MOUNTING, hydraulic pump

1шт.

26

192-21

LOCK WASHER,3/8"

WASHER, LOCK, 3/8"

12шт.

27

113-207

BOLT,Hex, 3/8" - 16 x 1", Gr 5

10шт.

113-208

BOLT,Hex, 3/8" - 16 x 1-1/4", Gr 5

(Mounts relay mounting bracket to pump bracket) Hex, 3/8"-16 x 1 1/4", G5, Full Thd

2шт.

28

121-204

BOLT,Lock Place, Hex, 3/8" - 16 x 5/8", Gr 8

- 3/8" NC x 5/8" Gr 8

8шт.

29

S33201

DAMPER

DAMPENER, pump drive

1шт.

30

S114980

ADAPTER

1шт.

31

195-104

WASHER,3/8"

flat - 3/8"

2шт.

32

192-21

LOCK WASHER,3/8"

WASHER, LOCK, 3/8"

2шт.

33

113-207

BOLT,Hex, 3/8" - 16 x 1", Gr 5

2шт.

34

S236379

BRACKET

muffler mounting

1шт.

35

NSS

NOT SOLD SEPARAT

KIT, spart arrestor - (Optional) - (Order components listed below), Includes: Ref. 36 - 38

1шт.

36

S99869

PIPE, EXHAUST SYSTEM

PIPE, exhaust

1шт.

37

A17851

CLAMP

exhaust pipe

2шт.

38

S226198

SPARK ARRESTER

ARRESTOR, spark

1шт.

39

L31230

ELEMENT

FILTER, engine oil - (Not illustrated)

1шт.

S239799

SCREEN

ELEMENT, engine fuel strainer - (Not illustrated)

1шт.

S515128

SCREEN

ELEMENT, engine fuel filter - (Not illustrated)

1шт.

Выбрано товаров: 46