Запчасти Case 40 (198) - TOOL CYLINDER, (5.50" ID X 36.30" STROKE) (35) - HYDRAULIC SYSTEMS

Схема запчастей Case 40 - (198) - TOOL CYLINDER, (5.50" ID X 36.30" STROKE) (35) - HYDRAULIC SYSTEMS
FIT
1:1
100%

Артикул

Название

Примечание

Количество

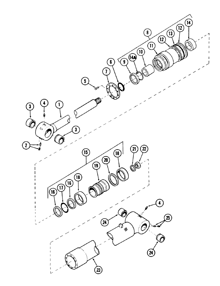
S955895

CYLINDER

- tool, Includes: Ref. 1 - 25

1шт.

1

S511753

ROD ASSY.

ROD, Includes: Ref. 2 and 3

1шт.

2

83-610

SET SCREW,Hex Soc, 3/8"-16 x 5/8"

SCREW - set (Top)

2шт.

178-56

SET SCREW,Hex Soc, 3/8"-16 x 5/8"

SCREW - set (Bottom)

2шт.

3

S234901

BUSHING

2шт.

4

219-1

LUBE NIPPLE,1/8" - 27 NPTF

FITTING - grease, 1/8" NPT (Straight)

3шт.

5

28-1036

BOLT,Hex, 5/8" - 18 x 2-1/4", Gr 8

10шт.

6

A23316

O-RING,0.139" Thk x 4.484" ID, -246, Cl 5, 75 Duro

10шт.

Should use G104141

1шт.

7

S511428

PLATE

1шт.

8

NSS

NOT SOLD SEPARAT

GLAND ASSEMBLY - (Order G104649), Includes: Ref. 9 - 14A

1шт.

9

S92653

WIPER

1шт.

Part of seal repair kit, P/N G104672

1шт.

10

S111813

SLEEVE ASSY

BEARING - nylon

1шт.

Part of seal repair kit, P/N G104672

1шт.

11

S104652

GLAND ASSY

1шт.

12

G34260

RING,5.484" ID x 5.762" OD

- back up

2шт.

Part of seal repair kit, P/N G104672

1шт.

13

A55800

O-RING,0.139" Thk x 5.484" ID, -254, Cl 5, 75 Duro

1шт.

Part of seal repair kit, P/N G104672

1шт.

14

S220044

ROD

SEAL - rod

1шт.

Part of seal repair kit, P/N G104672

1шт.

14a

S115908

RING, SNAP

RING - snap

1шт.

15

S232232

PISTON, Includes: Ref. 16 - 22

1шт.

16

G32126

BACK-UP RING,89.28mm ID x 95.38mm OD x 1.4mm Thk

- back up

2шт.

Part of seal repair kit, P/N G104672

1шт.

17

G15457

O-RING,0.139" Thk x 3.484" ID, -238, Cl 5, 75 Duro

1шт.

18

S108947

RING

- wear

2шт.

Part of seal repair kit, P/N G104672

1шт.

19

S511750

PISTON

1шт.

20

S228606

SEAL

SEAL

1шт.

Part of seal repair kit, P/N G104672

1шт.

21

G32653

WASHER

1шт.

22

131-76

LOCK NUT,2"-12

NUT

1шт.

23

S611555

TUBE,5.5" DIA x 51.35" L

Includes: Ref. 24 and 25

1шт.

24

S234900

BUSHING

2шт.

25

83-610

SET SCREW,Hex Soc, 3/8"-16 x 5/8"

SCREW - set (Top)

2шт.

178-56

SET SCREW,Hex Soc, 3/8"-16 x 5/8"

SCREW - set (Bottom)

2шт.

26

G104649

GLAND

ASSY - (Inlcudes Ref. 8 thru 14A)

1шт.

27

G104672

KIT

- seal repair (Includes Ref. 9, 10, 12 thru 14, 16 thru 18 and 20)

1шт.

Выбрано товаров: 40