Запчасти Case 40 (224) - SOLENOID MONOBLOCK VALVE (35) - HYDRAULIC SYSTEMS

Схема запчастей Case 40 - (224) - SOLENOID MONOBLOCK VALVE (35) - HYDRAULIC SYSTEMS
FIT
1:1
100%

Артикул

Название

Примечание

Количество

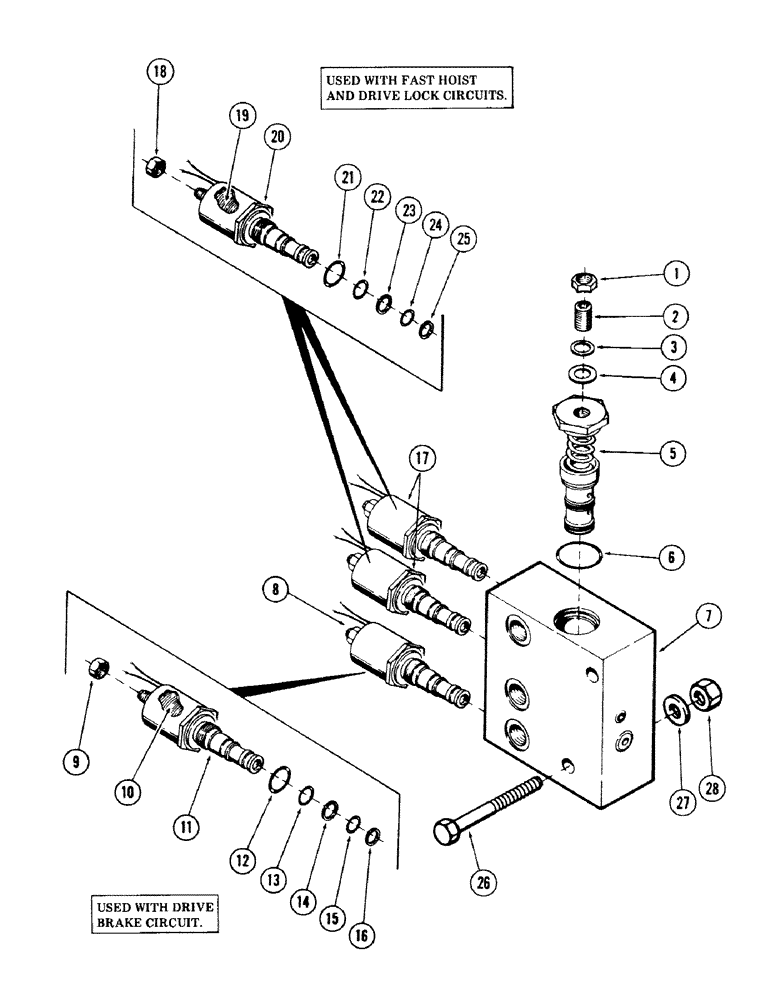
S239137

SOLENOID

VALVE, solenoid monoblock, Includes: Ref. 1 - 25

1шт.

1

S109478

NUT

1шт.

2

S109482

SCREW, adjustment

1шт.

3

S109479

WASHER

1шт.

4

S109477

WASHER, special

1шт.

5

NSS

NOT SOLD SEPARAT

HOUSING ASSEMBLY, cartridge

1шт.

6

A13184

O-RING,0.103" Thk x 0.987" ID, -120, Cl 5, 75 Duro

"O" RING - .987" ID x 1.187" OD

1шт.

7

NSS

NOT SOLD SEPARAT

HOUSING

1шт.

8

S237942

VALVE

CARTRIDGE, solenoid valve, Includes: Ref. 9 - 13

1шт.

9

S109473

NUT

1шт.

10

S116422

COIL

1шт.

11

NSS

NOT SOLD SEPARAT

HOUSING ASSEMBLY, cartridge

1шт.

13

A30825

O-RING,0.364" ID x 0.504" OD x 0.07"

- .364" ID x .500" OD

1шт.

14

C11865

RING

back up, Includes: Ref. 15 and 16

1шт.

15

A28090

O-RING,0.301" ID x 0.441" OD x 0.07"

-011, 70 Duro, .301" ID x .070" Thk

1шт.

16

S109475

BACK-UP RING

back up

1шт.

17

S239048

CARTRIDGE

solenoid valve, Includes: Ref. 18 - 25

2шт.

18

S109473

NUT

1шт.

19

S116422

COIL

1шт.

20

NSS

NOT SOLD SEPARAT

HOUSING ASSEMBLY, cartridge

1шт.

22

A30825

O-RING,0.364" ID x 0.504" OD x 0.07"

- .364" ID x .500" OD

1шт.

23

C11865

RING

back up

1шт.

24

A28090

O-RING,0.301" ID x 0.441" OD x 0.07"

-011, 70 Duro, .301" ID x .070" Thk

1шт.

25

S109475

BACK-UP RING

back up

1шт.

26

26-552

BOLT,Hex, 5/16" - 18 x 3-1/4", Gr 8

- 5/16" NC x 3-1/4" (Grade 5)

2шт.

27

195-521

WASHER,5/16", SAE

flat - 11/32"

2шт.

28

131-176

LOCK NUT,Prev Torque, Hex, 5/16" - 18, Gr A

NUT, self locking - 5/16" NC

2шт.

12

218-5006

O-RING,0.087" Thk x 0.644" ID, -908, Cl 6, 90 Duro

- .644" ID x .818" OD

1шт.

21

218-5006

O-RING,0.087" Thk x 0.644" ID, -908, Cl 6, 90 Duro

- .644" ID x .818" OD

1шт.

Выбрано товаров: 29