Запчасти Case 40BLC (206) - HOIST, CROWD AND TOOL CYLINDER, (6.53 ID X 45.50" STROKE)(USED AS HOIST AND CROWD CYLINDER)ON 16",20 (07) - HYDRAULIC SYSTEM

Схема запчастей Case 40BLC - (206) - HOIST, CROWD AND TOOL CYLINDER, (6.53 ID X 45.50" STROKE)(USED AS HOIST AND CROWD CYLINDER)ON 16",20 (07) - HYDRAULIC SYSTEM
FIT
1:1
100%

Артикул

Название

Примечание

Количество

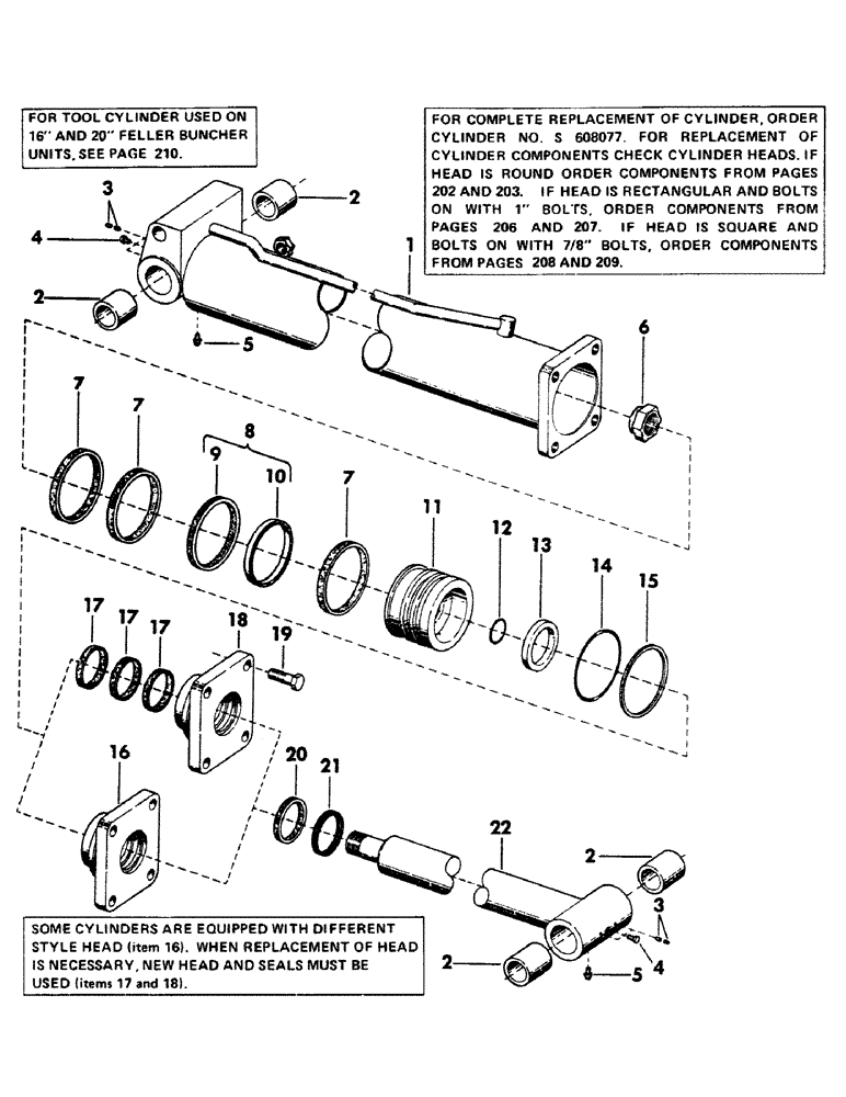
CYLINDER, hoist, crowd and tool - complete (Consists of items 1 thru 17) - (See notes) - (S606093 superseded by S608077)

3шт.

Quantities listed below are for one complete cylinder

1шт.

1

S606345

TUBE

cylinder - (Includes items 2 and 3)

1шт.

2

S225645

BUSHING

4шт.

3

83-56

SET SCREW,Hex Soc, 5/16"-18 x 3/8"

SCREW, set - 5/16" NC x 3/8"

8шт.

4

221-661

PLUG,Hex Hd, 1/8"-27

pipe - 1/8" NPT

2шт.

5

219-1

LUBE NIPPLE,1/8" - 27 NPTF

FITTING, grease - 1/8" NPT - (Straight)

2шт.

6

S83249

NUT

1шт.

7

S97856

RING

wear

3шт.

8

S224768

SEAL

ASSEMBLY, piston - (Includes items 9 and 10)

1шт.

9

NSS

NOT SOLD SEPARAT

SEAL, piston

1шт.

10

NSS

NOT SOLD SEPARAT

RING, expander

1шт.

11

S508236

PISTON

1шт.

12

S5922

O-RING,1.975" ID x 2.395" OD x 0.21"

"O" RING - .1975" ID x 2.375" OD

1шт.

13

S97798

SPACER

1шт.

14

S6030

O-RING,5.975" ID x 6.525" OD x 0.275"

"O" RING - 5.975" ID x 6.500" OD

1шт.

15

S99881

WASHER

back-up

1шт.

16

HEAD, cylinder - (Different style head, to be replaced by new style head and wear rings, items 17 and 18)

1шт.

17

S104133

OIL SEAL

RING, wear

3шт.

18

S607741

HEAD

cylinder - (Used to replace different style head, item 16)

1шт.

19

28-1640

BOLT,Hex, 1" - 14 x 2-1/2", Gr 8

4шт.

20

S97855

SEAL

rod

1шт.

21

S97854

WIPER SEAL,88.9mm ID x 104.98mm OD x 7.92mm Thk

WIPER, rod

1шт.

22

S508274

ROD

cylinder - (Includes items 2 and 3)

1шт.

23

S609427

PACKING

KIT, seal - (Includes items 7, 8, 12, 14, 15, 17, 20 and 21)

1шт.

Выбрано товаров: 25