Запчасти Case 40BLC (220) - COLLECTOR ACTUATOR CYLINDER, (3.50" ID X 9.70" STROKE) (07) - HYDRAULIC SYSTEM

Схема запчастей Case 40BLC - (220) - COLLECTOR ACTUATOR CYLINDER, (3.50" ID X 9.70" STROKE) (07) - HYDRAULIC SYSTEM
FIT
1:1
100%

Артикул

Название

Примечание

Количество

S509462

CYLINDER ASSY.

CYLINDER, collector actuator - complete (Consists of items 1 thru 13)

1шт.

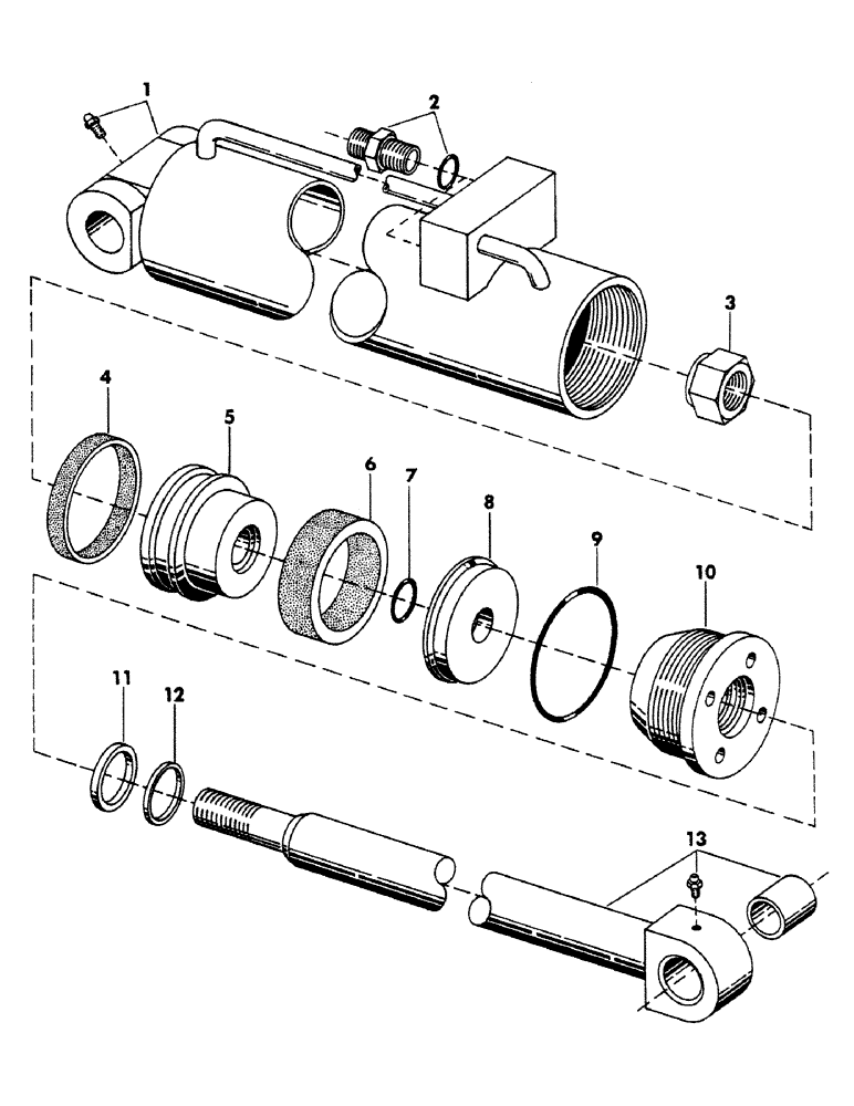
1

S216140

TUBE, cylinder - (Includes grease fitting)

1шт.

219-1

LUBE NIPPLE,1/8" - 27 NPTF

FITTING, grease - 1/8" NPT - (Straight)

1шт.

2

S7982

COUPLING, BREAK AWAY

CONNECTOR - (5/8" tube) - 3/4" - 16 male x 7/8" 14 male - 37 degree flared - (Includes "O" ring)

2шт.

S6061

O-RING,0.639" ID x 0.09" Width

"O" RING - .644" ID x .818" OD

2шт.

S6061

O-RING,0.639" ID x 0.09" Width

"O" RING - .644" ID x .818" OD

2шт.

3

131-21

LOCK NUT,1 1/8"-12, GB

NUT, self locking - 1-1/8" NF

1шт.

Change in listing

1шт.

4

S48419

RING

wear

1шт.

5

S28097

PISTON

half

1шт.

6

S26550

CUP ASSY.

PACKING, piston

1шт.

7

S5809

O-RING

"O" RING - 1.109" ID x 1.375" OD

1шт.

8

S49783

PISTON, half

1шт.

9

S6327

O-RING,0.139" Thk x 3.359" ID, -237, Cl 5, 75 Duro

"O" RING - 3.359" ID x 3.625" OD

1шт.

10

S227855

HEAD, cylinder

1шт.

11

S104392

SEAL

SEAL, rod

1шт.

12

S104393

WIPER

rod

1шт.

13

S227856

ROD ASSEMBLY - (Includes grease fitting and bushing)

1шт.

219-1

LUBE NIPPLE,1/8" - 27 NPTF

FITTING, grease - 1/8" NPT - (Straight)

1шт.

S64396

BUSHING

1шт.

Выбрано товаров: 20