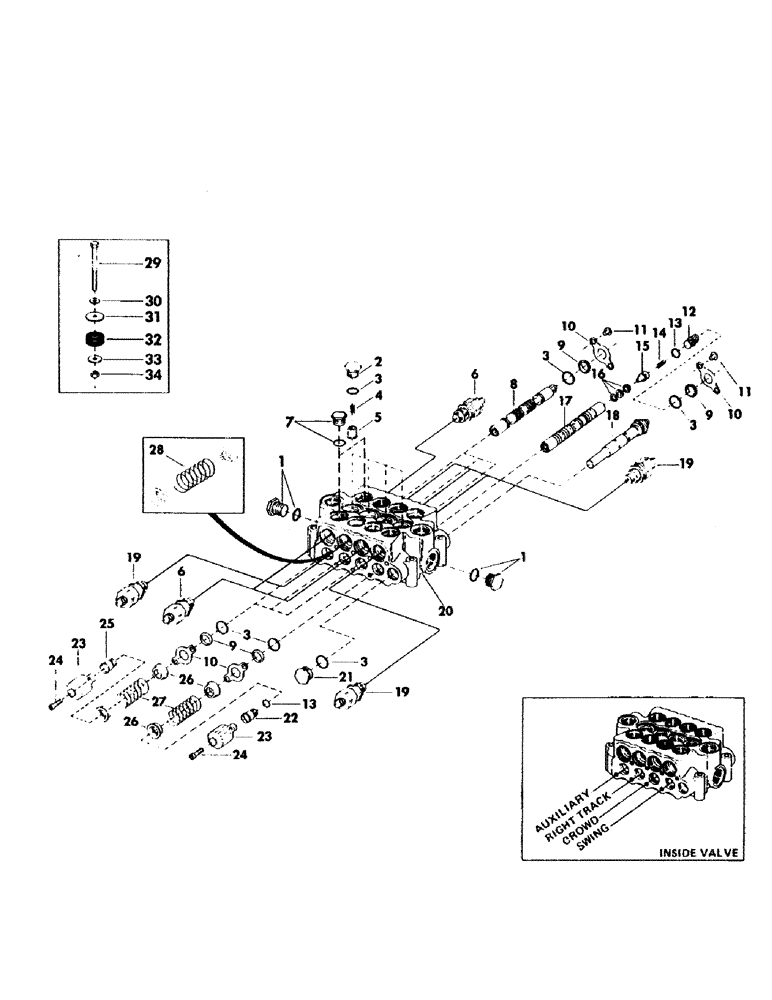
Запчасти Case 40BLC (258) - 4-SPOOL MAIN CONTROL VALVE, (USED WITH SWING, CROWD, RIGHT TRACK AND AUXILIARY CIRCUITS) (07) - HYDRAULIC SYSTEM

Схема запчастей Case 40BLC - (258) - 4-SPOOL MAIN CONTROL VALVE, (USED WITH SWING, CROWD, RIGHT TRACK AND AUXILIARY CIRCUITS) (07) - HYDRAULIC SYSTEM
FIT
1:1
100%

Артикул

Название

Примечание

Количество

S510353

VALVE, 4-spool main control - used with 16" Feller Buncher - complete (Consists of items 1 thru 27) - (Supersedes S505750)

1шт.

S509863

VALVE, 4-spool main control - used with 20" and 24" Feller Buncher - complete (Consists of items 1 thru 6, and 8 thru 28) - (Supersedes S505750)

1шт.

1

S62190

PLUG

includes "O" ring

2шт.

S6069

O-RING,1.171" ID x 0.116" Width

"O" RING - 1.171" ID x 1.403" OD

2шт.

2

S13714

PLUG

4шт.

3

S5807

O-RING,0.984" ID x 1.262" OD x 0.139"

"O" RING - .984" ID x 1.250" OD

13шт.

4

S13715

SPRING

4шт.

5

S13716

VALVE POPPET

POPPET

4шт.

6

S81689

VALVE

CARTRIDGE, relief valve - set at 3000 PSI - (For breakdown, see page 263)

1шт.

7

S8985

PLUG

pipe - 1-5/16" NPT - (Includes "O" ring) - (Used only with valve S510353)

2шт.

S6069

O-RING,1.171" ID x 0.116" Width

"O" RING - 1.171" ID x 1.403" OD

2шт.

8

NSS

NOT SOLD SEPARAT

PLUNGER

3шт.

9

S62092

WIPER

8шт.

10

S62092

WIPER

SEAL

8шт.

11

166-25

12 PT SCREW,Flg, 5/16" - 18 x 7/8", Gr 8

SCREW, machine - 3/8" NC x 1/2"

8шт.

12

S62289

END

plunger

1шт.

13

S6061

O-RING,0.639" ID x 0.09" Width

"O" RING - .644" ID x .818" OD

2шт.

14

S62189

SPRING

1шт.

15

S62291

VALVE POPPET

POPPET

1шт.

16

S7886

BACK-UP RING

RING, back up

3шт.

17

NSS

NOT SOLD SEPARAT

PLUNGER

1шт.

18

CARTRIDGE, main relief - set at 2500 PSI - (For breakdown, see page 262)

1шт.

19

S85640

VALVE

CARTRIDGE, port relief - set at 2500 PSI - (For breakdown, see page 263)

5шт.

20

NSS

NOT SOLD SEPARAT

HOUSING

1шт.

21

S13707

PLUG

1шт.

22

S62290

BOLT

CPSW, special

1шт.

23

S62278

CAP

plunger

4шт.

24

61-616

HEX SOC SCREW,3/8"-16 x 1"

CPSW, socket head - 3/8" NC x 1" gr 8

8шт.

25

S62292

BOLT

CPSW, special

3шт.

26

S62288

SEAT

spring

8шт.

27

S104822

SPRING

- (Supersedes S62269)

4шт.

Change in listing

1шт.

28

S81915

VALVE SPRING

SPRING, replaces one of items 27 on valve S509863 only

1шт.

29

113-432

BOLT,Hex, 1/2" - 13 x 4-3/4", Gr 5

Mounts valve to turntable Hex, 1/2"-13 x 4 3/4", G5

4шт.

30

195-105

WASHER,7/16"

flat - 1/2"

4шт.

31

195-2260

WASHER,5/8" x 2" x .095"

flat - 1/2"

4шт.

32

S49527

MOUNTING PARTS

MOUNT, lord

4шт.

33

95-8

WASHER,1/2"

flat (9/16") 1/2"

4шт.

34

131-70

NUT,1/2"-13, GB

NUT, self locking - 1/2" NC

4шт.

Выбрано товаров: 39