Запчасти Case 40BLC (048) - SPARK ARRESTORS, (USED ON UNITS WITH SERIAL NUMBER 760 AND AFTER) (01) - ENGINE

Схема запчастей Case 40BLC - (048) - SPARK ARRESTORS, (USED ON UNITS WITH SERIAL NUMBER 760 AND AFTER) (01) - ENGINE
FIT
1:1
100%

Артикул

Название

Примечание

Количество

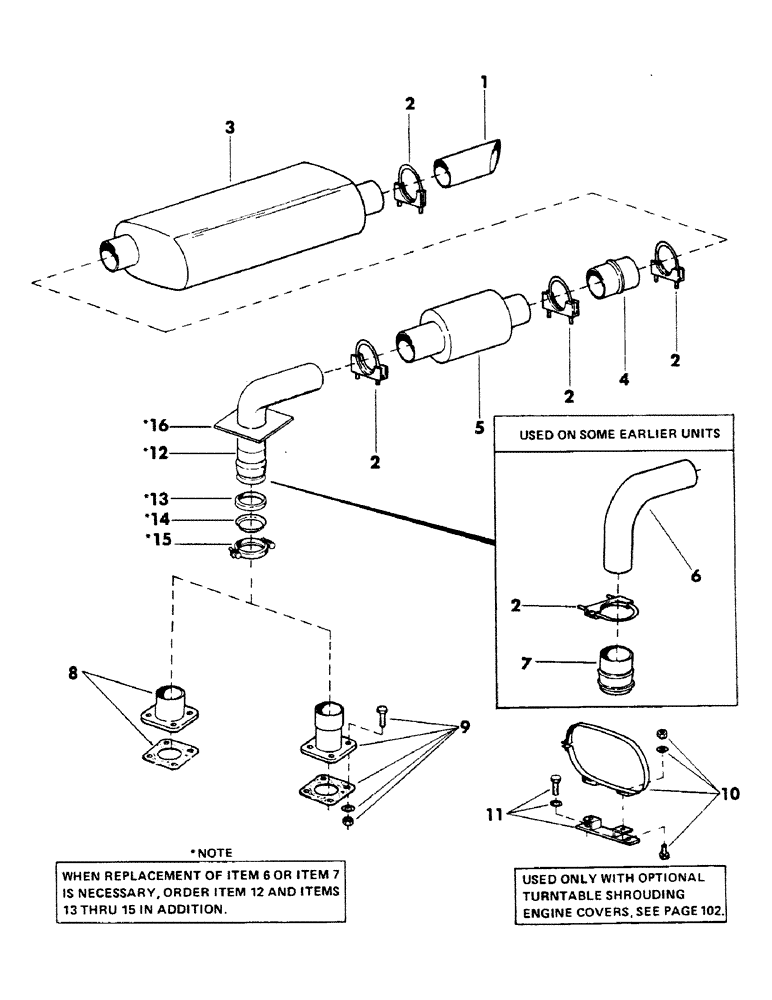
1

S99162

PIPE, exhaust

1шт.

2

L31378

VALVE SPRING

CLAMP, exhaust pipe

5шт.

3

S508420

MUFFLER

1шт.

4

S99157

CONNECTOR, ELEC

CONNECTOR, exhaust pipe

1шт.

5

S226198

SPARK ARRESTER

ARRESTOR, spark

1шт.

6

ELBOW, exhaust pipe - (See note on illustration)

1шт.

Change in listing

1шт.

7

CONNECTOR, flexible exhaust - (See note on illustration)

1шт.

Change in listing

1шт.

8

S226201

FLANGE, exhaust - (Mounts with existing engine hardware) - (Used on units with Detroit diesel 4-71 engine)

1шт.

S99909

GASKET, exhaust

1шт.

Change in listing

1шт.

9

S226200

FLANGE, exhaust - (Used on units with Case 504BD diesel engine)

1шт.

113-421

BOLT,Hex, 1/2" - 13 x 2", Gr 5

4шт.

192-23

LOCK WASHER,1/2"

WASHER, LOCK, 1/2"

4шт.

131-70

NUT,1/2"-13, GB

NUT, self locking - 1/2" NC

4шт.

S87740

GASKET

exhaust

1шт.

10

S219850

BAND

CLAMP -, Serial Range: (Muffler-bracket)

2шт.

113-207

BOLT,Hex, 3/8" - 16 x 1", Gr 5

4шт.

195-525

WASHER,3/8", SAE

flat - 3/8"

4шт.

131-52

NUT,3/8"-16, GC

NUT, self locking - 3/8" NC

4шт.

11

S226199

BRACKET -, Serial Range: (Muffler-shroud)

2шт.

113-208

BOLT,Hex, 3/8" - 16 x 1-1/4", Gr 5

4шт.

195-525

WASHER,3/8", SAE

flat - 3/8"

4шт.

12

S230596

ELBOW, exhaust pipe

1шт.

Added listing

1шт.

13

S107152

GASKET

1шт.

Added listing

1шт.

14

S107845

RETAINER

1шт.

Added listing

1шт.

15

S107151

CLAMP

1шт.

Added listing

1шт.

16

S94859

INSULATOR - (Mounts on top of shroud)

1шт.

Added listing

1шт.

Выбрано товаров: 34